青岛垚鑫智能科技有限公司
宣传

位置:中冶有色 >

有色技术频道 >

> 探矿技术

分类:
全部
矿山技术
冶金技术
材料制备及加工技术
环境保护技术
分析检测技术
 
全部
探矿技术
采矿技术
选矿技术
通用技术
地区:
全部
北京
天津
上海
重庆
河北
山西
辽宁
吉林
黑龙江
江苏
浙江
安徽
福建
江西
山东
河南
湖北
湖南
广东
海南
四川
贵州
云南
陕西
甘肃
青海
内蒙
广西
西藏
宁夏
新疆
其他
其他
展开
 
全部
成都
自贡
攀枝花
泸州
德阳
绵阳
广元
遂宁
内江
乐山
南充
眉山
宜宾
广安
达州
雅安
巴中
资阳
阿坝藏族羌族自治州
甘孜藏族自治州
凉山彝族自治州

四川成都有色金属探矿技术理论与应用

免费发布技术信息>>
野外地质包
野外地质包 940     
 0

本实用新型涉及一种野外地质包,其包括:背包主体、安装于背包主体上的一手提带、二胸带、侧袋及肩带。背包主体包括自下向上设置的底仓、主仓及顶仓,主仓上贴设有二反光带及荧光带,反光带位于荧光带之间。手提带位于顶仓的顶部,胸带、侧袋位于主仓的两侧,胸带上设有一水壶卡环及笔夹,肩带上安装有一救援定位灯、气囊及充气手柄,气囊与所述充气手柄连接。该野外地质包,通过底仓、主仓及顶仓可以实现物品分类存放,反光带和荧光带可以在夜间起到一定的警示作用,结构合理。肩带上的救援定位灯可以在夜间受伤是发出救援信号,气囊可以减少肩带对肩部带来的压力,提高舒适度。

标签:
探矿技术
四川 - 成都 来源:中冶有色网 2023-02-26
地质学用的信息展示装置

本实用新型涉及一种地质学用的信息展示装置,包括底座,所述底座的内部开设有空腔,且空腔顶部的内壁上开设有转孔,所述空腔底部的内壁上转动安装有转动杆,且转动杆的顶端贯穿转孔,并延伸至底座外,所述转动杆上等间隔固定安装有若干个展示板,所述转动杆上固定套接有大齿轮,且大齿轮位于空腔内,所述空腔底部的内壁上固定安装有电机,且电机的输出轴上固定安装有直杆,所述底座的一侧开设有长槽,且长槽一侧的内壁上固定安装有转轴,所述转轴上转动安装有翘杆;本实用新型解决了现有技术中的缺点,使得地质学展示图挂放量大,便于翻转阅读,满足了人们的需求。

标签:
探矿技术
四川 - 成都 来源:中冶有色网 2023-02-26
用于地质工程的高稳定性取样器

本实用新型公开了一种用于地质工程的高稳定性取样器,包括:工作盘,其中部开设有钻杆孔;所述钻杆孔内部贯穿有底部设有钻头的钻杆;所述工作盘一侧通过固定支架固定有电机,所述电机的下方通过转轴转动连接有主动轮,所述钻杆外部通过螺纹旋合连接有从动轮;所述工作盘底部支撑腿,支撑腿包括可调节的固定腿与活动腿;所述活动腿底部通过减震装置连接有固定板;所述减震装置包括本体与减震板,减震板底部表面通过若干第一缓冲弹簧与缓冲槽槽底表面固定,减震板侧壁通过若干第二缓冲弹簧与缓冲槽侧壁固定;所述本体位于固定板表面的固定槽内。本实用新型提供一种用于地质工程的高稳定性取样器,其结构简单,取样效率高,节省人力。

标签:
探矿技术
四川 - 成都 来源:中冶有色网 2023-02-26
地质勘探用多功能观察架

本实用新型公开了一种地质勘探用多功能观察架,由望远镜和测量杆组成,所述望远镜为圆柱形结构,中段下部设有镜身方形段,其两端为镜身圆形段,镜身方形段下方设有卡扣,卡扣上设有上锁紧螺栓;所述测量杆的杆体上端设有顶盘,顶盘卡入望远镜的卡扣,并通过拧紧上锁紧螺栓与望远镜连接固定;所述杆体为中空结构,中部设有一根内杆,杆体下方设有两个下锁紧螺栓,与内杆外壁紧贴,内杆下部设有底部垫块,底部垫块为上小下大的圆锥形结构。本实用新型通过集成多重功能到支架上,使其具有支架、望远镜、测量杆、手杖等功能,方便地质勘探人员在野外作业过程中使用。

标签:
探矿技术
四川 - 成都 来源:中冶有色网 2023-02-26
基于空-地-井多维电磁法的地质体勘测系统

本申请公开了一种基于空‑地‑井多维电磁法的地质体勘测系统,包括:空中电磁测量模块、地面电磁测量模块、井‑地电磁测量模块、井‑空电磁测量模块、数据处理及快速电阻率成像模块和空‑地‑井孔联合反演计算模块。本申请综合研究将空中、地面、井孔电磁进行联合勘测,实现空间立体勘测,提高勘测精度,达到量化计算的目的。本申请在全面考虑地质体空间三维结构基础上,实现对地质灾害和生态环境问题的高精度、量化勘测。

标签:
探矿技术
四川 - 成都 来源:中冶有色网 2023-02-26
水文地质降水量监测装置

本实用新型提供了一种水文地质降水量监测装置,属于水文监测技术领域。该水文地质降水量监测装置包括支架机构和调节机构,所述支架机构包括箱体、控制面板、控制阀和导水板,所述控制面板固定安装于所述箱体的一侧,所述导水板固定连接于所述箱体,所述控制阀与所述箱体的一侧连通,所述调节机构包括驱动组件、齿轮板、第二伺服电机、连接杆和U型管。本实用新型通过控制面板打开第一伺服电机和第二伺服电机,连接杆转动会带动U型管转动,U型管内积累的雨水会流到导水板上,最后打开控制阀,可将雨水排出监测装置,达到便于将监测装置内积累的雨水排出,从而不会影响监测结果,可监测预警的目的。

标签:
探矿技术
四川 - 成都 来源:中冶有色网 2023-02-26
地质岩矿分析测试用元素分析装置

本实用新型公开一种地质岩矿分析测试用元素分析装置,涉及地质岩矿领域。该装置包括分析仪主体,分析仪主体的一端装配有挡盖,挡盖的内部装配有扫描光线,分析仪主体的上表面固定安装有第一侧板和第二侧板,两组侧板之间装配有移动环,移动环的内部活动插接有试管。该装置在使用时,通过转动螺纹杆,使得螺纹杆外表面螺纹套接的连接板带动移动环向下移动,使得移动环的下表面与分析仪主体的上表面相抵,使得多组试管位于移动环上端的部分处于镂空状态,以便于一次性抓住试管的一端,带动试管从分析仪主体的内部移出,有效提高检测效率。

标签:
探矿技术
四川 - 成都 来源:中冶有色网 2023-02-26
高能地质环境隧道缓冲结构

一种高能地质环境隧道缓冲结构,以有效保证隧道二次衬砌的结构的稳定性,避免高能地质环境中隧道挤压变形导致隧道二次衬砌开裂。隧道衬砌包括初期支护和二次衬砌,所述初期支护外壁与二次衬砌内壁之间设置有弹性缓冲层,该弹性缓冲层的厚度为5~7cm,密度小于200kg/m3,压缩率大于60%、回弹率大于90%。

标签:
探矿技术
四川 - 成都 来源:中冶有色网 2023-02-26
分布式地质灾害预警装置

本实用新型公开了分布式地质灾害预警装置,包括箱体,所述箱体的内底壁固定连接有预警装置本体,所述箱体的上表面固定连接有抽气泵,所述抽气泵的输入端固定连通有抽气管,所述抽气管的底端与箱体的上表面固定连通,所述箱体的上表面开设有进气口,所述箱体的左右两侧面均固定连接有固定板,每个所述固定板的底面均通过两个销轴固定铰接有两个连接杆。该分布式地质灾害预警装置,通过设置的弹簧和连接杆的配合,当箱体出现倾斜时,连接杆会对弹簧进行压缩,由于弹簧具有伸缩性,弹簧会向上顶动连接杆,一旦箱体出现倾斜,弹簧便会顶动连接杆,使箱体保持平稳的状态,能够避免箱体出现倾倒的状况,可以更好的对预警装置本体保护。

标签:
探矿技术
四川 - 成都 来源:中冶有色网 2023-02-26
复杂地形的地质灾害治理设备

本实用新型涉及地质治理技术领域,特别是涉及一种复杂地形的地质灾害治理设备,包括驱动车、撒药组件及挖土组件,撒药组件设于驱动车上方右侧,挖土组件设于驱动车下端中部,撒药组件包括有药箱、高压喷头及喷药管,药箱固定于驱动车上方右侧,药箱上端中部通过螺栓固定有搅拌电机,搅拌电机下端相接有贯穿进药箱内的搅拌轴,搅拌轴与药箱转动连接,搅拌轴左右两端均固定有用于搅拌药液的搅拌叶,高压喷头共设有两个且均位于药箱上方右侧;通过高压喷头的旋转喷药,利于将药液全面的喷洒至位于驱动车外围的土壤上,结合喷药管则便于将驱动车下方的土壤进行药液的喷洒,从而避免喷洒盲区,提高药液的喷洒全面性。

标签:
探矿技术
四川 - 成都 来源:中冶有色网 2023-02-26
地质勘探用扩孔钻头
地质勘探用扩孔钻头 1657     
 0

本实用新型公开了一种地质勘探用扩孔钻头,涉及勘探设备领域,该地质勘探用扩孔钻头的安装孔与钻头本体同轴,钻头本体侧面均匀设有四个三角凸块,钻头本体侧面均匀设有四个螺纹孔。与该扩孔钻头配合的钻机转轴上也对应开有四个螺纹孔,通过螺钉将钻头本体固定在钻机的转轴上,增加钻头本体的安装稳定性。三棱柱形状设计的三角凸块可有效提高钻头本体的钻削能力。

标签:
探矿技术
四川 - 成都 来源:中冶有色网 2023-02-26
用于地质环境勘察用采样装置

本实用新型涉及地质勘察设备技术领域,且公开了一种用于地质环境勘察用采样装置,包括底板,所述底板的底部转动连接有数量为四个的万向轮,所述底板的左右两侧均固定连接有数量为两个的导向管,每个所述导向管的内部均螺纹连接有螺纹接地杆,每个所述螺纹接地杆的顶部均固定连接有转柄,每个所述螺纹接地杆的底部均固定连接有接地盘,所述底板的内部开设有取样槽,所述底板的顶部固定连接有安装架,所述安装架外表面的左右两侧均固定连接有推架,所述安装架的内部固定连接有安装座。该用于地质环境勘察用采样装置,具备便于采取样本的优点,从而有效的解决了手动取样会导致工作过程较为麻烦,且取样效率较差的问题。

标签:
探矿技术
四川 - 成都 来源:中冶有色网 2023-02-26
便于取样的地质勘探用取样装置

本实用新型涉及地质勘探技术领域,且公开了一种便于取样的地质勘探用取样装置,包括支撑板,所述支撑板下表面的四角均固定连接有支撑腿,所述支撑板的上表面设置有调节装置,所述调节装置包括横板,所述支撑板上表面的左侧和右侧均固定连接有竖板。该便于取样的地质勘探用取样装置,通过设置的两组圆形挡板堵住存料槽,使存料槽在向下移动的过程能够保持密封状态,使得存料槽能够对指定深度的土壤进行取样,避免了不同深度的土壤相互参杂导致土壤分析质量较差的情况发生,从而保证了该装置的取样质量,通过将存料槽设置成倾斜状态,使得该装置在取料和放料的时候更加便捷,缩短了工作人员的工作时间,从而保证了工作人员的工作效率。

标签:
探矿技术
四川 - 成都 来源:中冶有色网 2023-02-26
用于砂卵石漂石地质层的基坑支护体系

本实用新型公开了一种用于砂卵石漂石地质层的基坑支护体系,包括分别设置在待挖基坑的两边的若干钢管桩,其中基坑的每侧边包括至少一排钢管桩,每排钢管桩包括若干个钢管桩,每个钢管桩内注有水泥浆;两个冠梁,每个冠梁用于将基坑对应一侧所有钢管桩顶部连接在一起;以及两个护壁层,分别设于位于所有钢管桩所在的基坑两个侧壁表面。该支护体系结构简单、操作方便、经济实用,尤其适用于砂卵石漂石地质层的基坑支护;该支护体系的施工时对周围土体破坏很小,操作方便、施工效率高,有效确保了施工进度,成本较低、经济实用,尤其适用于砂卵石漂石地质层的基坑支护施工。

标签:
探矿技术
四川 - 成都 来源:中冶有色网 2023-02-26
用于地质资源勘探的岩土取样装置

本实用新型公开了一种用于地质资源勘探的岩土取样装置,包括安装板、辅助支撑腿和取样筒,所述辅助支撑腿固定在安装板的下方为其提供支撑,所述取样筒设置在安装板的下方,且取样筒的下方呈开口状结构设计,所述取样筒的内部设置有输送绞龙,在旋转时可将样品送入取样筒内,且取样筒的上方设置有螺纹杆,所述螺纹杆贯穿安装板和安装板之间构成螺纹连接,所述输送绞龙的上方固定有第一传动盘。该用于地质资源勘探的岩土取样装置设置有螺纹杆和输送绞龙,在取样时可通过螺纹杆的旋转带动取样筒进行移动,且取样筒可随螺纹杆的旋转进行旋转,方便将取样筒插入土体内,同时输送绞龙可随取样筒旋转,将样品收集在取样筒内,避免后续散落。

标签:
探矿技术
四川 - 成都 来源:中冶有色网 2023-02-26
地质灾害监测组装置
地质灾害监测组装置 1132     
 0

本实用新型公开了一种地质灾害监测组装置,在该装置中设置有供电电源模块、变形量监测模块、无线传输模块、监控预警模块、水雨情采集模块;所述供电电源模块由直流电源供电与蓄电池组成;所述变形量监测模块包括远距离测斜传感器和变形量监测中心,远距离测斜传感器通过无线传输模块将位移变形量数据发送至变形量监测中心;所述监控预警模块由视频监控设备和监控预警服务器组成,监控预警服务器用于接收和存储所述视频监控设备摄取的所述现场视频监测信息,并在授权的互联网计算机用户调用时提供所述现场视频监测信息。通过本实用新型进行实时的地表位移监测,对地质灾害能够做出比较及时和比较准确的预测预警。

标签:
探矿技术
四川 - 成都 来源:中冶有色网 2023-02-26
用于模拟覆盖层的地质力学模型相似材料及其制备方法

本发明公开的用于模拟覆盖层的地质力学模型试验相似材料按质量份计是由以下组分经分步混合构成:重晶石粉100份,半精炼石蜡4-6份,32号液压机油5-10份,膨润土5-20份和石英砂8-12份,且将该材料制成容重为16~22KN/m3、尺寸为10cm×10cm×10cm的试样测得的变形模量为0.11~1.19MPa,抗压强度为1.8~18.4KPa。本发明还公开了该材料的制备方法。本发明提供的覆盖层模拟材料的抗压强度和变形模量均较低,并可通过调节其中各物质的用量,可使所得材料的容重、抗压强度和变形模量在较大范围内变化,不仅可作为理想的模拟覆盖层的地质力学模型相似材料,填补了现有技术的空白,且所用原材料来源广泛,无毒副作用,制备过程简单,耗能低,制备效率高,成本低。

标签:
探矿技术
四川 - 成都 来源:中冶有色网 2023-02-26
前砂后岩地质斜角度钢套管钻进系统及其安装方法

本申请涉及一种前砂后岩地质斜角度钢套管钻进系统,其包括潜孔锤和水平定向钻,潜孔锤通过钻杆与水平定向钻转动头连接,潜孔锤的钻头远离钻杆的一端通过卡扣卡接有导向管,导向管远离潜孔锤钻头的一端通过卡接件套设并卡接有钢套管,钻头正转时,导向管通过卡接件与钢套管卡紧,钻头反转时,导向管通过卡接件与钢套管脱离。将潜孔锤通过钻杆与水平定向钻转动头连接,利用水平定向钻技术角度可调的优势和空气潜孔锤使用硬岩的特性,可以在复杂地质如硬岩中安装钢套管,本申请具有提升水平定向钻在硬岩地质下放钢套管的应用效果的效果。

标签:
探矿技术
四川 - 成都 来源:中冶有色网 2023-02-26
地质勘查样本存放装置
地质勘查样本存放装置 1332     
 0

本实用新型公开了一种地质勘查样本存放装置,包括存放箱、挡板和横杆,所述存放箱外部对称两侧设置有所述挡板,所述存放箱另外两侧设置有所述横杆,所述横杆上侧两端设置有卡固插板,所述横杆中心下侧一体成型有限位槽板,所述存放箱对应所述限位槽板位置设置有弹簧限位柱。本实用新型通过设置的挡板、样本槽和取样圆盖,使得地质勘查样本存放装置在使用时,样本放入到存放装置中后,在需要取出时,不需要将堆放的样本箱逐个搬下,只需要将挡板抽开,并将取样圆盖打开,将样品从一端推出,取样步骤简化,便于实际使用。

标签:
探矿技术
四川 - 成都 来源:中冶有色网 2023-02-26
地质灾害遥测终端
地质灾害遥测终端 993     
 0

本实用新型公开了地质灾害遥测终端,包括处理模块和无线通信模块,还包括主传感器、热备传感器和选择模块;所述主传感器、选择模块、处理模块和无线通信模块依次连接,且所述热备传感器连接于选择模块。本实用新型地质灾害遥测终端,通过设置上述电路,实现了在低廉成本下遥测终端的热备设计,并且切换速度很快,同时还可以完成修复后的主备自动切换。

标签:
探矿技术
四川 - 成都 来源:中冶有色网 2023-02-26
复杂地质条件下临近道路的深基坑支护结构

本实用新型公开了一种复杂地质条件下临近道路的深基坑支护结构,包括道路路基,沿道路路基的竖直方向分为基土层和岩石层,沿道路路基的下方,分别开挖基土层和岩石层形成深基坑,基土层和岩石层之间的连接处设置有斜撑平台,所述基土层和岩石层所对应的基坑为第一基坑和第二基坑,在第一基坑和斜撑平台之间设置有第一斜柱支撑,在第二基坑和第二基坑的坑底之间设置有第二斜柱支撑,所述第二基坑的立壁上设置有锚杆支护。本实用新型通过采用斜柱支护+锚杆支护+斜柱支护的方式来对深基坑的支护,解决了复杂地质条件下临近道路的深基坑支护难、施工成本高、易出现安全隐患等问题。

标签:
探矿技术
四川 - 成都 来源:中冶有色网 2023-02-26
用于地质工程软岩取样的装置

本实用新型公开了一种用于地质工程软岩取样的装置,包括电机外壳,所述电机外壳一侧的上方固定安装有横向手柄,所述电机外壳内壁的两侧与顶部均固定安装有缓冲块,所述电机外壳通过缓冲块固定安装有电机,所述电机的驱动端固定安装有固定块。该一种用于地质工程软岩取样的装置,本实用通过电机外壳、取样筒、横向手柄、竖向手柄、蓄电池、缓冲块、电机、安装块、安装槽、活动柱、固定块、限位块、限位槽、滑块、滑槽、固定槽、螺纹套环、圆形转动件和调节丝杆的配合使用,取样装置的两种操作方式,为使用者带来的便利,可根据现场情况选择相对应的操作方式,其结构简单,方便人们的使用。

标签:
探矿技术
四川 - 成都 来源:中冶有色网 2023-02-26
用于隧道衬砌检测的便携式地质雷达天线支架

本实用新型公开了一种用于隧道衬砌检测的便携式地质雷达天线支架,具体由方形底板和四周挡板组成无顶盖的箱体用于装载地质雷达天线,箱体的四角设置有固定扣条,箱体底板下面通过合页连接三根支撑杆,通过连接件连接主支撑杆;支撑杆可拼接延长长度,用于支撑和操作固定箱使雷达检测装置紧贴隧道衬砌;本实用新型可以用在检测正在通车的隧道,避免了使用作业台车检测而需封闭线路的情况;本实用新型支架制作成本低、方便拆卸,不用封闭通车隧道,可以极大提高隧道检测工作效率,并能保证检测结果的准确性和可靠性。

标签:
探矿技术
四川 - 成都 来源:中冶有色网 2023-02-26
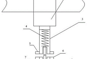
适应沙漠地质的输油管系统

本实用新型公开了利用第一支撑管内设置第一螺旋弹簧组成下压结构,利用第二支撑管内设置第二螺旋弹簧组成上压结构,再利用支撑柱设置在第一螺旋弹簧与第二螺旋弹簧之间,在地质下沉时,第一螺旋弹簧、第二螺旋弹簧释放,第一螺旋弹簧、第二螺旋弹簧变长,使得它们继续顶压夹持支撑柱,第一支撑管和第二支撑管之间的间距变长,但任能支撑输油管,保持输油管位于原有高度,当地质下沉较为厉害时,第一螺旋弹簧、第二螺旋弹簧的形变无法保持挤压支撑柱时,可以跟换更长的支撑柱,以维持输油管的高度,保障输油管不变形,达到安全的目的。

标签:
探矿技术
四川 - 成都 来源:中冶有色网 2023-02-26
野外地质考察多功能工具套

本实用新型涉及一种野外地质考察多功能工具套,包括主体套,在主体套的两侧分别设置有侧套,在主体套和侧套上均设置有带卡扣的翻盖,翻盖通过卡扣与主体套和侧套的外侧扣合,主体套上与人体相对的后侧设置有皮带环,在其中一个侧套内底部设置有固定座,并在固定座的两侧设置有绑带,储液瓶通过绑带固定固定座上,并且固定座与储液瓶的接触面与储液瓶的外壁吻合,本实用新型可通过皮带环可将该工具套直接挂在腰部皮带上,取、收都比较顺手、方便,而且液体不会流出,安全性高、耐用性好,适于野外地质考察用。

标签:
探矿技术
四川 - 成都 来源:中冶有色网 2023-02-26
隧道地质超前预报物探仪

本申请公开了一种隧道地质超前预报物探仪,包括与发射机连接的多个发射电极和与测量电极连接的接收机,所述发射机还连接有控制器和用于供电的发电机或电源,所述发射电极包括由下而上依次可拆卸连接的钻头、钻杆和钻帽,所述钻杆外套设有电极棒,所述电极棒靠近钻帽的一端可拆卸连接有用于连接发射机的接电头。本实用新型能够适用于任何地质情况,能够根据物探方案要求将电极棒以任何角度和埋深置入到指定的点位,为物探仪后续的精准数据采集提供可靠条件,同时,大大减少了因地质原因导致物探前期准备工作的时间,提高整个探测效率。

标签:
探矿技术
四川 - 成都 来源:中冶有色网 2023-02-26
大范围无接触地质形变监测方法、系统及存储介质

本发明公开了一种大范围无接触地质形变监测方法、系统及存储介质,涉及地质灾害监测技术领域,首先在监测区域布置发射器阵列,构建三维空间构型,基于所述三维空间构型,构建监测区域的全局空间坐标系;构建基于第一监测点视角的1号二维平面坐标系;将三维空间构型投影在1号二维平面坐标系中;判断1号二维平面坐标系中射线交叉点是否发生位移变化,若没有发生变化,则不进行操作,若发生变化,则执行下一步骤;对发生变化的交叉点进行交叉定位计算,获取发射器位移信息和射线的角度变化。本发明最大限度降低了地表和近地环境或复杂山体的干扰和影响,监测结果更灵敏、高效,成本更低。

标签:
探矿技术
四川 - 成都 来源:中冶有色网 2023-02-26
铋试金富集地质样品中贵金属的等离子体质谱/光谱测定方法

本发明公开了一种铋试金富集地质样品中贵金属的等离子体质谱/光谱测定方法,属于涉及地质样品中贵金属分析测试技术领域,其方法是以碲作灰吹保护剂,采用以熔融状硼酸或硼酸混合物代替常规灰皿,将铋扣放在盛有熔融状硼酸或硼酸混合物的灰吹坩埚中灰吹,以留铋灰吹的方式形成铋‑碲合粒,所述铋‑碲合粒经消解后,采用ICP‑MS/ICP‑AES法测定;本发明实现了铋试金法对七种贵金属(Au、Ag、Pt、Pd、Rh、Ir和Ru)的定量富集与同时测定,提高了铋试金的富集测定效率,降低了铋试金的测试成本,简化了铋试金的灰吹流程,拓展了铋试金法的应用范围,丰富和发展了火试金灰吹技术,降低了传统火试金法对人及环境的伤害和污染。

标签:
探矿技术
四川 - 成都 来源:中冶有色网 2023-02-26
获取水文地质参数的试验方法

本发明提供了一种获取水文地质参数的试验方法,其包括使用探地雷达探测待测区域,得到待测区域的体积含水率和非饱和带孔隙度;根据体积含水率将待测区域划分为若干采样区,对每个采样区的土壤采样获得柱状土壤样本;将柱状土壤样本置于试验筒中进行不同水温情况下的渗透试验得到试验渗透系数;根据非饱和带孔隙度由Kozeny‑Carman公式得到估计渗透系数,若试验渗透系数/估计渗透系数=0.9~1.1,则采取试验渗透系数,否则,舍弃该次试验中的试验渗透系数。解决了现有技术中获得水文地质参数的方法准确性低的问题。

标签:
探矿技术
四川 - 成都 来源:中冶有色网 2023-02-26
用于地质信息采集的土压力盒

本发明公开了地质信息采集工具,具体涉及用于地质信息采集的土压力盒,包括盒体,其特征在于,所述盒体包括上面板、侧面板和下面板,所述侧面板与下面板下端之间通过螺丝进行固定连接,上面板与侧面板上端连接,所述上面板、侧面板和下面板均由防水层、抗压层和防虫层组成,所述防水层在防水层和抗压层之间,抗压层在盒体的外侧,本土压力的面板抗压层抵抗土壤对通讯光缆的压力,防水层保护水不流进通讯光缆,防虫层驱除虫的干扰,保护采集器之间的连线,解决传统土压力盒由于环境的影响,导致采集的信息不准确的问题。

标签:
探矿技术
四川 - 成都 来源:中冶有色网 2023-02-26
上一页 73 74 75 76 77 ... 91 下一页
共91页    到第

中冶有色为您提供最新的四川成都有色金属探矿技术理论与应用信息,涵盖发明专利、权利要求、说明书、技术领域、背景技术、实用新型内容及具体实施方式等有色技术内容。打造最具专业性的有色金属技术理论与应用平台!

全国热门有色金属设备推荐
展开更多 +
全国热门有色金属技术推荐
展开更多 +

 

江西省隆恩特环保设备有限公司
宣传

报名参会
更多+

报告下载

有色专家
更多+

北京科技大学
主任/教授
赣州江钨钨合金有限公司
副总经理
西安建筑科技大学
教授
西安建筑科技大学
院长/教授
北京科技大学
副院长/教授
赤泥综合利用研究报告2025
推广

热门技术
更多+

推荐企业
更多+

福建省金龙稀土股份有限公司
宣传

发布

在线客服

公众号

电话

顶部
咨询电话:
010-88793500-807