青岛垚鑫智能科技有限公司
宣传

位置:中冶有色 >

有色技术频道 >

> 化学分析技术

分类:
全部
矿山技术
冶金技术
材料制备及加工技术
环境保护技术
分析检测技术
 
全部
物理检测技术
化学分析技术
力学检测技术
无损检测技术
失效分析技术
环境检测技术
地区:
全部
北京
天津
上海
重庆
河北
山西
辽宁
吉林
黑龙江
江苏
浙江
安徽
福建
江西
山东
河南
湖北
湖南
广东
海南
四川
贵州
云南
陕西
甘肃
青海
内蒙
广西
西藏
宁夏
新疆
其他
其他
展开
 
全部
广州
韶关
深圳
珠海
汕头
佛山
江门
湛江
茂名
肇庆
惠州
梅州
汕尾
河源
阳江
清远
东莞
中山
潮州
揭阳
云浮

广东广州有色金属化学分析技术理论与应用

免费发布技术信息>>
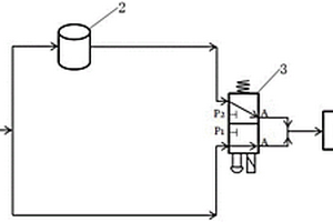
基于ESPR的重金属分析仪及其分析方法

本发明公开了一种基于ESPR的重金属分析仪,包括化学反应部分、表面等离子体共振光谱仪和信息处理系统,化学反应部分包括检测池、对电极、参比电极、阵列电极和电化学工作站;阵列电极位于检测池底部,对电极、参比电极插入检测池内,对电极、参比电极、阵列电极分别连接电化学工作站;电化学工作站、表面等离子体共振光谱仪分别连接信息处理系统。本发明还提供一种基于ESPR的重金属分析仪的分析方法。该分析仪可以实现多目标重金属的同时检测,提高检测的灵敏度,提高空间分辨率,减少薄金属膜板(阵列电极及其活性点)的损伤。

标签:
化学分析
广东 - 广州 来源:中冶有色网 2023-03-19
测定腐胺的电化学生物传感器工作电极的制备方法及其应用

本发明涉及电分析化学技术领域,具体公开了一种测定腐胺的电化学生物传感器工作电极的制备方法及其应用。所述的电化学生物传感器工作电极的制备方法,包含如下步骤:(1)将粘土分散液均匀滴涂于玻碳电极表面,晾干后制得Clay/GCE;(2)将Clay/GCE置于变性Hb溶液中,于3~5℃冰箱静置吸附0.5~1.5h,使变性Hb固定在电极表面,吸附完成后以超纯水淋洗电极,晾干后得到uHb/Clay/GCE;(3)将GLU溶液均匀滴涂于uHb/Clay/GCE上,然后立即在其表面再滴涂DAO溶液,晾干后得到DAO‑GLU/uHb/Clay/GCE,即所述的测定腐胺的电化学生物传感器工作电极。该电化学生物传感器工作电极具有良好的重现性和稳定性,且灵敏度高,适用于猪肉等样品中腐胺的检测。

标签:
化学分析
广东 - 广州 来源:中冶有色网 2023-03-19
危险化学品重大危险源网络监测预警系统

本实用新型提供了危险化学品重大危险源网络监测预警系统,包括视频摄像头、数据集中器、位于监测中心的Web服务器、数据库服务器和用于检测危险化学品重大危险源安全状态参数的传感器/变送器;数据集中器通过计算机网络与所述数据库服务器和Web服务器连接,Web服务器还与监测中心数据库服务器相连,传感器/变送器、视频摄像头通过电缆或总线分别与数据集中器相连。系统运行采用服务器/浏览器模式,通过因特网对危险化学品重大危险源的各类安全状态参数数据和现场视频进行实时监测,并基于实时风险进行预警分析,系统运行灵活方便,监管人员只需利用浏览器就可通过因特网实现对危险化学品重大危险源的监测管理。

标签:
化学分析
广东 - 广州 来源:中冶有色网 2023-03-19
苯乙胺的电化学测定方法

本发明涉及电分析化学技术领域,具体公开了一种苯乙胺的电化学测定方法。所述的方法具体包含如下步骤:S11.以胶体金修饰的金电极为工作电极,铂丝电极为辅助电极,Ag/AgCl电极为参比电极,构建三电极电化学测试系统;S12.将三电极系统置于碱性溶液中,用i‑t曲线法在初始电位为0.08~0.12V时进行扫描,待基线稳定后,加入待测溶液,再扫描至稳定,测出苯乙胺在电极上响应的电流差;S13.根据苯乙胺在电极上响应的电流差与苯乙胺浓度的线性回归方程,计算出苯乙胺的含量。方法能够快速检测苯乙胺的含量,且检出限低、抗干扰性强、重现性好。

标签:
化学分析
广东 - 广州 来源:中冶有色网 2023-03-19
基于电化学的植物关键活性小分子监测设备

本实用新型公开了一种基于电化学的植物关键活性小分子监测设备。所述设备包括微电极生物传感器、植物活性分子检测分析仪和工控机;微电极生物传感器一端固定在植物体内,另一端连接植物活性分子检测分析仪;工控机连接植物活性分子检测分析仪,工控机发送控制指令给植物活性分子检测分析仪,植物活性分子检测分析仪生成数字信号,将数字信号转换成电信号并施加给微电极生物传感器;微电极生物传感器将植物体内关键活性小分子的浓度信息以电信号形式返回到植物活性分子检测分析仪,植物活性分子检测分析仪将电信号形式的浓度信息转换成数字信号形式存储至工控机实现监测。本实用新型对于总结植物生长活动规律,精准调控植物生长发育具有重要意义。

标签:
化学分析
广东 - 广州 来源:中冶有色网 2023-03-19
利用单一纳米微粒的化学成分数据预测隐伏矿床的方法

本发明属于地质勘察的技术领域,具体涉及一种利用单一纳米微粒的化学成分数据预测隐伏矿床的方法。所述方法包括如下步骤:采集被检样品,将被检样品制备成测试样品,采用探针技术分析测试样品中的单一纳米微粒,并对单一纳米微粒中的元素进行定性和定量分析,根据分析得到的化学成分数据预测隐伏矿床。通过对测试样品中的元素进行定性和定量分析,根据所得到化学成分数据预测隐伏矿床,可以实现找矿数据由半定量到定量的质的飞跃,获得更精确、更丰富的关于隐伏矿体的信息,降低找矿成本。

标签:
化学分析
广东 - 广州 来源:中冶有色网 2023-03-19
基于磁微球化学发光法测定醋酸甲羟孕酮含量的方法及试剂盒和应用

本发明公开了一种基于磁微球化学发光法测定醋酸甲羟孕酮含量的方法及试剂盒和应用,检测方法灵敏、准确、快速、特异性强,还能搭配全自动化学发光免疫分析仪实现大批量样本的全自动检测。所述试剂盒组成成分包括:磁微球、MPA抗体工作液、吖啶酯标记物工作液、MPA标准品、底物液1、底物液2、浓缩提取液和浓缩洗涤液。本发明试剂盒的分析灵敏度为:0.057ppb;IC50为0.48ppb;精密性:分析内的变异系数(CV%)不大于8%,分析间的变异系数(CV%)不大于8%;准确度通过回收率实验进行测定,回收率为85%~120%之间;线性相关系数|r|不小于0.9800。

标签:
化学分析
广东 - 广州 来源:中冶有色网 2023-03-19
耦合传热及流场的腐蚀电化学测量装置及测量方法

本发明属于材料腐蚀与防护技术领域,涉及一种耦合传热及流场的腐蚀电化学测量装置及测量方法。采用均匀流道方式和电极表面两侧热传递的方式进行三电极电化学测试,能够较好的模拟金属在流动传热条件下的腐蚀规律,实现了测试界面温度分布均匀,热流分布均匀,温度和速度边界层厚度分布均匀,经过多物理场耦合模拟误差均在5%以内。本装置通过改变流量或流道可以调节流速,改变温度可以调节传热面的热流,可以实现变量独立或耦合的影响规律分析,结构耐高温、耐腐蚀、易于拆卸、密封效果好、操作便捷。

标签:
化学分析
广东 - 广州 来源:中冶有色网 2023-03-19
锝[99mTc]喷替酸盐注射液放射性化学纯度的检验方法

本发明涉及一种锝[99mTc]喷替酸盐注射液放射性化学纯度的检验方法,该方法包括以下步骤:将锝[99mTc]喷替酸盐注射液产品加样于层析纸下端,展开剂为水-正丁醇-乙腈-冰醋酸按体积比为3-5:3-5:1-2:0.5-1混匀,将层析纸悬于展开剂中展开,0.5-2分钟后,通过放射性色层自动扫描仪测定放射性组分的定量分布,从而测定产品的放射性化学纯度。与现有技术相比,本发明具有检测时间短、检测结果准确等优点。

标签:
化学分析
广东 - 广州 来源:中冶有色网 2023-03-19
红外光谱与在线电化学质谱联用的电化学测试装置

一种红外光谱与在线电化学质谱联用的电化学测试装置,包括位于上层的对电极模块、位于中层的流动电解池腔体模块和位于下层的红外光谱接口模块;流动电解池腔体模块包括电解池腔体、正极室、正极进液口、正极出液口、质谱进样口、送样口、参比电极接口、工作电极和参比电极,质谱进样口用于分离气体,气体从送样口中流出;对电极模块包括负极盖体、负极室、负极进液口、负极出液口、对电极接口和对电极;正极室与负极室之间通过离子交换膜隔开;红外光谱接口模块包括棱镜和红外光学窗口。本发明可将红外光谱的信号收集与质谱的采集进行集成,使采集的信号能够实现同频,且可以将工作电极和对电极隔开,属于电化学测试技术领域。

标签:
化学分析
广东 - 广州 来源:中冶有色网 2023-03-19
化学检验结果计算和数据处理软件包

本发明是化学检验结果计算和数据处理的计算机软件。广泛应用于食品、药品、化工产品、水质、环境保护检验等许多领域的化学检验中。软件至少包括准确度精密度计算、分光光度法Y=BX+A回归方程相关系数样品含量及检出下限计算、容量法、重量法计算、氟电极测氟计算、平行双样相对偏差计算和分析数值极端值判断功能等。用FOXPRO程序语言,将各种计算和数据处理功能,编成软件,采用链接方式集中组成一个软件包,使之能满足化学检验结果计算和数据处理的需要。使结果计算和数据处理十分快速准确方便。只需几秒钟即可完成一项计算。

标签:
化学分析
广东 - 广州 来源:中冶有色网 2023-03-19
利用界面电化学反应监测变压器油中糠醛含量的电化学监测仪器

本发明公开了一种利用界面电化学反应监测变压器油中糠醛含量的电化学监测仪器,包括机箱,以及设置在机箱内的控制系统、取样装置、检测池、检测装置、反应试剂供给装置,其中,所述的检测池具有贮液腔、加液口和排液口,所述取样装置输出端与检测池的加液口连接,所述反应试剂供给装置的溶液输出端与检测池的加液口连接,所述控制系统与取样装置、检测装置和反应试剂供给装置连接,并控制反应试剂供给装置和取样装置先后向检测池加入反应试剂和油样,以构建三相电化学反应界面,从而完成电化学反应。该监测仪器结构简单,维护运行成本低,并大大简化了检测过程,检测速度快,能对变压器油中糠醛含量进行实时监测。

标签:
化学分析
广东 - 广州 来源:中冶有色网 2023-03-19
用于制作α-羟丁酸脱氢酶测定用干化学试纸的反应液及干化学试纸

本发明公开了一种用于制作α‑羟丁酸脱氢酶测定用干化学试纸的反应液及干化学试纸。该干化学试纸包括反应显色层,该反应显色层含有α‑羟丁酸、辅酶I、黄递酶和在黄递酶催化下能够与NADH起显色反应的显色剂。本发明制作的干化学试纸与小型仪器联用,只需采集微量血液便可在短时间内测出α‑羟丁酸脱氢酶含量,操作便捷,无需专业人员操作,且显色的强度高、均匀度好、污染小,检测过程不依赖大型生化分析仪,能够满足特殊条件下的市场需求,尤其是急诊应用,较之传统的通过液体生化试剂进行检测的方法,该干化学试纸可以为急诊科、基层医院、家庭和小型诊所等提供一种能够方便快速测量α‑羟丁酸脱氢酶活性的方法。

标签:
化学分析
广东 - 广州 来源:中冶有色网 2023-03-19
臭氧浓度监测分析系统
臭氧浓度监测分析系统 1049     
 0

本实用新型公开了一种臭氧浓度监测分析系统,包括气泵采集空气模块、过滤罐过滤臭氧模块、电磁阀切换气路模块、电压采集模块和电化学气体传感器,所述气泵采集空气模块通过两条气路连接电磁阀切换气路模块,一条气路为气泵采集空气模块直接连接电磁阀切换气路模块,另一气路为气泵采集空气模块通过过滤罐过滤臭氧模块连接电磁阀切换气路模块,所述电化学气体传感器通过电压采集模块连接电磁阀切换气路模块。本实用新型与现有技术相比的优点在于:采用电化学气体传感器和微控制器技术实现实时监测大气中臭氧的浓度,以克服现有技术中电化学气体传感器受交叉干扰因子的影响使检测的臭氧浓度数据与实际偏差过大的缺点。

标签:
化学分析
广东 - 广州 来源:中冶有色网 2023-03-19
测定柴胡皂苷a含量的时间分辨荧光免疫分析法及试剂盒

本发明公开了一种测定柴胡皂苷a(SSa)含量的时间分辨荧光免疫分析法及试剂盒,属于含量测定的化学方法技术领域。本方法以兔抗鼠IgG包被96孔酶标反应板,与样品或标准品中的SSa竞争结合一定量的抗SSa的单抗;用稀土离子Eu3+标记SSa-HSA复合物作为示踪物。发光增强系统采用以β-二酮体为主的增强液。采用间接竞争法测定柴胡药材等样品中SSa的含量。方法学考察:该方法的灵敏度(检测限)为0.006ug/ml;检测范围为0.01~5ug/ml;批内CV平均值为7.3%;批间CV为9.08%;平均回收率为115.07%;标准曲线相关系数为0.9981。本发明建立的SSa的时间分辨荧光免疫分析法及试剂盒灵敏度高,检测范围宽,稳定性好,无毒性,尤其应用于大样本的检测时快速、高效,有良好开发使用价值。

标签:
化学分析
广东 - 广州 来源:中冶有色网 2023-03-19
便携式烟气分析测试仪

本实用新型涉及一种便携式烟气分析测试仪。本实用新型的便携式烟气分析测试仪包括,机箱和设置于机箱内部的缓冲瓶、紫外检测模块、电化学检测模块和采样泵,缓冲瓶内设置有吸收液;缓冲瓶上设置有第一进气口和第一排气口,第一排气口处穿设有进气管道,进气管道一端与采样口连通,进气管道的另一端淹没于吸收液,第一出气口设置于吸收液的液面上方;第一排气口通过第一导气管道与紫外检测模块连接;紫外检测模块通过第二导气管道与电化学检测模块连接。本实用新型所述的便携式烟气分析测试仪,通过采集β射线烟尘检测装置流出的烟气,经由缓冲瓶过滤水分后进行烟气分析,使得烟气分析装置的检测步骤更为简化,结构更为简单和紧凑。

标签:
化学分析
广东 - 广州 来源:中冶有色网 2023-03-19
化学机械抛光过程中抛光界面的温度检测装置

本实用新型提供了一种在不影响抛光工艺过程的前提下高精度地实时检测抛光界面温度的装置,还提供了利用检测到的温度信号进行抛光终点判断和抛光过程监控的方法。该温度检测装置由温度传感器、信号处理模块、导电滑环、信号接收装置、电源及连接各组件间的导线组成。其中,温度传感器的感温区域直接与被抛光工件的背面接触,传感器输出的弱信号经过信号处理模块处理后由导电滑环将其传输到信号接收装置,再由信号接收装置对信号进行采集、处理和显示等操作。

标签:
化学分析
广东 - 广州 来源:中冶有色网 2023-03-19
化学机械抛光过程中抛光界面的温度检测装置及温度信号的利用

本发明提供了一种在不影响抛光工艺过程的前提下高精度地实时检测抛光界面温度的装置,还提供了利用检测到的温度信号进行抛光终点判断和抛光过程监控的方法。该温度检测装置由温度传感器、信号处理模块、导电滑环、信号接收装置、电源及连接各组件间的导线组成。其中,温度传感器的感温区域直接与被抛光工件的背面接触,传感器输出的弱信号经过信号处理模块处理后由导电滑环将其传输到信号接收装置,再由信号接收装置对信号进行采集、处理和显示等操作。当从被抛光工件的一层材料层上去除另外一种材料层时,可以根据抛光界面温度的变化情况判断抛光终点。将抛光界面温度和同一工艺参数下抛光界面的正常温度范围对比,可以判断加工过程是否正常。

标签:
化学分析
广东 - 广州 来源:中冶有色网 2023-03-19
化学品物理危险性鉴定用远距检测装置

本实用新型公开了化学品物理危险性鉴定用远距检测装置,其包括盾板,所述盾板的底部固定连接有底座,所述底座两侧均安装有两个滚轮,所述盾板的内腔固定连接有十字圆板,所述十字圆板的表面转动连接有内转件,所述十字圆板的表面转动连接有与内转件外表面相贴合的外转件,所述十字圆板的内腔转动连接有定点转件,所述定点转件的内腔滑动连接有直杆。本实用新型通过盾板的设置,为使用者起到了保护的作用,避免使用者被喷射物所伤,通过转动夹杆、转动杆和联动钢丝的配合使用,可对远距离的物品进行夹持,通过内转件、外转件和定点转件的配合使用,使得直杆可以左右上下转动,即可达到能灵活调节使用和高安全性的目的。

标签:
化学分析
广东 - 广州 来源:中冶有色网 2023-03-19
实验室检测用具有分隔效果的化学药储存柜

本实用新型公开了一种实验室检测用具有分隔效果的化学药储存柜,包括主体仓和连接块,所述主体仓的内侧开设有定位卡槽,所述定位卡槽的内侧设置有放置仓一,所述放置仓一的内部下端开设有通风口,所述放置仓一的上表面后侧设置有定位转轴,所述连接块固定于放置仓一的右侧下端,所述连接块的上端设置有连接齿,所述连接齿的上端连接有调节齿轮,所述主体仓的内部下端固定有加热杆。通过设置的放置仓一与放置仓二能够对药瓶进行放置,并且设置的连接齿与调节齿轮能够使得放置仓一可以向外拉动,能够避免工作人员在拉动时导致外侧的药瓶掉落,还可以根据需要对指定的放置仓一进行推出,可以使得设备的实用性增加。

标签:
化学分析
广东 - 广州 来源:中冶有色网 2023-03-19
带空气检测器的化学药品箱

本发明公开了一种带空气检测器的化学药品箱,包括壳体以及设置在壳体上部的上构架,以及设置在壳体下部的下构架,上构架与壳体之间以及下构架与壳体之间均设置有密闭环,上构架的内部设置有上横杆,上横杆上固定设置有抽湿机,上构架上部的四脚分别设置有支块,支块的上部固定设置有面板,面板下部周绕设置有周沿,下构架内部设置有下横杆,下横杆上固定设置有送气装置,下构架的前后面上均设置有送气道,送气道内配合设置有隔尘罩,壳体的前端面上设置有拉门,壳体内部设置有置放板;本申请的结构简单,成本较低,适合推广使用。

标签:
化学分析
广东 - 广州 来源:中冶有色网 2023-03-19
用于化学检测试剂混合摇匀装置及其试剂混合容器

本实用新型公开一种用于化学检测试剂混合摇匀装置及其试剂混合容器,包括:盖体、第一弹簧、第二弹簧以及包括搅拌部的搅拌匙;所述盖体中部设有圆形的通孔,所述第一弹簧一端固定于所述盖体通孔内壁,另一端固定于所述搅拌匙外侧壁;所述第二弹簧一端固定于所述盖体通孔内壁,另一端固定于所述搅拌匙外侧壁;其中,所述第一弹簧的中心线和第二弹簧的中心线重合。可以使试剂充分混合,且由于外部手摇三角杯及其三角杯内部的直接搅拌同时进行,可以快速使试剂充分混合,提高效率。搅拌部的另一端由弹簧固定在盖体上,摇动过程中,可以使搅拌时在任意方向变动,当停止摇动时候,可以自动复位。

标签:
化学分析
广东 - 广州 来源:中冶有色网 2023-03-19
金属材料化学成分检测用电离装置

本实用新型涉及金属材料检测领域,具体为一种金属材料化学成分检测用电离装置,包括箱体,所述箱体的内腔由左及右依次固定安装有电离箱体、电解箱体和控制箱,所述电离箱体为空心结构,所述控制箱的底部固定连通有集热罩,所述集热罩的尾端连通有第一导管,所述第一导管的外端固定连通有第一风机。本实用新型通过第一风机将热量导入电离箱体的同时,同时能够通过温度传感器反馈温度数值,从而能够在温度不够的情况利用电热丝进行补充热量,当温度过高的情况第二风机导入自然风进行散热,从而保证温度始终处于最佳的电离温度条件,避免影响电离效果,同时进一步的提升了电离的效率,较为实用,适合广泛推广与使用。

标签:
化学分析
广东 - 广州 来源:中冶有色网 2023-03-19
基于银沉积信号放大的口岸猪流行性腹泻病毒电化学检测方法

一种基于银沉积信号放大的口岸猪流行性腹泻病毒电化学检测方法,属于生命科学技术领域。其检测原理为:将生物素修饰的猪流行性腹泻病毒PEDV探针1固定在链霉亲和素修饰的磁珠表面形成捕获元件1即MBs‑probe1,巯基SH修饰的PEDV探针2固定在金纳米颗粒表面形成捕获元件2即AuNPs‑probe2,当存在筛选出的PEDVN基因保守序列时,两段捕获元件与PDEVN基因保守序列杂交形成MBs‑probe1/AuNPs‑probe2/PEDV络合物,利用核酸外切酶Ⅲ切割双链DNA3’凹陷末端的特性对上述络合物进行切割并通过磁性分离收集信号元件AuNPs‑probe4,随后将收集的信号元件滴加在表面镀金并共价修饰有核酸探针probe3的丝网印刷电极表面,利用银沉积进行信号放大,最终经方波伏安法SWV测定的电流强度与PEDV浓度呈正相关。

标签:
化学分析
广东 - 广州 来源:中冶有色网 2023-03-19
便携式弱电化学检测仪
便携式弱电化学检测仪 1094     
 0

本实用新型公开了一种便携式弱电化学检测仪,包括矩形储物箱,矩形储物箱的内部活动连接有检测仪器并水平设置,矩形储物箱的内底部固定连接有第二定位矩形块并竖直设置,第二定位矩形块位于检测仪器的一侧,矩形储物箱的内底部远离第二定位矩形块的一端固定连接有第一定位矩形块并竖直设置,矩形储物箱的一侧贯穿有转动圆柱块并水平设置,转动圆柱块远离矩形储物箱的一端延伸至第一定位矩形块的一侧,转动圆柱块与第一定位矩形块、矩形储物箱均转动连接,通过设置定位圆形柱,定位圆形柱与圆形块连接,定位圆形柱的顶部滑动在第三圆形槽口内,方便对圆形块进行取下与安装,操作简单方便,提高工作效率,增加实用性。

标签:
化学分析
广东 - 广州 来源:中冶有色网 2023-03-19
多路闭合式双极电化学发光芯片及其在检测传感中的应用

本发明公开了一种多路闭合式双极电化学发光芯片及其在检测传感中的应用,该芯片包括一体化双性电极,驱动电极正、负极,支持通道和报告通道;所述一体化双性电极的一端为双性电极阴极;所述一体化双性电极的另一端分出若干个并联分支;所述的并联分支横跨一个以上的报告通道;所述的并联分支置于报告通道中的部分即为双性电极阳极。本发明芯片中,串联双性电极阳极与同一个双性电极阴极连接,这减少了双性电极阴极修饰过程,且能对不同样品来源的多靶标进行检测。就流经闭合式双性电极的电流而言,通过每个双性电极阳极的电流大小本质上是相同的,这更有利于考查不同区域的发光情况以评价检测的精准度。

标签:
化学分析
广东 - 广州 来源:中冶有色网 2023-03-19
化学性污染物快速检测仪

本实用新型涉及一种化学性污染物检测仪,其包括顺次连接的计算机、图像采集卡、摄像头、图像增强器、滤波器及透镜;还包括顺次连接的触发器、脉冲激光器及激光扩束器,激光扩束器位于脉冲激光器的正下方,摄像头与触发器电性连接;还包括样品控制系统,所述样品控制系统包括旋转平台、平台转轴及底座,所述旋转平台的上表面固定一样品固定座,所述旋转平台的下表面设有供平台转轴一端部嵌入的环形凹槽,所述平台转轴的另一端嵌入底座中,所述环形凹槽的外壁设有锯齿,还包括间歇式电机,所述间歇式电机的输出轴的末端设有齿轮,所述齿轮与锯齿啮合。本实用新型既保护待测样品不被击穿,又保证了检测的准确性。

标签:
化学分析
广东 - 广州 来源:中冶有色网 2023-03-19
用于检测肿瘤型M2丙酮酸激酶的化学发光免疫试剂盒

本发明属于医疗检测领域,具体涉及一种用于检测肿瘤型M2丙酮酸激酶的酶联免疫试剂盒及其制备方法。其包含的试剂有TU M2‑PK磁分离试剂,酶标记的TU M2‑PK抗体溶液,标准品,洗涤液以及化学发光底物溶液。

标签:
化学分析
广东 - 广州 来源:中冶有色网 2023-03-19
用于LAM化学发光免疫的检测试剂盒及方法

本发明公开了用于LAM化学发光免疫的检测试剂盒及方法,试剂盒包括:磁珠试剂,其中的磁珠上修饰有LAM捕获抗体;发光试剂,包括修饰有发光试剂的LAM检测抗体;样本稀释液,由10~200mM Tris‑HCl缓冲液,pH6.0~8.0,0.1~0.5M NaCl,0.01~0.5wt.% Tween‑20,0.1~5 wt.%BSA和0.5~5 wt.%PEG组成。本发明一些实例的检测试剂盒,可以有效地减少与非LAM特异性物质结合,且可以提高检测系统灵敏度与信号值,对于反应系统的提升有优化效果,且该试剂盒特异性高。

标签:
化学分析
广东 - 广州 来源:中冶有色网 2023-03-19
CRISPR/Cas13a结合电化学发光系统检测microRNA的方法与应用

本发明公开了一种CRISPR/Cas13a结合电化学发光系统检测microRNA的方法与应用。该方法包括如下步骤:利用Cas13a/crRNA复合体识别Target RNA,触发Cas13a非特异性剪切RNA探针的活性,从而剪切pre‑trigger;然后将得到的产物通过T4PNK酶去磷酸化处理后得到mature‑trigger,随后进行EXPAR反应,得到dsDNA产物;再将EXPAR扩增产物与含有“光开关”分子和TPrA的溶液进行混合后进行pBPE‑ECL检测,根据获得的有效信号值,即可实现miRNAs检测的目的。

标签:
化学分析
广东 - 广州 来源:中冶有色网 2023-03-19
上一页 66 67 68 69 70 ... 78 下一页
共78页    到第

中冶有色为您提供最新的广东广州有色金属化学分析技术理论与应用信息,涵盖发明专利、权利要求、说明书、技术领域、背景技术、实用新型内容及具体实施方式等有色技术内容。打造最具专业性的有色金属技术理论与应用平台!

全国热门有色金属设备推荐
展开更多 +
全国热门有色金属技术推荐
展开更多 +

 

江西省隆恩特环保设备有限公司
宣传

报名参会
更多+

报告下载

有色专家
更多+

鞍钢集团有限公司
中国工程院院士
中南大学
中国工程院院士
南方科技大学
外籍院士
武汉科技大学
校学术委员会主任 / 教授
北京科技大学
教授
赤泥综合利用研究报告2025
推广

热门技术
更多+

推荐企业
更多+

福建省金龙稀土股份有限公司
宣传

发布

在线客服

公众号

电话

顶部
咨询电话:
010-88793500-807