青岛垚鑫智能科技有限公司
宣传

位置:中冶有色 >

有色技术频道 >

> 化学分析技术

分类:
全部
矿山技术
冶金技术
材料制备及加工技术
环境保护技术
分析检测技术
 
全部
物理检测技术
化学分析技术
力学检测技术
无损检测技术
失效分析技术
环境检测技术
地区:
全部
北京
天津
上海
重庆
河北
山西
辽宁
吉林
黑龙江
江苏
浙江
安徽
福建
江西
山东
河南
湖北
湖南
广东
海南
四川
贵州
云南
陕西
甘肃
青海
内蒙
广西
西藏
宁夏
新疆
其他
其他
展开
 
全部

有色金属化学分析技术理论与应用

免费发布技术信息>>
晶态物质的闭孔孔隙率的分析测试方法

本申请提供一种晶态物质的闭孔孔隙率的分析测试方法,包括:获取晶态物质的真密度ρ1、理论密度ρ2和系统差ρ3;利用公式[ρ2/(ρ1‑ρ3)‑1]*100%计算得到晶态物质的闭孔孔隙率。本申请所述分析测试方法不受晶态物质的孔径大小限制,并且可以测量全范围粒径大小的晶态物质的闭孔孔隙率,适用范围广、操作简便、成本低。本申请利用X射线粉末衍射仪和真密度分析仪进行测试分析,不会破坏晶态物质结构。本申请仅使用仪器测试值计算得到闭孔孔隙率,不需要使用感光膜、切片等,也不需要化学试剂等有危害物质,对环境友好,绿色环保。

标签:
化学分析
福建 - 厦门 来源:中冶有色网 2023-03-19
存储器、基于FTIR的反应热效应测试分析方法、装置和设备

本发明公开了一种存储器、基于FTIR的反应热效应测试分析方法、装置和设备,该测试分析方法包括如下步骤:在慢速化学反应或低放热负荷化学反应过程中,同步进行反应量热测试与FTIR原位测试;将FTIR原位测试红外读取的活性官能团变化数据生成曲线,该曲线作为量热曲线的校准基准;将反应量热测试最终得到的热累积曲线相对于活性官能团变化曲线进行动态优化匹配,从而积分获取反应热效应曲线。本发明可以有效提高反应热数据的真实可靠性。

标签:
化学分析
北京 - 北京 来源:中冶有色网 2023-03-19
酶活测定用的电化学传感器及其制备方法、凝乳酶活性的电化学测定方法

本申请提供了一种酶活测定用的电化学传感器及其制备方法、凝乳酶活性的电化学测定方法,属于电化学传感器。本申请提供的酶活测定用的电化学传感器,制作简单,方便检测;且对电流信号变化敏感。利用该电化学传感器进行酶活的测定,不使用复杂的底物,操作过程简单,测量的精度高,特异性比较强,能较好的避免不必要的干扰;而且稳定性好,能重复使用,能降低检测的成本;同时测试反应的时间也较短,方便快速检测,具有较高的使用价值。

标签:
化学分析
云南 - 昆明 来源:中冶有色网 2023-03-19
分析物浓度测定的标准化校准

用来测定样本中分析物的有无和/或浓度的生物传感器系统测量装置包括标准化校准信息,该标准化校准信息使该装置响应于样本的分析物浓度生成的输出信号与之前测定的参考样本分析物浓度相联系。该测量装置利用这种标准化校准信息使来自样本的电化学或光学分析的一个或多个输出信号与样本中一种或多种分析物的有无和/或浓度相联系。标准化校准信息包括使由生物传感器系统的测量装置测量的输出信号标准化的标准化关系和使标准化输出信号与参考样本分析物浓度相联系的至少一种标准化参考相关性。

标签:
化学分析
其他 - 其他 来源:中冶有色网 2023-03-19
测不同工况用的便携式摩托车尾气分析仪

本实用新型涉及一种测不同工况用的便携式摩托车尾气分析仪,它以工业计算机主板为核心,工业计算机主板与触摸屏、液晶屏、微型打印机、信号转换和处理单元相连,气体流量测量单元、转速测量单元与信号转换和处理单元相连,气体采样单元连接气体电化学传感器,气体电化学传感器再与信号转换和处理单元相连,还包括为整个分析仪提供工作电源的电源模块。本实用新型能实时测量行驶中的不同工况下的摩托车所排尾气的流量、成份值和摩托车的车速,实现摩托车尾气的工况法多参数测量,有助于对尾气进行全方位的分析,符合国家相关标准的要求。

标签:
化学分析
浙江 - 杭州 来源:中冶有色网 2023-03-19
用于土工膜的监测传感系统

本发明提供一种用于土工膜的监测传感系统,包括:供电单元,具有两个采用非金属导电材料制成的供电电极,分别连接于主防渗土工膜的膜上和膜下,使得所述主防渗土工膜的膜上和膜下分别形成电场;若干监测传感电极,均匀排列于所述主防渗土工膜下,采集所述主防渗土工膜下对应位置的电势;其中,所述监测传感电极采用所述非金属导电材料制成;所述非金属导电材料由导电碳黑、石墨烯、碳纳米管、导电碳纤维、金属粉末中的一种或多种组合与非金属高分子聚合物混合形成。本发明通过在土工膜下布置采用非金属导电材料制成形成的若干监测传感电极,避免了使用金属电极带来的不能够抵抗酸碱和抗电化学腐蚀的问题和使用金属电极会破坏土工膜的潜在风险。

标签:
化学分析
上海 - 上海 来源:中冶有色网 2023-03-19
测量分析土壤或生物中铅-210的方法

本发明提供了一种测量分析土壤或生物中铅‑210的方法,所述方法通过铅树脂萃取得到样品液,并经液闪谱仪和电感耦合等离子体‑原子发射光谱测量样品液中的铅‑210,经本底计数率、探测效率和化学回收率的校正后,计算得出样品中铅‑210活度浓度。所述方法实现了对铅‑210的快速测量分析,分析周期较传统方法的1‑2天缩短为2‑3h,操作简单,易批量化,成本低,抗干扰能力强,稳定性和再现性好,铅‑210的化学回收率高,适用于多种情况下快速测量环境中铅‑210。

标签:
化学分析
山东 - 烟台 来源:中冶有色网 2023-03-19
基于电化学DNA生物传感器的1,8-二氨基萘的测定方法

一种基于电化学DNA生物传感器的1,8-二氨基萘的测定方法。本发明属于基于hairpin?DNA修饰的金电极进行1,8-二氨基萘检测的电化学检测和化学传感器技术领域,涉及一种对1,8-二氨基萘有电化学响应的hairpin?DNA修饰的金电极的制备以及运用此电极1,8-二氨基萘的检测。具体的以双硫修饰的hairpin?DNA为原料,通过金-硫键作用自组装到金电极表面制备hairpin?DNA修饰电极。此hairpin?DNA电极与1,8-二氨基萘作用后,导致DNA膜层的阻抗发生变化,根据其响应的阻抗的变化可以对1,8-二氨基萘进行检测。该DNA传感器制备方法条件温和,简单方便,稳定性好,且具有高灵敏度且操作简单等优点。

标签:
化学分析
北京 - 北京 来源:中冶有色网 2023-03-19
分析测定伊贝母中贝母素甲、贝母素乙和西贝母碱苷含量的方法

本发明涉及一种分析测定伊贝母中贝母素甲、贝母素乙和西贝母碱苷的方法。该方法采用高效液相色谱-质谱联用技术对贝母素甲、贝母素乙和西贝母碱苷三种主要活性成分进行定量测定,经方法学考察试验,确认此方法简便快捷、结果准确、重现性好,是伊贝母中化学成分含量测定的有效手段。

标签:
化学分析
新疆 - 乌鲁木齐 来源:中冶有色网 2023-03-19
基于脉冲充放电测试的动力电池内阻构成分析方法

发明提供了一种基于脉冲充放电测试的动力电池内阻构成分析方法。本方法包括将调节至所需要测试的SOC值、测试交流内阻值、以恒定电流脉冲放电并获得脉冲放电过程端电压时间序列、搁置、以恒定电流脉冲充电并获得脉冲充电过程端电压时间序列以及分析以上端电压时间序列并分别获得脉冲放电和充电过程动力电池的电化学极化内阻值和浓差极化内阻值等步骤。本发明使用简单方便的步骤获得构成动力电池内阻组成的欧姆内阻、电化学极化内阻和浓差极化内阻,方法科学合理,稳定性好且不依赖于昂贵和复杂的仪器。

标签:
化学分析
上海 - 上海 来源:中冶有色网 2023-03-19
基于“顶-坡-洼”叠合过程分析的深部古老层系储层质量预测方法

本发明提供基于“顶‑坡‑洼”叠合过程分析的储层质量预测方法,涉及石油天然气勘探与开发技术领域;包括以下步骤:S1、根据地震资料,分析目标储层的现今构造特征;S2、恢复平衡剖面,分析该储层自沉积起,所经历的构造演化过程;S3、依据储层“顶‑坡‑洼”叠合过程,分析储层成岩地球化学体系开放性和封闭性演化过程;S4、确定不同地化体系下的成岩作用;S5、储层质量分类评价及空间分布预测。本发明利用地震数据,分析不整合、上覆地层、埋藏深度等信息的基础上,分析构造/地化体系演化过程,预测不同级别储层分布规律,解决了深部古老层系多期次构造叠合背景下的储层分布及钻前预测问题。

标签:
化学分析
山东 - 青岛 来源:中冶有色网 2023-03-19
利用界面电化学反应监测变压器油中糠醛含量的电化学监测仪器

本发明公开了一种利用界面电化学反应监测变压器油中糠醛含量的电化学监测仪器,包括机箱,以及设置在机箱内的控制系统、取样装置、检测池、检测装置、反应试剂供给装置,其中,所述的检测池具有贮液腔、加液口和排液口,所述取样装置输出端与检测池的加液口连接,所述反应试剂供给装置的溶液输出端与检测池的加液口连接,所述控制系统与取样装置、检测装置和反应试剂供给装置连接,并控制反应试剂供给装置和取样装置先后向检测池加入反应试剂和油样,以构建三相电化学反应界面,从而完成电化学反应。该监测仪器结构简单,维护运行成本低,并大大简化了检测过程,检测速度快,能对变压器油中糠醛含量进行实时监测。

标签:
化学分析
广东 - 广州 来源:中冶有色网 2023-03-19
基于细胞代谢轮廓分析构建抗肿瘤候选化合物作用机制预测模型的方法

本发明属于细胞生物学和分析化学领域,涉及一种基于细胞代谢轮廓分析构建抗肿瘤候选化合物作用机制预测模型的方法。本发明采用LC‑MS/MS技术分析12种肿瘤细胞在给予临床上常用的4类抗肿瘤药(破坏DNA结构类,抗代谢类,干扰RNA合成类和影响微管蛋白类)后细胞内代谢物的变化,经多元统计分析找出与药物作用机制相关的52个差异代谢物,应用化学计量学方法建立基于这四类作用机制的预测模型。并验证了模型的稳定性和准确性,考察模型的适用范围。本发明通过细胞代谢轮廓研究方法将细胞内差异代谢物与抗肿瘤药物作用机制直接联系起来,结合生物信息学方法建立一种抗肿瘤候选化合物机制预测模型。该模型可应用于抗肿瘤活性成分的作用机制初步研究。

标签:
化学分析
辽宁 - 沈阳 来源:中冶有色网 2023-03-19
X射线荧光分析法测定煤的灰分的方法

本发明是关于一种X射线荧光分析法测定煤的灰分的方法,其包括:1)将煤样品粉磨,制成粉末压片,用XRF分析仪测定粉末压片样品中各氧化物对应元素的X射线荧光强度Ii;2)令D=4.0;3)计算各氧化物的质量百分数Ci,各氧化物质量百分数的总和SUM和各氧化物的归一化质量百分数C0i;4)求得的二氧化硅质量百分数,计算D值;5)利用步骤4)求得的D值,重复步骤3)和步骤4);6)迭代至SUM=1.00000±0.00001时,用步骤4求得的D值计算煤的灰分A。本发明通过测量煤中可燃烧的碳成分与灰分之比,进而计算煤的灰分,测定结果不受煤灰分化学成分变化的影响。

标签:
化学分析
北京 - 北京 来源:中冶有色网 2023-03-19
原位同步观测和分析锂离子电池电极反应的方法

本发明提供一种原位同步观测和分析锂离子电池电极反应的方法,包括以下步骤:锂离子电池的制备,负极是金属锂、观察对象为正极、电解质是固态电解质、导电胶作为正极集流体;锂离子电池的封装和转移,在于电池在封装盒中进行封装和转移、封装盒内可抽为负压、当盒外的压力小于盒内时,盒盖可自行弹开恢复自然状态;锂离子电池体系与电化学性能测试仪器相连,本发明在一台计算机上同时控制扫描电子显微镜和电化学性能测试仪器,电化学反应与观测同步进行,实现了对电极材料在充放电过程中的微观形貌、结构以及成分的变化进行同步原位观测和分析的目。

标签:
化学分析
广西 - 桂林 来源:中冶有色网 2023-03-19
化学防护服耐液态化学品渗透性能测试系统

本实用新型涉及一种化学防护服耐液态化学品渗透性能测试系统,包括渗透测试池、超滤装置、蠕动泵和离子色谱分析仪,所述渗透测试池的出口端与所述超滤装置的进口端连接,所述超滤装置的出口端与所述蠕动泵的进口端连接,所述蠕动泵的出口端与所述离子色谱分析仪的进口端连接。本实用新型的实验系统能够满足国家标准要求,并且准确稳定地对化学防护服渗透性能进行高效快捷的检测。

标签:
化学分析
北京 - 北京 来源:中冶有色网 2023-03-19
黑骨藤中咖啡酰基奎宁酸类成分含量测定及聚类分析方法

本发明公开了黑骨藤中咖啡酰基奎宁酸类成分含量测定及聚类分析方法。通过HPLC‑UV法测定黑骨藤乙酸乙酯部位咖啡酰基奎宁酸类成分含量结合聚类分析、主成分分析及偏最小二乘判别分析综合评价黑骨藤药材质量。本发明具有通过对6种咖啡酰基奎宁酸类成分含量测定结合化学计量法,可以进一步针对黑骨藤抗类风湿性关节炎的功效品质进行评价,为黑骨藤质量控制提供参考依据,本发明所述方法稳定性好,重复性良好,准确度高,对黑骨藤化学成分分离效果好,色谱峰分离较好,响应值较高信息较完全的有益效果。

标签:
化学分析
贵州 - 贵阳 来源:中冶有色网 2023-03-19
基于层次分析法的成矿预测方法

本发明提供了一种基于层次分析法的成矿预测方法,具体包括:基于遥感影像数据进行地质特征解译;基于遥感影像数据进行蚀变异常区圈定;基于已有的地质资料,通过地球化学水系沉积物测量,进行蚀变带内的地球化学异常区圈定;将地质特征解译结果、蚀变异常区圈定结果和地球化学异常区圈定结果作为成矿影响因子,利用层次分析法计算各成矿影响因子的权重;将地质特征解译结果图、蚀变异常区圈定结果图和地球化学异常区圈定结果图叠加,根据各成矿影响因子的权重,计算叠加图中各像素点的综合权重值,并根据所述综合权重值,圈定成矿预测区。本发明提供的方法考虑的成矿影响因子更全面,各成矿影响因子的权重计算更准确,成矿预测结果的误差更小。

标签:
化学分析
四川 - 成都 来源:中冶有色网 2023-03-19
生物分子分析测试系统

一种生物分子分析测试系统,包括:第一样品通道,其两侧设置第一电极对;第二样品通道,其两侧设置第二电极对;第一电极对之间配置含有第一电化学活性分子的第一溶液;所述第二电极对之间含有与所述第一电化学分子电性不同的第二电化学活性分子的第二溶液;根据样品的体积分量比以及电荷分量比,通过样品在与其电性相同的溶液中的电流变化值,确定样品的体积电流变化值以及电荷电流变化值,从而确定样品参数。本发明能够用于核酸、氨基酸、蛋白质、花粉、病毒、细胞、有机粒子或无机粒子等的分析测试。

标签:
化学分析
北京 - 北京 来源:中冶有色网 2023-03-19
基于主成分分析的橙桔类饮料果汁含量测定方法

本发明涉及一种基于主成分分析的橙桔类饮料果汁含量的测定方法。本发明提供方法通过液相色谱的分离技术,借助化学计量学方法,对橙桔类饮料果汁含量进行测定。方法包括将橙桔类饮料样品进行超声提取等处理,通过HPLC-DAD采集橙桔类饮料果汁样本色谱数据,将所获得的色谱数据经过预处理后进行主成分分析,通过计算得出橙桔类饮料的果汁含量。本发明方法,实现了对未知橙桔类饮料果汁含量的测定,结果准确可靠。

标签:
化学分析
上海 - 上海 来源:中冶有色网 2023-03-19
用X射线荧光光谱分析法测定铁矿石中镍铬铜的方法

本发明涉及一种用X射线荧光光谱分析法测定铁矿石中镍铬铜化学成分的方法,技术方案是:熔剂和试样的比例为8:1.5,用偏硼酸锂和四硼酸锂混合熔剂熔制成玻璃片后,直接用X射线荧光光谱分析仪扫描,测定镍、铬、铜的强度,根据强度与含量确定线性关系,然后根据镍、铬、铜的强度,计算其中镍、铬、铜的含量。本发明的积极效果是:在测定钙、镁、硅、铝、钛、锰、磷等元素的同时测定镍、铬、铜的含量,准确度和精密度均优于传统的化学分析方法;具有科学性、先进性、适用性、可推广性,分析时间短、准确度高、重复性好、无污染等特点。

标签:
化学分析
河北 - 唐山 来源:中冶有色网 2023-03-19
用于制作α-羟丁酸脱氢酶测定用干化学试纸的反应液及干化学试纸

本发明公开了一种用于制作α‑羟丁酸脱氢酶测定用干化学试纸的反应液及干化学试纸。该干化学试纸包括反应显色层,该反应显色层含有α‑羟丁酸、辅酶I、黄递酶和在黄递酶催化下能够与NADH起显色反应的显色剂。本发明制作的干化学试纸与小型仪器联用,只需采集微量血液便可在短时间内测出α‑羟丁酸脱氢酶含量,操作便捷,无需专业人员操作,且显色的强度高、均匀度好、污染小,检测过程不依赖大型生化分析仪,能够满足特殊条件下的市场需求,尤其是急诊应用,较之传统的通过液体生化试剂进行检测的方法,该干化学试纸可以为急诊科、基层医院、家庭和小型诊所等提供一种能够方便快速测量α‑羟丁酸脱氢酶活性的方法。

标签:
化学分析
广东 - 广州 来源:中冶有色网 2023-03-19
串联电解池溶出分析血铅测量装置

本发明公开了一种串联电解池溶出分析血铅测量装置,属于电化学分析技术领域,串联电解池溶出分析血铅测量装置由大面积的薄层玻碳电解池与小面积的薄层玻碳电解池以串联方式连接组合制成,大面积薄层玻碳电极与小面积薄层玻碳电极固定在聚四氟乙烯池体内,其中,两个电极之间设有薄层通道。注射泵通过缓冲管连接多通道选择阀中心,多通道选择阀0号位通过导管连接血液抗凝剂瓶中,1号位通过导管连接被测液瓶中,2号位通过导管连接到铅标准溶液瓶中,3号位通过液体导管连接薄层通道中。聚四氟乙烯池中的饱和甘汞电极大面积薄层玻碳电极、对电极、参比电极通过导线连接主控板;聚四氟乙烯池右端的废液流出管连接到废液瓶中,主控板与微型计算机连接。

标签:
化学分析
黑龙江 - 齐齐哈尔 来源:中冶有色网 2023-03-19
烟气成分监测便携式烟气分析仪

本实用新型公开了一种烟气成分监测便携式烟气分析仪,包括外壳体,所述导气管内壁镶嵌有电化学传感器,且电化学传感器与分析仪主机电性连接,所述导气管另一端连通有安装槽,且安装槽内壁固定连接有固定扣块,所述安装槽内壁安装有过滤块,且安装槽另一侧连通有出气口,所述出气口一侧穿插有密封块,且密封块与外壳体相连接,所述进气口另一侧安装有封闭盖。该烟气成分监测便携式烟气分析仪的结构为箱型结构,方便通过提拉把手进行便携提拿,并且可以通过进气口进行螺旋安装,方便稳定导气,从而可以通过电化学传感器进行分析,并且在分析仪主机上显示,而出气口和导气管之间可以通过过滤块对烟气进行适当过滤,环保性更强,使用更方便。

标签:
化学分析
内蒙 - 乌兰察布 来源:中冶有色网 2023-03-19
用于分析物的自动量化的方法以及用于实施该方法的NMR-测量设备

提出一种用于自动地量化测试样品中的分析物的方法,其至少包括:提供1D‑NMR‑频谱和2D‑NMR‑频谱;提供关于至少一种待量化的分析物的至少一个信息;使用至少一种所提供的信息,从测得的2D‑NMR‑频谱求取待量化的分析物的NMR‑信号的化学位移;求取待量化的分析物的NMR‑信号的预期波峰‑位置;从测得的1D‑NMR‑频谱求取测得的波峰‑位置;使用预期波峰‑位置和实际上的波峰‑位置来求取干扰信号‑波峰‑位置;使用所求取的干扰信号‑波峰‑位置,使用所求取的化学位移,以及使用至少一个所提供的信息,对1D‑NMR‑频谱建模;对建模的1D‑NMR‑频谱进行积分;通过内部的或外部的参考物来量化分析物。还提出一种用于实施该方法的NMR‑测量设备。

标签:
化学分析
其他 - 其他 来源:中冶有色网 2023-03-19
测定痕量镉的分析试剂及其制备方法和应用

本发明公开了一种新的测定痕量镉的分析试剂,其具有通式(I)的化学结构。该分析试剂的合成分两步反应,先用对氨偶氮苯重氮化,生成的重氮盐再和8-氨基喹哪啶偶合即得。本发明基于新合成的分析试剂,建立了一种测定镉的新方法。由于方法富集倍数达50倍,固相萃取高倍数富集弥补了吸光光度法灵敏度相对较低的缺点,使普通光度法可测定μg/g级含量的镉;方法测定结果用石墨炉原子吸收法作对照,结果相符合。

标签:
化学分析
云南 - 昆明 来源:中冶有色网 2023-03-19
用于分析物测量的开路延迟装置、系统和方法

本发明涉及用于分析物测量的开路延迟装置、系统和方法。本发明提供的系统包括测试条、参考电压电路、连接到参考电压电路的运算放大器以提供与施加于第一线的测试电压基本相等的预定分数参考电压,运算放大器具有配置用于与第一线连接或断开之一的输出端,以及连接到运算放大器的输出端及第一线的处理电路,从而在输出端和第一线的断开状态期间,处理电路保持与第一线连通。本发明提供测量电化学测定池的电化学反应的方法,包括施加测试电压到第一电极且将第二电极接地;将第一电极从电路输出端上解耦同时允许从第一电极到处理器的电连通;及耦合第一电极到输出端以在没有未经补偿的压降下测量产生在电化学测定池中的测试电流。

标签:
化学分析
其他 - 其他 来源:中冶有色网 2023-03-19
基于图像分析的土壤速效磷的测定方法

本发明涉及土壤化学分析,特指一种基于图像分析的土壤速效磷的测定方法,将含磷待测液与显色剂反应进行,显示出蓝色,其蓝色深浅可以用蓝色度来表征,蓝色度与磷含量呈高度线性相关。利用图像分析软件获取土壤待测液以及标样的图像平均蓝色度,建立标样的浓度与标样的平均蓝色度值的线性方程Y=A-BX(这里Y为标样的浓度,X为标样的平均蓝色度值,A,B为常数)。将待测液的平均蓝色度值代入上述方程,获取含磷待测液的磷浓度,再算出土壤速效磷的含量。本发明比试纸法精确度高,比传统比色法操作简单,且适应浓度高的土壤速效磷。

标签:
化学分析
贵州 - 贵阳 来源:中冶有色网 2023-03-19
锌白铜的无氰化分析测定方法

本发明公开了一种锌白铜的无氰化分析测定方法,是使用X荧光分析仪与计算机相连,利用EDX3000全元素分析程序,通过配制铜、锌、镍合成标准样品,建立锌、镍分析曲线,分析测定锌白铜中锌、镍元素的含量。本发明结果重现性好、精密度高、准确性可靠,测试速度快,仅需10min左右,还能同时测出锌白铜中锌元素和镍元素百分含量。与锌白铜中铜、锌、镍的国家标准分析方法相比较,本发明所用化学试剂少,在测试过程中除只用(1+1)的硝酸10ml外溶解试样外,不需使用氰化钾、甲醛等有毒化学药品,实现了锌白铜的无氰化分析测试,真正做到了安全、环保、节能和高效。

标签:
化学分析
贵州 - 遵义 来源:中冶有色网 2023-03-19
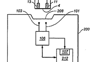
与电化学发光同时测量的超分辨电化学成像测量装置

本发明提供一种新型的与电化学发光同时测量的超分辨电化学成像测量装置,示意图如图1所示。由计算机1、双恒电位仪2、压电晶体控制器3、三维压电晶体4、光电倍增管检测系统5、光电倍增管检测器6、检测池7、探针8、参比电极9、对电极10和被测基底样品11组成。其中探针8、参比电极9、对电极10和被测基底样品11组成四电极检测系统。双恒电位仪2用于在探针8和被测基底样品11之间施加电化学激励信号,光电倍增管检测器6检测电化学发光信号的同时双恒电位仪2检测探针8上的电流信号,结合三维压电晶体4纳米级别的位移分辨率来实现超高分辨率的电化学发光信号成像检测和电化学电流信号成像检测。该成像系统的成像分辨率取决于探针电极的尺度及探针的空间位移分辨率,因此可以突破以往光学成像分辨率的限制,实现纳米级别的成像分辨率。

标签:
化学分析
江苏 - 南通 来源:中冶有色网 2023-03-19
上一页 2017 2018 2019 2020 2021 ... 2305 下一页
共2305页    到第

中冶有色为您提供最新的有色金属化学分析技术理论与应用信息,涵盖发明专利、权利要求、说明书、技术领域、背景技术、实用新型内容及具体实施方式等有色技术内容。打造最具专业性的有色金属技术理论与应用平台!

全国热门有色金属设备推荐
展开更多 +
全国热门有色金属技术推荐
展开更多 +

 

江西省隆恩特环保设备有限公司
宣传

报名参会
更多+

报告下载

有色专家
更多+

昆明理工大学
教授
江西铜业集团有限公司
党委书记、董事长
中国瑞林工程技术有限公司
中国工程院院士
江西理工大学
教授
中冶沈勘秦皇岛工程技术有限公司
原矿山院院长/教授级高工
赤泥综合利用研究报告2025
推广

热门技术
更多+

推荐企业
更多+

福建省金龙稀土股份有限公司
宣传

发布

在线客服

公众号

电话

顶部
咨询电话:
010-88793500-807