青岛垚鑫智能科技有限公司
宣传

位置:中冶有色 >

有色技术频道 >

> 化学分析技术

分类:
全部
矿山技术
冶金技术
材料制备及加工技术
环境保护技术
分析检测技术
 
全部
物理检测技术
化学分析技术
力学检测技术
无损检测技术
失效分析技术
环境检测技术
地区:
全部
北京
天津
上海
重庆
河北
山西
辽宁
吉林
黑龙江
江苏
浙江
安徽
福建
江西
山东
河南
湖北
湖南
广东
海南
四川
贵州
云南
陕西
甘肃
青海
内蒙
广西
西藏
宁夏
新疆
其他
其他
展开
 
全部

有色金属化学分析技术理论与应用

免费发布技术信息>>
多用途太阳能热化学反应测试系统

本公开提供一种多用途太阳能热化学反应测试系统,包括:高能流太阳模拟装置,用于模拟高能流太阳能光线并将高能流太阳能光线射入热化学反应装置。蒸汽发生装置,用于产生高温水蒸气并将高温水蒸气输入热化学反应装置。第一载气存储装置,用于将存储的烷烃气体输入热化学反应装置。第二载气存储装置,用于利用存储的惰性气体将碳氢固体燃料输入热化学反应装置;进料装置,用于投入碳氢固体燃料并控制进料速度;热化学反应装置,基于高能流太阳能光线提供的热量驱动高温水蒸气和碳氢固体燃料进行碳氢固体燃料气化反应产生气化合成气或驱动高温水蒸气和烷烃气体进行烷烃气体重整热化学反应产生重整合成气;气体分析装置,用于对合成气进行成分分析。

标签:
化学分析
山东 - 青岛 来源:中冶有色网 2023-03-19
生物化学检验用的样品提取装置

本实用新型公开了一种生物化学检验用的样品提取装置,包括底座,立柱的顶部连接有工作台,工作台上开设有通槽,通槽下方设有支撑板,支撑板的顶部设有储样盒,工作台的顶部连接有取样壳体,取样壳体的内腔顶部开设有导向槽,导向槽内转动连接有丝杆,螺母座的底部连接有第二电动伸缩杆,第二电动伸缩杆的底部连接有横杆,横杆左端连接有安装架,安装架上连接有气动夹爪,取样壳体的内腔右侧壁连接有多组灭菌灯,取样壳体的左侧壁安装有仓门,取样壳体的右侧壁连接有控制面板;本实用新型结构设计合理,能够提供一个无菌密封的取样环境,减少环境影响,有助于提高生化检验结果的准确性,便于对取样部件进行清洁处理,方便后续使用。

标签:
化学分析
山东 - 青岛 来源:中冶有色网 2023-03-19
使用水凝胶对分析物取样和分析的系统和方法

本发明涉及经皮分析物监控系统,该系统包含适合于和生物膜连接并接收来自生物膜的分析物的介质以及包含由多个电极组成的电极组件,其中所述介质适合连续地和所述分析物反应,通过电极组件检测电信号,且电极信号和分析物的值关联。分析物的值可以是该分析物通过生物膜的流量或该分析物在受试者体液中的浓度。介质可包含例如基于醋酸乙烯酯的水凝胶、基于琼脂糖的水凝胶或基于聚乙二醇二丙烯酸酯(PEG-DA)的水凝胶。电极的表面区域可包含纯铂。该系统可包括位于生物膜和电极组件之间用于减少系统内干扰的干涉过滤器。该系统可包括经编程以执行校正传感器漂移的误差校正法的处理器。

标签:
化学分析
其他 - 其他 来源:中冶有色网 2023-03-19
城市道路表面腐蚀性化学污染物累积含量的预测方法

本发明涉及道路表面污染物预测方法,更具体的说是一种城市道路表面腐蚀性化学污染物累积含量的预测方法,包括采集数据,采集研究区域内用于构建预测模型的多维数据;构建预测模型,设置输入数据为研究区域的多维数据,输出数据为路面腐蚀性污染物累积含量;评价和反馈调试,根据所述道路表面腐蚀性化学污染物在各研究区域的累积含量,对构建的预测模型进行可靠性评价和反馈调试;进行预测,根据可靠性评价和反馈调试后的所述预测模型,对整个城市范围内道路表面腐蚀性化学污染物的累积含量进行预测可以通过着重于腐蚀性污染物对汽车产品的腐蚀过程分析,并基于环境大气数据,对城市道路表面腐蚀性化学污染物累积含量进行预测。

标签:
化学分析
天津 - 天津 来源:中冶有色网 2023-03-19
借助酶测量生物化合物的电化学系统

系统包括用于容纳电化学传感器的电子测量仪,该电化学传感器包括衬底,该衬底支承用来将测量电极和参考电极连接到测量仪上的集流器。该测量电极涂敷有试剂,该试剂至少包括要进行分析的体液中的生物化合物的特异酶;该测量仪可施加至少两个不同的温度,以使得能够将来自待分析化合物的信号与来自其它生物化合物的干扰信号区分开来。还公开了以葡萄糖脱氢酶作为酶测量血液中的葡萄糖而不干扰麦芽糖的应用。

标签:
化学分析
其他 - 其他 来源:中冶有色网 2023-03-19
化学产品质量检验用溶解装置

本实用新型公开了一种化学产品质量检验用溶解装置,包括溶解釜和搅拌机构,搅拌机构包括第一搅拌组件、第二搅拌组件及箱体,第一搅拌组件包括第一电机和第一搅拌杆,第一搅拌杆与第一电机连接,第一搅拌杆的外壁固定设有第一扩充杆;第二搅拌组件包括第二电机、主动伞齿轮及第二搅拌杆,主动伞齿轮位于箱体内部且与第二电机驱动连接,第二搅拌杆水平与箱体的两侧壁转动连接,第二搅拌杆上外套固定有第一从动伞齿轮,第一从动伞齿轮与主动伞齿轮啮合,第二搅拌杆的相对两端分别设有搅拌器,第二搅拌杆的相对两端分别与两个出料口相对。本实用新型解决了现有技术中存在的对检验对象的搅拌力度不够、搅拌杆容易断裂及出料口容易堵塞的技术问题。

标签:
化学分析
山东 - 济南 来源:中冶有色网 2023-03-19
用于溶液中化学物质的含量的光度测量的设备

本发明涉及一种设备,用于溶液中化学物质的含量的光度测量,包括:灯(1),其发射预定波长范围中的电磁辐射;第一测量分支(MB)中的第一接收单元(6),其接收以第一波长透射穿过溶液的辐射;参考分支(RB)中的第二接收单元(7),其接收以第二波长透射穿过溶液的辐射;和调节/分析单元(8),其依赖于测量位置的当前条件,使用由测量分支(MB)或参考分支(RB)确定的强度值,以调节灯(1)发射的辐射强度,使得得到的测量值高度可靠。

标签:
化学分析
其他 - 其他 来源:中冶有色网 2023-03-19
慢应变速率拉伸条件下高温应力腐蚀环境电化学测试装置

一种慢应变速率拉伸条件下高温应力腐蚀环境电化学测试装置。其包括电子万能材料试验机、高温炉和高温电化学测试系统;高温炉设置在电子万能材料试验机的内部空间中;高温电化学测试系统包括参比电极、辅助电极、工作电极、耐高温电解池、智能控温系统和电化学工作站;本发明中辅助电极和参比电极密封于耐高温电解池内壁中,因此使得高温测试过程中电极受热均匀,保证能够更稳定地运行;工作电极同样采用内嵌导线的方式与电化学工作站相连,使得连接更加牢固。本装置稳定可靠,适用于慢应变速率拉伸条件下100~300℃范围内的高温应力腐蚀环境的电化学测试,能实现高温应力腐蚀过程中电化学的稳定测试和分析。

标签:
化学分析
天津 - 天津 来源:中冶有色网 2023-03-19
抗干扰电化学传感器及其测试方法

本发明公开了一种抗干扰电化学传感器及其测试方法。抗干扰电化学传感器包括电极基板和绝缘基板,此外还包括绝缘盖板,电极基板上设有工作电极和参考电极,绝缘基板上开设有样品孔,生物化学试剂涂敷在所述绝缘盖板上。测试时,先使待测样品液中的干扰物在工作电极上被消耗,然后再通过将绝缘盖板上的生物化学试剂与待测样品液接触,使生物化学试剂与待测样品液中的目标分析物发生化学反应并生成反应产物,反应产物再在工作电极上发生电化学反应,从而在时间上将干扰物与反应产物的电化学电流信号分开,实现抗干扰的目的。

标签:
化学分析
浙江 - 杭州 来源:中冶有色网 2023-03-19
连续测定化学需氧量的方法及装置

本发明揭示了一种可避免二次污染的连续测定化学需氧量的方法和装置,是一种以样品作流动液,试剂作注射液的反相流动注射分析法。测试过程中样品和试剂都由动力装置输入,先反应,后过滤。采用本发明的测试方法,可对原样样品进行连续自动测定,反应时间仅10~20分钟,氯离子在5000毫克/升以下不受干扰,测试精密度高,相对标准偏差一般为1.6~7.0%,与经典法相比,存在线性相关,相关系数>0.9。

标签:
化学分析
上海 - 上海 来源:中冶有色网 2023-03-19
具有寿命实时预测功能的热源塔化学热泵

本发明公开了具有寿命实时预测功能的热源塔化学热泵,包括热源塔化学热泵本体和设置在热源塔化学热泵本体上的智能监测系统,所述系统包括监测模块、数据处理模块、安全状态评估模块、预警报警模块和仿真显示模块,其中监测模块包括无线传感器网络、应变传感器组件和位移传感器,数据处理模块包括采集中心站、信号调理器和信号传输装置,安全状态评估模块包括微处理器,预警报警模块包括分析处理器和报警器,仿真显示模块包括三维GIS仿真平台。本发明实现了对热源塔化学热泵健康的实时监控,并且能够根据监测数据预测热源塔化学热泵的剩余寿命,精确智能。

标签:
化学分析
浙江 - 宁波 来源:中冶有色网 2023-03-19
基于质谱分析的毒品快速采集与分析方法及系统

本发明提出基于质谱分析的毒品快速采集与分析方法与系统,属于毒品检测技术领域。方法包括步骤S100:预先建立标准质谱数据库;S200:获取待检测样品的样品质谱图;S300确定待检测样品的潜在毒品范围;S400:确定待加载的毒品分析模型;S500:加载所述毒品分析模型,得到所述待检测样品的毒品分析结果。系统包括标准质谱数据库、样品质谱图获得子系统、潜在毒品范围确定子系统、毒品分析模型确定子系统以及定量分析子系统。若无法确定待检测样品的潜在毒品范围,则执行荧光免疫分析和化学计量后更新所述标准质谱数据库。本发明的技术方案可以非靶向的实现毒品快速采集与分析的同时实现数据库动态更新。

标签:
化学分析
福建 - 福州 来源:中冶有色网 2023-03-19
实现化学防护服耐酸碱液渗透测试的装置

本实用新型涉及一种实现化学防护服耐酸碱液渗透测试的装置,包括测试室、收集室,测试室与收集室之间夹设有待测试的面料测试样,面料测试样两面分别与测试室、收集室紧密接触,测试室顶部开设有测试液进口,测试室底部开设有测试液出口,收集室前侧设有收集液闭路出口,收集室后侧设有收集液闭路进口,收集液闭路出口通过收集液导管、循环泵连接收集液闭路进口,收集液闭路出口、收集液导管、循环泵、收集液闭路进口构成闭路测试回路,收集室上方的收集液入口处插入有酸碱度分析仪,酸碱度分析仪与CAD测试数据收集端相连;本实用新型能够实现化学防护服耐酸碱液渗透性能的测试,且操作简便,有助于增加测试的便利性,提升测试的自动化程度。

标签:
化学分析
上海 - 上海 来源:中冶有色网 2023-03-19
金属熔体凝固的小波热分析方法及其分析装置

一种金属熔体凝固的小波热分析方法,其特征在于包括将研究对象的热信号转为电信号;将电信号转化为标准电压信号;电压信号经模数(A/D)转换器转化为相应的温度数字信号;用所得的数字信号,求取特征参数值;根据特征参数值计算测试结果。其分析装置由温度传感器、信号放大器、模数(A/D)转换器、信号处理装置依次连接构成,温度传感器设在盛有金属熔体样品的样杯内。本发明采用小波变换来分析金属熔体凝固的冷却曲线,可以更准确地获得特征参数值,并将热分析拓展于铸件凝固进程特征信息的获取。其分析装置具有多种检测功能,选择相应的功能模块,可分别实现灰口铸铁的化学成分检测和性能预测、球墨铸铁球化率的预测和铝合金变质效果等。

标签:
化学分析
广东 - 广州 来源:中冶有色网 2023-03-19
测定厌氧消化出水中挥发性脂肪酸的微生物电化学库伦方法

本发明涉及一种测定厌氧消化出水中挥发性脂肪酸的微生物电化学库伦方法,属于水质监测技术领域。该方法基于微生物电化学系统,利用库伦密度和挥发性脂肪酸浓度的线性关系对厌氧消化出水中挥发性脂肪酸进行测定。通过采用外电路连有外电阻及电压采集装置的双室空气阴极微生物燃料电池,在测定时只需要将待测水样注入空白阳极溶液,记录待测水样体积并由电压采集装置自动采集电压,然后分析数据即可,操作较为简单。且微生物燃料电池日常运行及维护只需要更换阳极溶液及阴极溶液,成本较低。微生物燃料电池构造简单,只需要在恒温培养箱中运行,对设备的要求低。微生物燃料电池具有外部电路,能实时输出电信号,可以与其它在线分析设备结合,实现在线监测。

标签:
化学分析
重庆 - 重庆 来源:中冶有色网 2023-03-19
电化学储能用电压巡检装置

本实用新型公开了一种电化学储能用电压巡检装置,包括壳体和插头,所述壳体的一侧外壁固定连接有插接筒,且插接筒的顶部外壁固定连接有矩形筒,所述矩形筒的顶部外壁开设有安装孔一,且安装孔一的内壁插接有定位柱,所述定位柱的一端固定连接有拉环,且定位柱的外壁套接有弹簧,所述定位柱的外壁固定连接有滑块,且滑块与矩形筒形成滑动配合。本实用新型通过设置有插头,我们把插头里的插接孔对准导线柱插接进去,定位柱就会在受到挤压向上移动,当插接到位后,定位柱就会在弹簧的作用下自动插入到插头上的插接孔内,进而完成定位,这样数据线在连接时,就不会脱落,在巡检时就会消除由于插头脱落带来的数据传输中断问题。

标签:
化学分析
北京 - 北京 来源:中冶有色网 2023-03-19
用于监测液压流体中的化学污染的在线传感器

用于监测液压流体中化学污染的在线传感器(1),具有用于将要监测的流体的接收单元(4),该接收单元(4)在两个相对侧具有观察窗(3),其特征在于,该在线传感器(1)具有红外发射器(2)和红外探测器(5),该红外探测器(5)具有至少两个、最好四个用于红外光谱分析的探测器区域,红外发射器(2)和红外探测器(5)彼此相对地相对于两个观察窗(3)设置。由此提供了一种传感器,该传感器能在线获得磷酸酯基液压流体的、与维护相关的参数,即不需要从飞机液压液系统中抽取液压流体作样本。

标签:
化学分析
其他 - 其他 来源:中冶有色网 2023-03-19
便于随机组合的多项目联检化学发光试剂条

本实用新型提供了一种便于随机组合的多项目联检化学发光试剂条,包括条形的试剂杯卡座、可拆卸的卡设于所述试剂杯卡座上方的试剂杯,所述试剂杯截面呈骑马扣形式,所述试剂杯的开口与所述试剂杯卡座的宽度相当,且所述试剂杯底部设置有相对向内设置的卡扣。本实用新型的有益效果体现在:试剂杯卡条座与试剂杯进行可拆卸的连接,实现了单人多项目联检的需求,且试剂条中将试剂与废液及洗液结合与一体,实用性更强。

标签:
化学分析
江苏 - 苏州 来源:中冶有色网 2023-03-19
化学纤维生产加工用耐腐蚀性检验辅助装置

本实用新型涉及纤维检验附属装置的技术领域,特别是涉及一种化学纤维生产加工用耐腐蚀性检验辅助装置;包括工作板、两组固定器、盛放盒和连通软管,盛放盒内部设置有盛放腔,盛放盒顶端连通设置有取放口,并在取放口处设置有盖板,连通软管上设置有吸水泵;工作板包括上板体、下板体和两组支撑杆,上板体底端横向设置有上滑槽,并在上滑槽处设置有两组上滑块,下板体顶端横向设置有下滑槽,并在下滑槽处设置有两组下滑块;两组固定器均包括固定块、两组固定板、两组套簧、两组卡板和两组伸缩杆,还包括两组固定柱、两组支柱、两组滑轮组和两组万向球,两组固定器外侧均设置有球形槽。

标签:
化学分析
江苏 - 苏州 来源:中冶有色网 2023-03-19
电化学腐蚀测量原位观察实验装置

本发明涉及电化学腐蚀测量领域,具体为一种电化学腐蚀测量原位观察实验装置,解决现有技术中电化学腐蚀测量存在的无法观察实验过程中金属材料表面发生的变化等问题。该实验装置在容器中装有透明腐蚀性液体,金属样品、辅助电极、参比电极通过导线连接电化学工作站,金属样品的上方设置微型数码显微镜。本发明电化学腐蚀测量原位观察实验装置,通过微型数码显微镜随时观察金属表面在透明的腐蚀溶液中随实验时间、极化电位等参数的变化而产生的变化,实时获取金属表面形貌图像。本发明可以将电化学测量结果和金属表面形貌图像对应起来,获得更加充足的资料和数据,以便更好地分析金属材料的腐蚀机理。

标签:
化学分析
辽宁 - 沈阳 来源:中冶有色网 2023-03-19
弹簧钢夹杂物化学成分微区定量测量方法

本发明公开了一种弹簧钢夹杂物化学成分微区定量测量方法。该方法,包括以下步骤:截取弹簧钢横截面,制备金相试样;采用能谱仪分别对夹杂物和钢基体进行能谱成分分析,得到夹杂物和钢基体两个微区的化学成分;根据夹杂物和钢基体两个微区化学成分中铁元素的含量比值,计算出夹杂物各元素中所包含的钢基体的含量,用Ka表示;根据所得到的Ka,将夹杂物中所含有的钢基体含量在夹杂物各元素的原始测量结果中减掉,再将计算得到的夹杂物元素含量代入夹杂物能谱成分分析结果中,重新进行归一化和氧化物含量计算,得到夹杂物的精确化学成分。本发明可以得到夹杂物的精确化学成分,为制定弹簧钢夹杂物控制方案和判断控制方案优劣提供理论依据。

标签:
化学分析
湖北 - 武汉 来源:中冶有色网 2023-03-19
辅酶Q-10及其二电子还原体的分析方法和分析系统

本发明涉及可以正确地对检体中的辅酶Q-10及其二电子还原体的含量进行分析的分析方法和分析系统。作为前处理,将作为检体的人的血浆和异丙醇混合,使辅酶Q-10及其二电子还原体萃取到异丙醇中。分析之前的这段期间在4℃的温度保管萃取液。将萃取液作为分析试样,用具有输液机构、切换机构、浓缩柱、分离柱、还原柱、紫外吸收检测器和电化学检测器的分析系统进行分析。

标签:
化学分析
其他 - 其他 来源:中冶有色网 2023-03-19
基于强化学习的宏观规律事件预测模型构建方法

本发明公开了一种基于强化学习的宏观规律事件预测模型构建方法,涉及大数据分析技术领域,通过对于历史事件的数据分析,利用分类算法对基于不同人群的特征属性进行分类,基于真实时间、真实环境下使用强化学习模型模拟个体活动,结合特定时段、特定环境下的事件特征数据,以高预测准确率为目标,对某一时段内人员活动进行评分从而对其行为选择进行训练,形成固化模型,进而基于事件规律可实现对未来场景可能发生的事件行为进行预测。

标签:
化学分析
江苏 - 南京 来源:中冶有色网 2023-03-19
化学药品检验用糖衣去除装置

本实用新型涉及药品检验技术领域,且公开了化学药品检验用糖衣去除装置,包括:装置主体,所述装置主体包括烧杯本体,所述烧杯本体的外侧套接有固定片,所述固定片的底端设置有固定架,且烧杯本体和固定片放置在固定架顶端;取出机构,所述取出机构包括取出环。本实用新型采用取出环和滤网套可以将药品在取出时和烧杯本体中的水液进行分离以及钩状条可以将取出环和滤网套固定在烧杯本体内部的设计,有利于在加热完成后直接通过取出环和滤网套将全部的药品和水液进行分离取出,且剩余水液仍在烧杯中便于后续使用,与现有技术相比,本装置可以快速将全部药品取出,同时本机构结构简单,操作简便,便于工作人员进行使用。

标签:
化学分析
山东 - 淄博 来源:中冶有色网 2023-03-19
毛细管生物分析系统及其分析方法与应用

本发明公开了一种毛细管生物分析系统及其分析方法和应用,属于医疗器械与生物检测技术领域。本发明的毛细管生物分析系统包括三维运动进样平台、温度控制-光学检测模块、磁场控制模块、流体控制单元和毛细管阵列。三维运动进样平台和流体控制单元分别位于毛细管阵列的两端,毛细管微阵列上设有温度控制-光学检测模块和磁场控制模块。该毛细管生物分析系统结合液滴和磁珠技术,在毛细管中集成环介导等温扩增、荧光定量PCR分析和免疫化学发光等生物分析的全部过程。具有体积小、分析速度快、测试通量高和操作自动化的优点,其应用灵活,适合于单个样本、批量样品及现场快速检测的分析,可显著降低了设备的购买和运行成本,具有很好的经济效益。

标签:
化学分析
广东 - 广州 来源:中冶有色网 2023-03-19
高强铝合金真空化学成分检验取样装置

本实用新型提供一种高强铝合金真空化学成分检验取样装置,涉及铝合金检验取样领域,包括,工作台,所述工作台的内部固定连接有电机箱,所述电机箱的一侧电性连接有输电机,所述输电机的一侧固定连接有固定圈,所述固定圈的一侧活动连接有转轴,所述转轴的一侧包裹有圆刷,所述圆刷的正面和背面固定连接有定柱,首先将准备好的工件,塞入到卷轴的缝隙处,四个轴转动会将工件卷进去,卷进的工件首先经过卷轴一侧的圆刷,圆刷会将工件的表面灰尘刷掉并且会粘在软毛刷上,清洁干净的工件经过转轴,被转轴转动压扁,此设备不仅可以多方面节省人力,同时也集清洁、破碎、粉碎、称量为一体。

标签:
化学分析
湖北 - 武汉 来源:中冶有色网 2023-03-19
测定地球化学勘查样品中银硼锡的方法

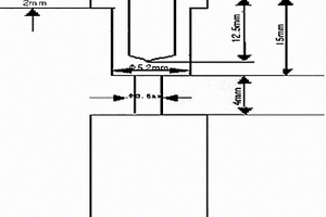
本发明为测定地球化学勘查样品中银硼锡的方法,解决己有方法同时测定土壤硼、锡和银三个元素的准确度和精密度均不太好的问题。仪器设备及试剂如下:光栅摄谱仪,与电脑联机自动测光仪,电极:上电极:圆锥形石墨电极,下电极:外径6mm,下电极带环杯形石墨电极:环高2mm、环外径6mm,孔内径4mm、孔深12.5mm,杯高13mm、杯外径5.2mm,颈高4.0mm、颈径3.5mm,光谱感光板;玛瑙研钵,缓冲剂的组成质量分数为:mKI:mK2S2O7:mSiO2:mC:mZnO=24:20:48:7:1,另加入质量分数0.015%的CdO,称取试料,称取0.0500g缓冲剂于坩埚中,搅拌1分钟,装入电极中,压紧,摄谱,显影与定影,自动测光议译谱,分析/内标线对:Ag328.07nm/Cd326.1nm、B249.7nm/Si249.4nm、Sn317.51nm/Cd326.1nm,自动拟合标准曲线,自动计算样品中单个元素的含量。

标签:
化学分析
四川 - 成都 来源:中冶有色网 2023-03-19
氰戊菊酯直接竞争酶联免疫吸附分析技术及其试剂盒

本发明涉及氰戊菊酯直接竞争酶联免疫吸附分析方法及其试剂盒。合成半抗原(见化学式)(n=1-5)并与不同蛋白质共价偶联分别制备人工抗原和包被原,以人工抗原免疫动物获得对氰戊菊酯具特异性亲合力的抗体,以辣根过氧化物酶标记抗体和半抗原。用包被原或抗体包被微孔板,加入待测样品(或氰戊菊酯标样)与酶标记物的混合液,氰戊菊酯、酶标记物与包被在微孔板上的抗体或包被原进行竞争性结合,洗涤去除游离物,加入酶的底物和显色剂,酶促显色反应的强度与样品(或标样)中氰戊菊酯的含量成反比,据此建立氰戊菊酯直接竞争酶联免疫吸附分析技术并运用该技术制备试剂盒,用于果蔬、茶叶、环境等样本中残留氰戊菊酯的快速检测。

标签:
化学分析
江苏 - 扬州 来源:中冶有色网 2023-03-19
新型烟草制品呼出烟气中主要化学成分及酚类有害成分的同时测定方法

一种新型烟草制品呼出烟气主要化学成分及酚类有害成分的同时测定方法。该方法采用剑桥滤片捕集呼出烟气总粒相物,采用二氯甲烷萃取、无水硫酸钠干燥后,萃取溶液进行硅烷化衍生反应后,采用GC‑MS仪器测定呼出烟气中主要化学成分原型(烟碱、三醋酸丙三醇酯、乙酸丙三醇酯、新植二烯),以及丙三醇、丙二醇、酚类有害成分的硅烷化产物(苯酚、2‑甲酚、3‑甲酚、邻苯二酚、间苯二酚、对苯二酚)。本发明的有益效果如下:(1)首次建立了新型烟草制品呼出烟气中主要化学成分及酚类有害成分的同时测定方法,提高了分析效率;(2)采用硅烷化衍生的方法分析呼出烟气中主要酚类有害成分,提高了定性准确性和灵敏度。

标签:
化学分析
河南 - 郑州 来源:中冶有色网 2023-03-19
双通道在线分析前处理和离线分析一体液相色谱仪

本实用新型公开了一种双通道在线分析前处理和离线分析一体液相色谱仪,包括自动进样器、两个色谱泵、三个六通阀、在线净化柱、两个色谱分离柱、光化学衍生器、紫外检测器和荧光检测器,可以根据使用需要在离线分析和在线前处理分析两种模式之间切换。根据待分析样品的性质在线切换分析通道,使不同性质的物质在不同的色谱柱上实现离线或在线分离分析,解决传统液相色谱仪只能做离线分析或者在线净化分析的缺点。用做在线前处理分析时,样品可不经前处理,简单提取后直接检测,大大缩短检测流程,减少了人工操作,降低了分析成本。作离线分析时不需要对系统进行变动,直接切换即可,有效提高仪器的使用效率和分析能力。

标签:
化学分析
天津 - 天津 来源:中冶有色网 2023-03-19
上一页 1991 1992 1993 1994 1995 ... 2000 ... 2305 下一页
共2305页    到第

中冶有色为您提供最新的有色金属化学分析技术理论与应用信息,涵盖发明专利、权利要求、说明书、技术领域、背景技术、实用新型内容及具体实施方式等有色技术内容。打造最具专业性的有色金属技术理论与应用平台!

全国热门有色金属设备推荐
展开更多 +
全国热门有色金属技术推荐
展开更多 +

 

江西省隆恩特环保设备有限公司
宣传

报名参会
更多+

报告下载

有色专家
更多+

武汉理工大学
副主任/研究员
矿冶科技集团有限公司
党委书记 / 董事长
郑州大学
校长/党委书记
矿冶科技集团有限公司工程公司
副总经理
任灵宝金源矿业股份有限公司
技术发展部经理
赤泥综合利用研究报告2025
推广

热门技术
更多+

推荐企业
更多+

福建省金龙稀土股份有限公司
宣传

发布

在线客服

公众号

电话

顶部
咨询电话:
010-88793500-807