青岛垚鑫智能科技有限公司
宣传

位置:中冶有色 >

有色技术频道 >

> 探矿技术

分类:
全部
矿山技术
冶金技术
材料制备及加工技术
环境保护技术
分析检测技术
 
全部
探矿技术
采矿技术
选矿技术
通用技术
地区:
全部
北京
天津
上海
重庆
河北
山西
辽宁
吉林
黑龙江
江苏
浙江
安徽
福建
江西
山东
河南
湖北
湖南
广东
海南
四川
贵州
云南
陕西
甘肃
青海
内蒙
广西
西藏
宁夏
新疆
其他
其他
展开
 
全部
济南
青岛
淄博
枣庄
东营
烟台
潍坊
济宁
泰安
威海
日照
滨州
德州
聊城
临沂
菏泽

山东济南有色金属探矿技术理论与应用

免费发布技术信息>>
矿用全自动注水隔爆水袋设备及使用方法

本发明公开了一种矿用全自动注水隔爆水袋设备及使用方法;包括升降控制设备箱体,所述升降控制设备箱体上设有电线进口和水管进口,所述升降控制设备箱体的内部设置有升降设备,所述升降设备驱动多个水袋升降,且各个水袋之间相互连通;其中,至少一个水袋中内设有高水位探头、警报水位探头、低水位探头;所述的高水位探头、警报水位探头、低水位探头与液位控制器相连,所述的液位控制器与水泵相连,所述的水泵通过进水管与其中一个水袋相连。

标签:
探矿技术
山东 - 济南 来源:中冶有色网 2023-03-01
矿用全自动注水隔爆水袋设备

本实用新型公开了一种矿用全自动注水隔爆水袋设备,包括升降控制设备箱体,所述升降控制设备箱体上设有电线进口和水管进口,所述升降控制设备箱体的内部设置有升降设备,所述升降设备驱动多个水袋升降,且各个水袋之间相互连通;其中,至少一个水袋中内设有高水位探头、警报水位探头、低水位探头;所述的高水位探头、警报水位探头、低水位探头与液位控制器相连,所述的液位控制器与水泵相连,所述的水泵通过进水管与其中一个水袋相连。

标签:
探矿技术
山东 - 济南 来源:中冶有色网 2023-03-01
矿粉分级装置
矿粉分级装置 900     
 0

本实用新型属于矿粉分级技术领域,尤其涉及一种有效控制风机风量而对矿渣粉粒度进行控制的矿粉分级装置。本实用新型的技术方案为:矿粉分级装置,包括收尘器和与其连接的风机,还包括变频器和负压表,所述变频器与风机的电机连接,在收尘器的前后两端分别设置有探针,负压表分别与两个探针连接。该实用新型方便、准确,减少了人为因素带来的偏差,提高了工作效率,产品合格率大大提高,且操作简单,适合推广应用。

标签:
探矿技术
山东 - 济南 来源:中冶有色网 2023-03-01
基于光纤光栅传感的矿井报警系统

一种基于光纤光栅传感的矿井报警系统,属矿井报警技术领域。包括980nm泵浦源、光开关、光纤光栅等,980nm泵浦源连接WDM,WDM连接铒纤;铒纤连接隔离器,隔离器连接到1*2耦合器,1*2耦合器输出端连接光开关,另一端和波长解调仪相连;光开关有4-8个输出端,每个输出端连接18个串联的光纤光栅。每个光纤光栅由铜片封装,都标有号码,并有自己的确定位置,当按下封装光纤光栅的铜片时,光纤光栅发生应变,光波长改变引起报警,本发明具有抗辐射、抗腐蚀、抗电磁干扰的优点,测量点多,传感探头结构简单、尺寸小,安装起来比较方便,精确度也比较高,比较灵敏,响应时间比较短,能及时得到报警信号,争取救援时间。

标签:
探矿技术
山东 - 济南 来源:中冶有色网 2023-03-01
矿用光纤布拉格光栅正压传感器

本发明涉及一种矿用光纤布拉格光栅正压传感器,包括壳体,壳体一侧开口,开口内密封设置有一应变薄膜,壳体内设有一整体与应变薄膜相垂直的呈之字形布置的弹性杆装置,所述弹性杆装置一端与应变薄膜接触,另一端穿过壳体侧面露在外部,壳体内的弹性杆上设有光纤布拉格光栅,光纤布拉格光栅通过光纤与壳体外的解调装置相连;所述壳体开口处与应变薄膜之间区域为正压区,壳体内其余区域与外界连通,为常压区。本发明优点在于:结构更加简单,可以远程测量,光信号可在光纤中以极低的损耗远距离传输。抗电磁干扰,电信号不受测量现场恶劣电磁环境的干扰。易于形成传感网络,可将多个探头组成传感网络,统一使用同一套解调系统。

标签:
探矿技术
山东 - 济南 来源:中冶有色网 2023-03-01
矿用本安型信号接收装置

本实用新型提供一种矿用本安型信号接收装置,包括左防护座、双向滚珠丝杆、左螺母座、右螺母座、右防护座、左限位块以及右限位块,所述左防护座焊接在左螺母座前侧面上,所述双向滚珠丝杆安装在上凹槽内,所述左螺母座设置在双向滚珠丝杆左侧,所述右螺母座安装在双向滚珠丝杆右侧,所述右防护座焊接在右螺母座前侧面上,所述左限位块安装在左防护座后端面下侧,且左限位块后端活动连接在下凹槽内,所述右限位块安装在右防护座后端面下侧,且右限位块后端活动连接在下凹槽内,该设计实现了矿用探头的防护功能,避免了矿用探头损坏的情况发生。

标签:
探矿技术
山东 - 济南 来源:中冶有色网 2023-03-01
矿用主通风机流量检测用变形文丘里管

本实用新型公开了矿用主通风机流量检测用变形文丘里管,包括稳流管段和收缩管段,稳流管段的出口和收缩管段的喇叭口连接为一整体,其特征在于:在稳流管段的出口断面的壁上设有稳流管段内静压测量探头;在收缩管段的出口断面的壁上设有收缩管段出口内静压测量探头;所述的稳流管段内静压测量探头和收缩管段出口内静压测量探头分别通过数据信号线与计算器相连接。该矿用主通风机流量检测用变形文丘里管,由于既采用了变形文丘里管的计算方法,且其测量截面又不需要严格满足缓变流条件,并不需要直接测量动压,所以不仅使流量的计算更加精确,而且简便、快捷,可在线随时测量。

标签:
探矿技术
山东 - 济南 来源:中冶有色网 2023-03-01
废旧矿用电池太阳能灯
废旧矿用电池太阳能灯 1049     
 0

本实用新型公开了废旧矿用电池太阳能灯,包括太阳能电池板,其特征在于:所述的太阳能电池板通过充电模块与废旧矿用电池连接,废旧矿用电池的正、负极分别通过导线与废旧矿灯的两个接线端连接,在废旧矿灯的两个接口上并联上红外线感应控制探头。该废旧矿用电池太阳能灯,与目前使用的太阳能LED灯相比,不仅节能、环保,而且由于采用了废旧矿用电池和废旧矿灯,使太阳能LED灯的生产成本大幅度降低,更加有利于太阳能灯的推广,同时,也减少了废旧矿用电池的浪费和带来的污染。

标签:
探矿技术
山东 - 济南 来源:中冶有色网 2023-03-01
压力驱动离子扩散生长制备无机钙钛矿单晶薄膜的方法

本发明涉及一种压力驱动离子扩散生长制备无机钙钛矿单晶薄膜的方法。首先用常规的溶液旋涂方法制备无机钙钛矿半导体多晶薄膜,然后用表面抛光的盖片与多晶薄膜表面紧密贴合,并用柔性耐高温薄膜包覆。接着,将样品放入充满液态传压传热介质的高压热压釜内,封釜后在热压釜上施加高压,并以设定的速度升温到设定值。恒温恒压处理一段时间后,使热压釜缓慢冷却到室温。卸去压力后,打开热压釜即可得到晶粒粒度大、结晶度高、晶界高度融合的高质量无机钙钛矿半导体单晶薄膜。本发明制备的无机钙钛矿单晶薄膜可用于研制高性能太阳能电池、电致发光器件、光电探测器等,在新能源技术、显示设备制造以及自动控制等领域有重要的应用价值。

标签:
探矿技术
山东 - 济南 来源:中冶有色网 2023-03-01
带差压变送器保护装置的矿浆浓度计

本实用新型涉及一种带差压变送器保护装置的矿浆浓度计,属于矿浆浓度计装置技术领域。包括筒体、差压变送器,筒体上部设置有差压变送器的显示仪,筒体侧面不同高度处设置安装探测膜片的上膜片检测孔和下膜片检测孔,筒体内设置有差压变送器的毛细管;探测膜片前端安装有带滤孔的网罩,网罩下端设置有泄流槽。本实用新型结构合理,方便安装和使用。在检测孔内设计带滤孔的网罩,并在网罩下方设计泄流槽,既能够保护检测膜片,又不影响检测,还能及时将矿浆排出,增加了检测膜片的使用寿命。

标签:
探矿技术
山东 - 济南 来源:中冶有色网 2023-03-01
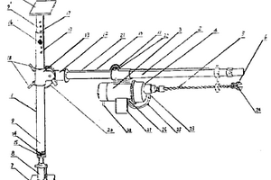
悬臂式金刚石钻头矿用钻机

本实用新型公开了一种悬臂式金刚石钻头矿用钻机,由后坐力支承杠(1)、悬臂(2)、水冷式隔暴电机(3)、减速机(4)、钻杆(5)、钻头(6)构成,水冷式隔暴电机(3)连接在悬臂(2)上,悬臂(2)通过滑套(13)连接在后坐力支承杠(1)上,钻杆(5)选用空心麻花钻杆,钻头(6)选用金刚石复合片钻头。该矿用钻机,体积小、重量轻、投资少、易操作、噪音小、能耗低、劳动强度小、效率高,可广泛用于煤矿掘进、探水、探矿、交通遂道、地铁工程、金属矿业开采等工程。

标签:
探矿技术
山东 - 济南 来源:中冶有色网 2023-03-01
矿山松软煤岩上行钻孔瓦斯压力观测系统

本实用新型公开了一种矿山松软煤岩上行钻孔瓦斯压力观测系统,包括探收装置、封堵装置和测定装置,所述探收装置设于钻孔内,探收装置尾部与封堵装置连接,钻孔底部设有测定装置;所述探收装置包括防塌抽采管,所述防塌抽采管包括主管和前探管,主管和前探管活动连接;所述封堵装置包括封堵室操作台、封堵胶囊操作台和封堵胶囊;所述测定装置包括瓦斯压力表,所述瓦斯压力表通过管路与瓦斯收集分析罐连接;所述瓦斯压力表通过管路连接至钻孔底部。能够较好的克服矿山松软煤岩上行钻孔易塌陷,而无法进一步对瓦斯参数测定的影响,尤其适用于松软煤岩上行钻孔中对瓦斯参数的测定。

标签:
探矿技术
山东 - 济南 来源:中冶有色网 2023-03-01
采矿作业区环境检测装置

本实用新型公开了一种采矿作业区环境检测装置,涉及到采矿设备技术领域,包括安装筒,所述安装筒内插接连接有活动筒,所述安装筒的底端中部镶嵌有固定套管,所述固定套管的顶端内壁固定连接有抽风扇,所述活动筒的底端中部固定连接有固定管,所述固定管的位置与固定套管相对应,所述固定管的顶端内壁固定连接有瓦斯浓度检测探头。本实用新型通过设置安装筒和活动筒,安装筒的底端中部设置有固定套管,固定套管内部设置有抽风扇,通过在活动筒底部设置瓦斯浓度检测探头,抽风扇可以将装置下方的空气抽取至装置内部,并通过瓦斯浓度检测探头检测空气中的瓦斯浓度。

标签:
探矿技术
山东 - 济南 来源:中冶有色网 2023-03-01
设置旋风分离器的深井采矿接力送风制冷系统

本发明提供了一种设置旋风分离器的深井采矿接力送风制冷系统,包括空冷器、风机、旋风分离器、风墙及进出风管道;所述系统设置于深井中距离采场或掘进工作面附近的探矿圈巷道内,利用风墙使探矿圈巷道空间形成封闭的小型风库,通入矿井中部巷道的非新鲜空气,使其进入旋风分离器进行过滤,排出颗粒物的空气通入密闭的风库内;所述风机吸入风库内干净的空气通入空冷器;空气在所述空冷器中与制冷剂进行热交换后送往工作面,从而完成工作面的降温。采用的巷道封堵的接力送风模式,充分利用了深井空间,并且设置了旋风分离器,减少了空气中颗粒物对制冷设备的损害,整个制冷系统设备紧凑、结构简单、控制方便、制冷效率高,非常适合深井作业使用。

标签:
探矿技术
山东 - 济南 来源:中冶有色网 2023-03-01
煤矿井下巡检作业机器人

本发明提供了一种煤矿井下巡检作业机器人,包括:环境感知机构,包括相机和激光雷达,所述相机采集机器人运行环境的红外图像、深度图像和彩色图像,所述激光雷达获取机器人运行环境的点云模型;基于点云模型、深度图像及彩色图像数据融合构建环境地图,并将环境地图发送至终端设备;所述终端设备直观显示机器人运行环境地图及现场画面,操作人员依据终端设备显示信息做出远程操作,对于巡检过程中出现的危险情况进行紧急制动;气体感知机构,包括有毒气体探测器,所述有毒气体探测器用于检测有毒气体的浓度,将有毒气体积聚的情况反馈给终端设备。本发明提出的煤矿井下巡检作业机器人,有效降低煤炭行业安全风险、提高生产效率、减轻矿工劳动强度。

标签:
探矿技术
山东 - 济南 来源:中冶有色网 2023-03-01
矿产勘查检测设备
矿产勘查检测设备 851     
 0

本实用新型公开了一种矿产勘查检测设备,包括勘探钻机主体,还包括支撑装置,支撑装置顶部的四周固定安装有固定框,固定框的内部活动设置有固定机构,通过驱动固定机构固定勘探钻机主体,支撑装置的四角处活动安装有活动支腿,活动支腿的内部活动设置有阻挡机构,通过驱动阻挡机构限制支撑装置的顶部沿竖直方向运动。本实用新型提供的矿产勘查检测设备,通过固定机构将勘探钻机主体固定在支撑装置的上部,从而代替了工作人员手持勘探钻机主体;在勘探钻机主体不向下运动时,通过三角挡块可以阻挡住支撑装置的顶部沿着活动支腿向下滑动;当支撑装置的顶部需要向上移动时,利用阻挡机构将所有三角挡块收回活动支腿的内部。

标签:
探矿技术
山东 - 济南 来源:中冶有色网 2023-03-01
接力送风的深井采矿制冷系统

本发明涉及一种接力送风的深井采矿制冷系统,包括空冷器、风机、风墙及进出风管道,所述空冷器为制冷系统主要设备;所述系统设置于深井中距离采场或掘进工作面附近的探矿圈巷道内,利用风墙使探矿圈巷道空间形成封闭的小型风库,通入矿井中部巷道的非新鲜空气,使其进行自行沉淀;经过沉淀的空气在所述空冷器中与冷却水进行热交换后,通过管路送往附近的工作面,从而完成采场工作面或掘进工作面的降温。采用的巷道封堵的接力送风模式,充分利用了深井空间,并且除风机外无用电设备,具有设备紧凑、结构简单、控制方便、制冷效率高的优点非常适合深井作业使用。

标签:
探矿技术
山东 - 济南 来源:中冶有色网 2023-03-01
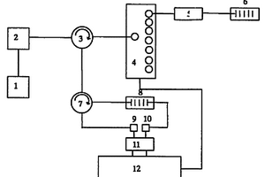
煤矿瓦斯差分吸收式光纤多点监测系统

本发明公开了一种煤矿瓦斯差分吸收式光纤多点监测系统,其特点是用一个确定频率的正弦波信号去调制一只超辐射发光管,超辐射发光管发出的光进入第一只环行器的一端,第一只环行器的二端连接一只一点对多点光开关的选择端,光开关的另一侧每一端连接一气室,透过气室的光被一光栅反射器反射,反射光经过气室和光开关后再次进入第一只环行器的二端并由三端输出进入第二只环行器的一端,光线由第二只环行器的二端输出至一只反射光栅,反射回的光经第二只环行器由三端输出到第一只探测器作为信号,由光栅透射的光进入第二只探测器作为参考,两探测器将光信号转化成电信号经带通滤波器滤波后送入数据采集系统处理得到待测气体的浓度。能够进行多点测量。

标签:
探矿技术
山东 - 济南 来源:中冶有色网 2023-03-01
矿用本安型热成像摄像仪

本实用新型提供一种矿用本安型热成像摄像仪,包括:摄像仪筒体和镜头筒体,镜头筒体内设置采集可见光的钢化玻璃以及采集热辐射的锗玻璃;摄像仪筒体内设置可见光传感器和热成像探测器和主控板,可见光传感器和热成像探测器分别与主控板连接;所述主控板包括电源模块、控制模块、网络交换器和光电转换模块;所述电源模块为主控板和可见光传感器和热成像探测器供电,所述网络交换器与控制模块连接,光电转换模块与连接交换器;基于采矿作业面复杂的环境,采用热成像实时获取作业面现场的温度数据,对易故障的设备实时监测,同时热成像和可见光成像共同运行,能够适应矿上和矿下有光和无光的环境。

标签:
探矿技术
山东 - 济南 来源:中冶有色网 2023-03-01
基于岩石矿物分析的TBM隧道断层破碎带预报系统及方法

本公开提供了一种基于岩石矿物分析的TBM隧道断层破碎带预报系统及方法,包括搭载于TBM上的机械臂装置和数据分析模块,机械臂装置包括能够水平伸缩、竖直升降以及具有一定俯仰角自由度的机械臂主体,所述机械臂主体的前端轴向设置有激光拉曼光谱仪探测器,所述激光拉曼光谱仪探测器的圆周分布有激光测距模块,以探测激光拉曼光谱仪探测器与围岩之间的距离,保证探测器与围岩始终垂直接触;机械臂主体的前端上设置有岩石图像采集装置;数据分析模块被配置为接收所述岩石图像采集装置、激光测距模块和激光拉曼光谱仪探测器的检测结果,根据多个测点的数据,得到围岩图像、矿物成分和含量随掌子面里程的变化规律,进而对隧道掌子面前方断层破碎带进行预报。

标签:
探矿技术
山东 - 济南 来源:中冶有色网 2023-03-01
基于伪双能射线成像的矿石分选系统及方法

本发明公开了一种基于伪双能射线成像的矿石分选系统,包括:用于为分选系统提供稳定X射线的高频恒压X射线机;用于将待选原矿颗粒输送至X射线检测装置的振动给料机;用于有效防护X射线辐射的铅房;X射线检测装置,包括伪双能X射线线阵探测器,伪双能X射线线阵探测器位于X射线源的对面固定不动,X射线源发射的X射线穿透待选原矿颗粒,伪双能X射线线阵探测器接收到包含待选原矿颗粒原子序数特征信息的X射线,经过A/D转换后将数字图像通过以太网传输至计算机分析处理;矿石分选装置,为与气源相连的阀岛,用于将待选原矿颗粒中的废石颗粒吹离。本发明同时还公开了利用该系统的方法。

标签:
探矿技术
山东 - 济南 来源:中冶有色网 2023-03-01
实现正向出渣通风逃生勘探的一体化隧道导洞及方法

本发明公开了一种实现正向出渣通风逃生勘探的一体化隧道导洞及方法,包括超前隧道,超前隧道水平布置,且超前隧道和竖井相连通;所述超前隧道底部铺设轨道,运输矿车安设于轨道,超前隧道的洞口设置防护结构,且超前隧道和竖井内均设置射流风机。

标签:
探矿技术
山东 - 济南 来源:中冶有色网 2023-03-01
矿用气体传感器装置
矿用气体传感器装置 956     
 0

本实用新型属于煤矿环境监测技术领域,尤其是一种矿用红外气体碳传感器装置,一种矿用气体传感器装置,包括矩形壳体,所述壳体内固定有主板,所述壳体的下端设置有与主板通过探头腔相连接的探头,所述的探头外部设置有探头罩与矩形壳体相连接;所述的壳体上表面设置有可视窗口,上端通过上盖进行壳体密封,壳体上端还设置有提手;所述的主板上设置有控制单片机,所述的单片机分别连接有红外遥控模块、输出信号模块、数码显示模块、存储模块、声光报警模块、数据采集模块;该仪器具有测量准确、反应速度快、标定周期长、不受其它气体影响、测量范围宽、功耗低、使用寿命长、性能稳定、可靠性高等特点。

标签:
探矿技术
山东 - 济南 来源:中冶有色网 2023-03-01
浮力提升型海底矿产开采装置

本发明公开了一种浮力提升型海底矿产开采装置,包括采矿车主体,在采矿车主体的前端设有水力集矿机构,在采矿车主体的两侧分别设有一行走履带,在每个行走履带上方的采矿车主体上分别设有两个升沉推进器,在采矿车主体的四周分别设有一水平推进器,所述采矿车主体包括由一竖直隔板分隔出的相互独立设置的集矿舱和浮力调节舱,在浮力调节舱内设有浮力调节机构,在浮力调节舱的顶部内侧壁上设有矿石探测器和通信装置,水力集矿机构、行走履带、升沉推进器、水平推进器、浮力调节机构、矿石探测器和通信装置均与控制器相连。本发明可在深海环境中稳定行走,利用浮力调节机构改变整个装置的重力‑浮力配比,实现开采装置的下潜和上浮,操作简便。

标签:
探矿技术
山东 - 济南 来源:中冶有色网 2023-03-01
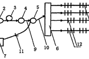
可用于多种勘探方法的多功能电极转换箱

本发明公开了一种可用于多种勘探方法的多功能电极转换箱,由锁存驱动模块、同步传感器模块、多路电流输入控制模块与封闭金属壳体4部分组成,同步传感器模块实现了继电器吸合与数据采集的同步性,减少了因指令发送与继电器吸合产生的时间差,从而保证了数据的实时可靠;多路电流输入控制模块通过控制不同路上的继电器的通断,实现了不同的电极排布方式,满足了不同探测方法的探测需求;封闭金属壳体是为了防止隧道、煤矿、水利等复杂地下工程中的水汽、尘埃对仪器造成影响,起到了保护仪器的作用。

标签:
探矿技术
山东 - 济南 来源:中冶有色网 2023-03-01
钾盐钻探冲洗液
钾盐钻探冲洗液 1233     
 0

本发明提供了一种适用于钾盐矿钻探的冲洗液,采用重量百分比组分为:基础油:基础油:45%、膨润土:4%、水:26%、SPAN-80:6.8%、OP-10:4.2%、MgCl2:7%、KCl:3%、CaCI2:2%、MV-CMC:1%、Na2CO3:0.2%、NaOH:0.1%、BaSO4 : 0.7%;粘度为30-35S,密度为1.25-1.3g/cm3, 失水量< 10ml/30min, 含砂量< 1%,PH值≥9.5的冲洗液,适合钾盐钻探,既可能取完整的钾石盐、光卤石岩心,又适用于漏失、涌水、冒气、冒油地层等,便于维护和使用安全。

标签:
探矿技术
山东 - 济南 来源:中冶有色网 2023-02-28
用于采空区勘查的钻探装置

本实用新型公开了一种用于采空区勘查的钻探装置,包括底架,所述底架的顶部固定连接有固定座,所述固定座的右侧固定连接有外壳,所述外壳内腔左侧的底部固定连接有电机,所述电机的输出端固定连接有传动杆,所述传动杆的右侧通过轴承与外壳内腔的右侧活动连接,所述传动杆的表面固定连接有第一皮带轮。本实用新型通过底架、固定座、外壳、电机、传动杆、第一皮带轮、钻杆、第二皮带轮、连接板、套管、第一弹簧、垫板、连接杆和缓冲垫的配合使用,能够有效的解决传统采空区勘查作业使用的钻探设备体积较大,不方便进行局部探查的问题,该装置结构简单,灵活小巧,适合矿区移动,同时方便工作人员对局部矿区进行探查。

标签:
探矿技术
山东 - 济南 来源:中冶有色网 2023-02-28
用于井下搜索机器人的环境探测臂

本实用新型涉及一种用于井下搜索机器人的环境探测臂,其安装在机器人本体上,机器人本体内设有本安电源模块,机器人本体外部连接有机械臂,机械臂与传感器平台连接。机械臂作为传感器平台的载体,配置了三个自由度,增强了探测的灵活性,扩展了探测的范围。根据地形条件,机械臂的三自由度协调动作,可以调整传感器平台位姿,以满足不同的探测任务要求。传感器平台可获取矿井当前的大气状况,为从矿井黑暗的环境中获取准确的图像信息提供了便利,以及检测现场的生命迹象,并进行数据采集和处理,同时可分析有毒有害气体、探测井下温度等;本实用新型能够满足井下的防爆要求,安装在机器人上不会破坏其外形尺寸,且具备全面的环境探测能力。

标签:
探矿技术
山东 - 济南 来源:中冶有色网 2023-02-28
深部含金构造的地震探测方法

本发明公开了一种深部含金构造的地震探测方法。该方法突破以圈定激电异常为目标的传统找矿思路束缚,创造了用地震方法探测深部含金构造的新找矿方法。本发明选择需要开展深部找矿的地表已知的控矿断裂构造带并布设地震测线;采用高精度地震勘探方法开展地震勘探,并采用面向深部金矿构造探测的地震数据精细处理技术实现深部成矿构造的地震反射波精确成像,然后根据地震断面反射波图像特征,分析5000m深度范围内含金断裂裂隙宽度以及破碎程度和蚀变带厚度的变化,最后利用推断解释的断裂构造倾角变化圈定深部找矿靶区。本发明的方法具有定位精度高、探测深度大、找矿效果好的特点,有效解决了深部含金构造的精确定位难题。

标签:
探矿技术
山东 - 济南 来源:中冶有色网 2023-02-28
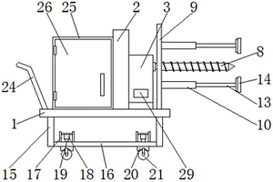
用于矿山坑道采样的刻槽设备

本实用新型涉及矿山地质勘探技术领域,尤其是一种用于矿山坑道采样的刻槽设备,包括U型安装架,U型安装架的U型口向下,且U型安装架的下方设有支撑U型安装架稳定放置的支撑机构,U型安装架的U型内壁底部转动连接有转轴,U型安装架的一侧设有驱动转轴转动的驱动机构,转轴的下端固定安装有开口向下的壳体,壳体的下方盛放装置,壳体的外侧等距固定安装有若干个刻刀,壳体的外侧等距开设有若干个第一通口,并且每个第一通口均位于两个刻刀之间,第一通口的底部开设有第二通口,壳体的底部边缘第二通口的两侧均开设有圆槽,该装置设计合理,通过电机带动安装有刻刀的壳体进行转动,进而方便将岩土挤压限位板带入进收集壳内。

标签:
探矿技术
山东 - 济南 来源:中冶有色网 2023-02-28
上一页 16 17 18 19 20 ... 43 下一页
共43页    到第

中冶有色为您提供最新的山东济南有色金属探矿技术理论与应用信息,涵盖发明专利、权利要求、说明书、技术领域、背景技术、实用新型内容及具体实施方式等有色技术内容。打造最具专业性的有色金属技术理论与应用平台!

全国热门有色金属设备推荐
展开更多 +
全国热门有色金属技术推荐
展开更多 +

 

江西省隆恩特环保设备有限公司
宣传

报名参会
更多+

报告下载

有色专家
更多+

郑州大学
中国工程院 院士
长春黄金研究院有限公司
总经理
湖南科技大学
所长/教授
中铝检测科技(郑州)有限公司/国家轻金属质量检验检测中心
正高级工程师
中国有色金属工业协会
教授级高级工程师
赤泥综合利用研究报告2025
推广

热门技术
更多+

推荐企业
更多+

福建省金龙稀土股份有限公司
宣传

发布

在线客服

公众号

电话

顶部
咨询电话:
010-88793500-807