青岛垚鑫智能科技有限公司
宣传

位置:中冶有色 >

有色技术频道 >

> 化学分析技术

分类:
全部
矿山技术
冶金技术
材料制备及加工技术
环境保护技术
分析检测技术
 
全部
物理检测技术
化学分析技术
力学检测技术
无损检测技术
失效分析技术
环境检测技术
地区:
全部
北京
天津
上海
重庆
河北
山西
辽宁
吉林
黑龙江
江苏
浙江
安徽
福建
江西
山东
河南
湖北
湖南
广东
海南
四川
贵州
云南
陕西
甘肃
青海
内蒙
广西
西藏
宁夏
新疆
其他
其他
展开
 
全部

有色金属化学分析技术理论与应用

免费发布技术信息>>
使用电化学气体传感器测量湿度的方法和装置

本发明题为“使用电化学气体传感器测量湿度的方法和装置”。本发明公开了一种用于使用电化学气体传感器来测量湿度的气体检测装置和方法。气体检测装置包括基于电解质的电化学气体传感器和被配置成测量一段时间内周边环境内的平均湿度值的控制器。时间段内的平均环境湿度值基于该时间段内的气体检测装置的电解质气体传感器内的电解质浓度随时间段的平均变化速率和该时间段内的周边环境中的平均温度来测定。气体感测装置可被配置成将周边环境内的平均环境湿度值传送至相同周边环境内的第二电化学气体传感器或第二气体检测装置。

标签:
化学分析
其他 - 其他 来源:中冶有色网 2023-03-19
同时测量血红蛋白与糖化血红蛋白的电化学测试卡及其制作方法

本发明属于医疗领域,具体提供一种同时测量血红蛋白与糖化血红蛋白的电化学测试卡,从下至上依次包括PET基片、电极层、油墨层、冲槽白胶层、亲水膜层和盖片层;电极层包括两组电极区和两个反应区,每组电极区均包括两根反应电极,一根满血触发电极,一根根识别电极和一根开机电极,每个反应区内均包括有反应药液;油墨层覆盖在电极层上方,油墨层位于开机电极的相对一端端部留有采样口,采样口分别与两组反应区连通,且油墨层漏出电极区和反应区;冲槽白胶层覆盖于电极层上方,并填充于采样口之间,将两个反应区隔离;亲水膜层覆盖于冲槽白胶层上方,且亲水膜层在采样口的上方留有排气孔;盖片层位于亲水膜层上方,并漏出排气孔。和现有技术相比,用血量少、能够快速便捷准确地测试出糖化血红蛋白、能够同时测试出血红蛋白和糖化血红蛋白。

标签:
化学分析
四川 - 成都 来源:中冶有色网 2023-03-19
无人机搭载NO监测电化学传感器装置

本发明公开了一种无人机搭载NO监测电化学传感器装置,包括无人机本体,所述无人机本体上方设置有外壳,所述NO监测电化学传感器本体上方固定有方形的抽气筒,所述NO监测电化学传感器本体内侧上方安装有即可便于抽吸机构启动工作又能将另一个区域的大气进行抽取采样的驱动机构,且所述NO监测电化学传感器本体上方安装有可对其内侧上一次检测的一氧化氮气体完全抽出的抽吸机构。本发明通过驱动机构,能够有效的避免NO监测电化学传感器本体在下一区域气体抽样检测时,即导致其内侧在上个区域检测后残留的气体与此区域取样抽进的气体混合而影响浓度检测精准性的问题,从而增加了每个区域NO浓度检测的精准性。

标签:
化学分析
天津 - 天津 来源:中冶有色网 2023-03-19
用于电化学测量的测量探针

本发明涉及一种用于电化学测量的测量探针,具有:探针壳体;第一腔体,形成在探针壳体中;第一电解质,容纳在第一腔体中;第一电极,布置在第一腔体内且与第一电解质接触;第一结点,布置在探针壳体的壁中,至少临时地将第一腔体与测量探针的环境连接,使得可通过结点在第一电解质和围绕测量探针的介质之间实现电流流动;第二腔体,形成在探针壳体中;第二电解质,容纳在第二腔体中;第二电极,布置在第二腔体内且与第二电解质接触,和第二结点,可在打开状态和闭合状态之间来回切换,第二结点在闭合状态下将第一腔体和第二腔体彼此分开且在打开状态下将第二腔体连接到第一腔体,使得可通过第二结点在第一电解质和第二电解质之间实现电流流动。

标签:
化学分析
其他 - 其他 来源:中冶有色网 2023-03-19
用于地球化学测试的基线的测量仪

本发明提供了一种用于地球化学测试的基线的测量仪,涉及测量设备技术领域,包括主体,所述主体的顶部设有两处开槽,且主体的顶部安装有出料组件;所述出料组件包括支架和竖杆二,且支架安装在主体的顶部两侧,一处支架的外侧顶部安装有电机,电机的输出端安装有伞齿轮,且一处支架的顶部侧面安装有螺纹杆,且竖杆二为圆柱形结构,且竖杆二通过轴承座安装在支架的外侧;所述摆动组件安装在主体的顶部。储槽的容积大小相同,转杆一圈则加入的测量容量剂量相同,解决了在测量的过程中,通过目测对滴入的剂量进行观察,使得测量溶液存在稍微的差异导致测量结果存在误差的问题。

标签:
化学分析
四川 - 成都 来源:中冶有色网 2023-03-19
颗粒物化学组分测量装置

本实用新型涉及一种颗粒物化学组分测量装置,属于环境监测技术领域,解决了现有技术中只能测量颗粒物的有机化学成分,不能测量颗粒物的无机化学成分,并且无法准确获得粒径小于50nm的颗粒物化学组成的问题。颗粒物化学组分测量装置包括依次连接的富集单元、热解吸单元和检测单元;颗粒物带电,富集单元通过电富集来富集带电的颗粒物;热解吸单元用于使富集单元上富集的颗粒物挥发或热解为气体;检测单元用于检测挥发或热解的气体。本实用新型实现了对粒径小于50nm的颗粒物化学组成的测定问题。

标签:
化学分析
北京 - 北京 来源:中冶有色网 2023-03-19
电致化学发光仪中的程控电动测量池盖装置

一种电致化学发光仪中的程控电动测量池盖装置,属电致化学发光检测的技术领域。该装置由动力装置、连动机构、状态检测装置、样品池盖四部分组成,四个部分协同工作完成程控电动测量池盖的状态自检、测量池盖打开、闭合和提示用户错误操作的功能,确保实验正确进行,达到保护仪器的光检测器和提高信噪比的目的。该装置有能防止用户的错误操作,能保护仪器的光检测器和提高信噪比的优点。

标签:
化学分析
上海 - 上海 来源:中冶有色网 2023-03-19
污染物化学需氧量自动测定装置及其测定方法

本发明公开了一种污染物化学需氧量自动测定装置及其测定方法,包括污染物超临界水氧化系统、参考体系和污染物氧化程度适时监测系统,污染物氧化程度适时监测系统将测量腔体和参考腔体相互隔离开,其包括固体电解质氧离子导体、工作电极和参比电极,工作电极的外侧面与设置在其外的电流收集网连接,电流收集网与测量电极引线一端连接;参比电极的外侧面与设置在其外的电流收集网连接,电流收集网与参比电极引线一端连接;测量电极引线和参比电极引线分别与同一电压表的两接线端连接;本发明利用氧浓差电池对污染物的氧化程度进行适时监测,直接获得污染物完全超临界水氧化所耗用的氧量,无需进行过量氧化剂的返测定。

标签:
化学分析
贵州 - 遵义 来源:中冶有色网 2023-03-19
危险化学品多米诺事故应急物资需求量预测方法

本发明公开了一种危险化学品多米诺事故应急物资需求量预测方法,属于资源调度技术领域。本发明包括确定潜在多米诺事故链条;计算多米诺事故场景中各设备发生事故的概率;建立基于共性——个性的应急资源分类方法及相应的需求量估算模型;利用所提出的估算模型估算某典型多米诺事故案例中消防类应急资源的需求量。本发明采用的是理论结合实例的方法,案例分析表明,与理论需求量相比,实际调度量明显偏高。应急决策人员容易盲目判断潜在多米诺效应事故场景下的应急资源需求量。采用本发明所述的所应急资源需求量估算方法,能为应急响应部门提供更为精确的应急决策支持。

标签:
化学分析
广东 - 广州 来源:中冶有色网 2023-03-19
基于光谱测量的化学需氧快速监测装置

本实用新型公开了基于光谱测量的化学需氧快速监测装置,包括监测外壳、反应箱、监测装置、挡板和线束杆,反应箱远离监测外壳的一端转动连接有转钮,转钮的一端固定连接有设备齿轮,设备齿轮的表面啮合连接有齿槽,反应箱的内部滑动连接有滑动杆,齿槽开设在滑动杆的内部,滑动杆的一端固定连接有挤压板,反应箱的内部固定连接有固定杆,固定杆的顶端与线束杆的底端转动连接,线束杆的一端固定连接有转轴,转轴的表面转动连接有限位环,限位环远离转轴的一端与线束杆的一侧磁性连接,通过反应箱、转钮、滑动槽、连接块、挤压板、挡板、复位弹簧和支座的配合,这样不但安装拆卸方便,也可以将反应箱从设备中拉出,方便水瓶的安装,并且使用简单。

标签:
化学分析
上海 - 上海 来源:中冶有色网 2023-03-19
同时测定三加皮药材中多种化学成分含量的方法

本发明属于中药材检测技术领域,具体涉及一种同时测定三加皮药材中多种化学成分含量的方法,包括(1)色谱条件(2)对照品溶液的配制(3)供试品溶液的制备(4)测定等步骤,本发明提供的一种同时测定三加皮药材中多种化学成分含量的方法,可同时测定三加皮药材中绿原酸、秦皮乙素、异绿原酸A以及异绿原酸C 4种化学成分的含量,该检测方法简单、精确度高,稳定性好、重现性好,能更加全面、准确的评价三加皮的品质,有利于对该药材的质量进行有效控制,可为全面评价和控制三加皮药材质量提供依据。

标签:
化学分析
广西 - 南宁 来源:中冶有色网 2023-03-19
电化学生物传感器测量系统

本发明公开了一种电化学生物传感器测量设备,包括:至少两个光电二极管,随着电化学生物传感器的插入,以规则的时间间隔顺序地发射光束;以及检测器,用于感测所发射的光,从而识别所述电化学生物传感器上的生产批次信息识别部分上记录的生产批次信息。因此,该设备具有以下经济优点:不需要昂贵的滤光器来对由生物传感器中记录的生产识别信息吸收通过或反射的光进行检测,并且不需要复杂的软件算法来恢复生产批次信息。此外,该测量设备自动识别生物传感器上记录的生产批次信息,以便减小在用户人为输入生物传感器的生产批次信息时出现的不便和错误的频率,从而可以方便精确地获得测量值。

标签:
化学分析
其他 - 其他 来源:中冶有色网 2023-03-19
物理、化学和/或生物学特性或状态变量的空间分辨测定方法

用于空间分辨测定在受检对象的被检测区域中的物理、化学和/或生物学特性或者状态变量,和/或其改变量的方法,其通过测定磁性颗粒的空间分布和/或迁移性的变化,作为物理、化学和/或生物影响变量对至少局部区域作用的函数,通过以下步骤:a)将包裹和/或涂覆了至少一层固态、粘性和/或液态外壳或涂层的磁性颗粒引入至少部分检测区域中,b)产生具有低磁场强度的第一局部区域和高磁场强度的第二局部区域的磁场,c)改变检测区域中这两个局部区域的空间位置,或者改变第一局部区域中的磁场强度使得颗粒的磁化强度发生局部变化,d)检测取决于受到该变化影响的检测区域中磁化强度的信号,以及e)评价信号值从而获得有关检测区域中磁性颗粒的空间分布和/或迁移性变化量的信息。本发明还涉及功能化磁性颗粒组合物以及适于用在上述方法中的磁性颗粒组合物。本发明另外还涉及一种用于测量检测区域中状态变量的设备。

标签:
化学分析
其他 - 其他 来源:中冶有色网 2023-03-19
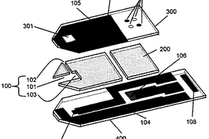
电化学测试装置
电化学测试装置 1117     
 0

本实用新型公开了一种电化学测试装置,包括电化学检测模块,电化学检测模块外接检测线路,电化学检测模块连接第一切换开关的动触点,第一切换开关的第一静触点连接第二切换开关的动触点,第一切换开关的第二静触点连接第一接口转换芯片,第一接口转换芯片连接第一外接接口,第一接口转换芯片还连接第一切换开关的控制端,第二切换开关的第一静触点连接第二接口转换芯片,第二接口转换芯片连接第二外接接口,第二切换开关的第二静触点连接无线通信模块,第二切换开关的控制端连接触发按钮;电源模块的第一输出接口为所述电化学测试装置的用电部件供电,电源模块的第二输出接口为第二外接接口外接的平板电脑供电。本实用新型适用于外场测试。

标签:
化学分析
江苏 - 苏州 来源:中冶有色网 2023-03-19
基于流动注射进样的水中化学需氧量测量装置和方法

本发明涉及一种基于流动注射进样的水中化学需氧量(COD)测量装置及方法,属于环境监测技术领域。测量装置由流动注射进样器、三电极系统电化学流通检测池和电化学工作站构成,其特征在于电化学流通检测池的工作电极为硼掺杂金刚石膜电极,用紧固螺钉固定在进口通道上,并垫有密封圈,在绝缘、硬质、耐腐蚀的池体上开通的进口通道、参比电极安装通道以及出口通道相互连通。测量时载流液PH值为3~10,浓度为0.05~0.5MOL/L,当参比电极采用饱和甘汞电极或银/氯化银电极时,施加在硼掺杂金刚石膜工作电极上的正电压为2.2~3.2V。本发明实现了快速、准确且无污染地测量COD。

标签:
化学分析
辽宁 - 大连 来源:中冶有色网 2023-03-19
无电富集并测定水体系中痕量三价无机砷的电化学方法

无电富集并测定水体系中三价砷浓度的电化学检测方法,是利用由金电极,参比电极,对电极组成的三电极体系,在检测池中将金电极表面氧化成三氧化二金,然后将其浸入Β-D-葡萄糖溶液,使三氧化二金还原成纳米金薄膜,再将金电极浸入盛有待测的三价砷的0.1M磷酸盐缓冲溶液(检测浓度范围:10.0NM-5.0ΜM),通过纳米金薄膜对三价砷的吸附,令砷在纳米薄膜表面富集,将富集了砷的金电极与参比电极,对电极共同插入电化学检测池中,运行电化学工作站扫描,在扫描过程中富集的砷中在金电极表面发生氧化还原反应,得到其氧化峰电流值,它与三价砷浓度具有对应关系,从而测得砷溶液的浓度,实现了高灵敏度地检测三价砷,解决了应用高浓度酸性介质的问题。

标签:
化学分析
江苏 - 南京 来源:中冶有色网 2023-03-19
测定甲胎蛋白的电化学免疫传感器及其制备方法与应用

本发明公开了一种测定甲胎蛋白的电化学免疫传感器及其制备方法与应用,基底电极由MWNTs‑CS溶液修饰,甲胎蛋白第一抗体溶液共价结合到修饰后的基底电极上,甲胎蛋白抗原溶液特异性结合到甲胎蛋白第一抗体上,CdTe@SiO2‑GO‑甲胎蛋白第二抗体溶液特异性结合到甲胎蛋白抗原上,所述基底电极为玻碳电极。本发明还提供了一种基于CdTe QDs信号放大的电化学免疫传感器的人血清中甲胎蛋白的检测方法,所述检测方法灵敏度高、特异性好、具有很宽的线性范围和较低的检测限且成本低廉。

标签:
化学分析
江苏 - 南京 来源:中冶有色网 2023-03-19
纳米氧化铜为催化剂的流动注射化学发光测定胆固醇的方法

本发明公开一种纳米氧化铜为催化剂的流动注射化学发光测定胆固醇的方法,包括如下步骤:将胆固醇、胆固醇氧化酶和磷酸盐缓冲溶液混合温浴后成反应液,将反应液稀释后,经蠕动泵运输进入混合器中与纳米氧化铜胶体溶液混合,而后与鲁米诺溶液混合,三者混合后进入流动池反应,产生的化学发光强度经光电倍增管检测以测定胆固醇。利用胆固醇氧化酶催化胆固醇氧化产生过氧化氢,结合流动注射技术,增强胆固醇测定中的化学发光信号,增强倍数约为600,利用胆固醇-胆固醇氧化酶-鲁米诺-纳米氧化铜流动注射化学发光法对胆固醇含量进行测定,线性范围为0.625~12.5umol/L。可应用于食品中胆固醇含量测定以及血清中游离胆固醇与总胆固醇的测定。

标签:
化学分析
福建 - 福州 来源:中冶有色网 2023-03-19
带压变径管段动态原位电化学测试实验装置

本发明涉及一种带压变径管段动态原位电化学测试实验装置,包括电化学工作站和变径管,变径管上设有多个内外贯穿的检测孔,多个检测孔处分别安装有检测机构;电化学工作站可通过线缆与其中任意一个检测机构连接。本发明的有益效果是结构简单,设计合理,拆装方便,其可实时监测带压冲刷腐蚀环路中变径管段不同位置工作电极的动态原位电化学测试信号,如开路电位、极化曲线、电化学阻抗等,以便为变径管段的高压冲刷腐蚀机理提供一定的理论基础。

标签:
化学分析
湖北 - 武汉 来源:中冶有色网 2023-03-19
同时测定广藿香中六种化学成分的含量测定方法

本发明属于中药领域,具体的涉及到一种同时测定广藿香中六种化学成分含量测定方法。为了提高广藿香药材质量控制水平,建立更加科学、合理的质量标准,首次采用UPLC对广藿香药材中6个成分进行含量测定,为提高广藿香药材乃至其相关制剂的质量控制方法提供一定的实验依据。

标签:
化学分析
北京 - 北京 来源:中冶有色网 2023-03-19
化学镀液监测装置
化学镀液监测装置 907     
 0

本实用新型涉及化学镀技术领域,确切的说是用于监测化学镀液浓度的监测装置。本实用新型采用技术方案为:一种化学镀液监测装置,包括有安装台、检测块和检测块称重装置,检测块称重装置固定安装在安装台上,所述检测块经柔性绝缘线吊在检测块称重装置上,所述检测块上具有一沉积面。本实用新型的化学镀液监测装置,实现对化学镀沉积速率、化学镀液浓度时时监控,提高化学镀过程的可控制性,保证产品质量和合格率。

标签:
化学分析
浙江 - 温州 来源:中冶有色网 2023-03-19
基于光电化学DNA生物传感器的铅离子测定方法

本发明提供了一种基于光电化学DNA生物传感器的铅离子测定方法,将含有部分能够特异性识别Pb2+的DNA序列组装于ITO电极表面,并以Ru(bpy)2(dppz)2+作为光电化学信号探针,当Pb2+与电极表面DNA作用后,探针从DNA链中脱离,导致光电化学信号的降低,实现了检测Pb2+的光电化学检测。本发明提供的ITO电极DNA生物传感器制备简单、成本低、反应条件温和,响应速度快,检测方便,周期短,稳定性高,重现性好。此外,该光电化学传感器对Pb2+具有高选择性、高灵敏度等优点。

标签:
化学分析
北京 - 北京 来源:中冶有色网 2023-03-19
高氯高钙废水化学需氧量测定系统及其使用方法

本发明提供了一种高氯高钙废水化学需氧量测定系统,包括预处理装置以及与预处理装置相连的COD检测装置;预处理装置用于将高氯高钙废水中的氯离子含量降到第一阈值以内,以及将高氯高钙废水中的钙离子含量降到第二阈值以内;COD检测装置用于检测经过预处理装置后的高氯高钙废水的化学需氧量。该系统可以通过预先降低高氯高钙废水的氯离子和钙离子的含量,再对其化学需氧量进行检测,避免了氯离子和钙离子的含量过高对化学需氧量的检测结果产生影响,使得化学需氧量的检测结果更接近真实值,有利于对废水的污染程度进行合理评估。本发明还提供了该高氯高钙废水化学需氧量测定系统的使用方法。

标签:
化学分析
江西 - 南昌 来源:中冶有色网 2023-03-19
电化学生物传感器和生物传感器测量装置

公开了一种电化学生物传感器和一种生物传感器测量装置。该电化学生物传感器,包括:多个电极、毛细样品单元部分、反应试剂层、电极连接部分;和生产批量信息识别部分。生产批量信息识别部分被构造成生产批量信息被记录在其上,并具有一个或多个红外吸收/发射标记,该标记通过印刷和/或附接有色或无色材料或附接透明膜来表示生产批量之间的差异信息,该标记在红外线吸收率或反射率方面具有差异,并与预定图案相一致。电化学生物传感器测量装置包括多个集成的光反射器检测装置,该光反射器检测装置发射和接收红外线以便识别记录在生物传感器的生产批量信息识别部分上的生产批量信息。

标签:
化学分析
其他 - 其他 来源:中冶有色网 2023-03-19
测定分泌型自噬小体的电化学免疫传感器及其制备方法与应用

本发明公开了一种测定分泌型自噬小体的电化学免疫传感器及其制备方法与应用,属于生物医学检测技术领域。基底电极由GH‑MB溶液修饰,自噬小体表面标志LC3B第一抗体溶液共价结合到修饰后的基底电极上,制备得到电化学免疫传感器。本发明还提供了一种基于GH‑MB信号放大的电化学免疫传感器的人外周血和小鼠外周血中分泌型自噬小体的检测方法,分泌型自噬小体由Fe3O4‑Au修饰的LC3B第二抗体捕获后特异性结合到LC3B第一抗体上,所述检测方法灵敏度高、特异性好、具有很宽的线性范围和较低的检测限且成本低廉。

标签:
化学分析
江苏 - 南京 来源:中冶有色网 2023-03-19
用于测量工艺流体中的氧气分压的电化学传感器及测试其功能的方法

本发明涉及用于测量工艺流体中的氧气分压的电化学传感器,该传感器包括:充满电解质的传感器体(2),其在接触工艺流体(4)一侧由氧气可渗透的膜(5)覆盖;在膜(5)上的阴极(8);环形保护电极(9),环绕阴极(8)并且在测量模式下具有与阴极(8)相同的电势;在传感器体(2)中的与电解质(3)接触的阳极(10);在传感器体(2)中与电解质(3)接触的参考电极(11),其中在阳极(10)和阴极(8)之间施加电压(23),该电压在阴极(8)和参考电极(11)之间被调节到恒定极化电压(UPOL)并且在测量模式下,在阴极(8)和阳极(10)之间流动的测量传感器电流(I测量)是在工艺流体(4)中的氧气分压的测量值;以及测试电压源(17),其在测试模式中,被切换在阴极(8)和保护电极(11)之间以在电解质(3)中和/或在阴极(8)和保护电极(9)之间过程流体(4)中产生测试氧气以用于测试传感器的功能。

标签:
化学分析
其他 - 其他 来源:中冶有色网 2023-03-19
基于金纳米团簇探针的谷胱甘肽电致化学发光测定方法

本发明公开一种基于金纳米团簇探针的谷胱甘肽电致化学发光测定方法。本发明所述金纳米团簇探针的谷胱甘肽电致化学发光测定方法是利用谷胱甘肽对金纳米团簇探针‑过硫酸根电致化学发光体系发光强度的抑制作用,从而表现出电致化学发光强度的变化,可以直接用于谷胱甘肽含量的测定。在1.0×10‑9 mol/L~1.0×10‑5 mol/L和1.0×10‑5 mol/L~1.0×10‑1 mol/L的范围内谷胱甘肽浓度的对数值与相对电致化学发光强度值呈线性关系,检测限为3.2×10‑10 mol/L。本发明操作简单、重现性好,灵敏度高,可用于实际样品中谷胱甘肽的测定。

标签:
化学分析
福建 - 福州 来源:中冶有色网 2023-03-19
监测化学反应动态过程的微波波谱法

本发明涉及微波技术在监测化学反应动态过程上的应用。本发明由以下步骤组成:一、提供微波与待测样品的强相互作用金属共振腔,所述金属共振腔是被微波激励、恒温的共振腔,在共振腔中置一介质杯;二、事先将准备用于化学反应的样品分别放入上述介质杯中,并对其频偏ΔF和微波信号的衰减进行测量,列表存入计算机,完成实验准备过程;三、将上述化学反应样品同时放入介质杯中,计算机控制外部电路立即对共振腔内发生化学反应的样品引起的共振频偏ΔF和微波信号衰减进行周期性测量,经计算机数据处理后即可动态显示化学反应变化的趋势。本发明时间分辨率为20ΜS,频率分辨率为25KHZ,能满足实时监测化学反应动态过程的要求,价格低,易普及。本发明能够实现无损检测、在线检测和动态检测。

标签:
化学分析
云南 - 昆明 来源:中冶有色网 2023-03-19
用于从生物样品进行血液学和生物化学测量的装置和方法

本发明涉及一种用于从一个样品(6)分析生物参数的装置,该装置包括:(i)第一转移工具(5,20,25);(ii)第一制备工具(7);(iii)用于测量细胞组分的工具(8);(iv)第二制备工具(10,11,22,23,24),这些第二制备工具能够用一种测定试剂(R3)对来自该第一制备工具(7)的样品进行至少一次稀释,该测定试剂包含在表面上被对至少一种感兴趣的分析物特异的至少一种配体官能化的颗粒;(v)免疫检测测量工具(30,31),这些免疫检测测量工具能够通过测量官能化颗粒的聚集来测定至少一种感兴趣的分析物,所述装置进一步包括:(i)与这些第一转移工具(5,20,25)至少部分地分开的第二转移工具(4,21,22,26)和(ii)用于施加一个磁场的工具(28),该工具能够通过磁性相互作用引起所述官能化颗粒的聚集加速,这些官能化颗粒包括磁性胶体颗粒。本发明还涉及一种在所述装置中实施的方法。

标签:
化学分析
其他 - 其他 来源:中冶有色网 2023-03-19
化学药品柜里有毒弥散性粒子的自动监测装置

本实用新型公开了一种化学药品柜里有毒弥散性粒子的自动监测装置,主要解决现有技术中存在的化学药品柜中没有有毒弥散性粒子检测装置导致开启化学药品柜时有毒粒子向空气中弥散致人中毒的问题。该监测装置包括安装在化学药品柜内的换气扇,与换气扇连接的导气管,与导气管另连接的第一化学品检测仪,一端与第一化学品检测仪连通的过滤管,依次安装在过滤管内部的高效活性炭过滤器和高效粒子过滤器,与过滤管连接的第二化学品检测仪,一端与第二化学品检测连通另一端与化学药品柜内部连通的导气管,安装在化学药品柜上用于检测结果的显示屏。通过上述方案,本实用新型达到了监测有毒粒子的目的,具有很高的实用价值和推广价值。

标签:
化学分析
四川 - 成都 来源:中冶有色网 2023-03-19
上一页 1978 1979 1980 1981 1982 ... 2000 ... 2305 下一页
共2305页    到第

中冶有色为您提供最新的有色金属化学分析技术理论与应用信息,涵盖发明专利、权利要求、说明书、技术领域、背景技术、实用新型内容及具体实施方式等有色技术内容。打造最具专业性的有色金属技术理论与应用平台!

全国热门有色金属设备推荐
展开更多 +
全国热门有色金属技术推荐
展开更多 +

 

江西省隆恩特环保设备有限公司
宣传

报名参会
更多+

报告下载

有色专家
更多+

华东理工大学
主任/教授
东北大学
院长/教授
赣州江钨钨合金有限公司
工程师
中铝检测科技(郑州)有限公司/国家轻金属质量检验检测中心
正高级工程师
南京理工大学、中国科学院
院士
赤泥综合利用研究报告2025
推广

热门技术
更多+

推荐企业
更多+

福建省金龙稀土股份有限公司
宣传

发布

在线客服

公众号

电话

顶部
咨询电话:
010-88793500-807