青岛垚鑫智能科技有限公司
宣传

位置:中冶有色 >

有色技术频道 >

> 化学分析技术

分类:
全部
矿山技术
冶金技术
材料制备及加工技术
环境保护技术
分析检测技术
 
全部
物理检测技术
化学分析技术
力学检测技术
无损检测技术
失效分析技术
环境检测技术
地区:
全部
北京
天津
上海
重庆
河北
山西
辽宁
吉林
黑龙江
江苏
浙江
安徽
福建
江西
山东
河南
湖北
湖南
广东
海南
四川
贵州
云南
陕西
甘肃
青海
内蒙
广西
西藏
宁夏
新疆
其他
其他
展开
 
全部
济南
青岛
淄博
枣庄
东营
烟台
潍坊
济宁
泰安
威海
日照
滨州
德州
聊城
临沂
菏泽

山东济南有色金属化学分析技术理论与应用

免费发布技术信息>>
用于心衰标志物B型利钠肽检测的微流控光电化学传感器的制备方法

本发明涉及一种用于心衰标志物B型利钠肽检测的微流控光电化学传感器的制备方法。所述的微流控光电化学传感器包括微流控底板,微流控上芯片,微流控下芯片,上芯片与下芯片之间的隔膜四部分。其中,微流控上芯片包括电极槽用于放对电极,参比电极,工作电极,进样口及微通道,清洗口及微通道,微流控下芯片包括工作电极槽,气体阀门口及微通道;将光电化学三电极集成到微流控传感器上,利用泵的控制,可以实现自动检测,无需人为干扰可快速得到准确的检测结果。该微流控光电化学传感器可以实现对B型利钠肽的快速、高效、灵敏、自动化检测。

标签:
化学分析
山东 - 济南 来源:中冶有色网 2023-03-19
基于CuInS2@ZnS纳米晶定量检测CEA抗原的化学发光免疫试剂盒

本发明涉及一种基于CuInS2@ZnS纳米晶定量检测CEA抗原的化学发光免疫试剂盒,该试剂盒包括:生物素标记的CEA单抗一、链霉亲和素标记的磁珠、CuInS2@ZnS纳米材料标记的CEA单抗二、双元激发液。双元激发液由Tris‑HCl、N2H4·H2O及H2O2组成。CuInS2@ZnS纳米晶可在双元激发液的激发下可以产生闪光型化学发光,发光波段位于近红外区。该试剂盒基于CuInS2@ZnS纳米晶可产生闪光型化学发光的原理实现CEA抗原的检测,本发明的试剂盒检测速度快,灵敏度高,稳定性好,材料合成方法简单、成功率高、光稳定性好,且化学发光波段位于近红外区。该试剂盒在50pg/mL‑100ng/mL的浓度范围内表现出良好的线性关系,检测限为30pg/mL,具有良好的临床应用前景。

标签:
化学分析
山东 - 济南 来源:中冶有色网 2023-03-19
用于检测细胞角蛋白的光电化学免疫传感器的制备方法

本发明涉及基于了一种基于信号极性转换策略的抗原在下型光电化学免疫传感器,用于检测细胞角蛋白。3,4,9,10‑苝四甲酸作为基础光敏材料,是一种含有五个苯核的共轭有机染料,具有优良的成膜性和光学性能。二氧化锡敏化的3,4,9,10‑苝四甲酸进一步提高了光电化学免疫传感器的基础信号和稳定性。此外,具有亲和素功能化的铟铜作为光电化学传感器的信号探针可以将基极阳极光电流转换为阴极光电流。因此,光电化学传感器实现了标记前后的光电流极性转换。使用具有亲和素功能的硫铟铜,细胞角蛋白检测前后光电流的极性发生变化,因此所制备的光电化学免疫传感器具有高灵敏度。实现了对细胞角蛋白的超灵敏检测。其检测限为3.5 fg/mL。

标签:
化学分析
山东 - 济南 来源:中冶有色网 2023-03-19
基于纳米材料检测莱克多巴胺的电化学传感器

本发明公开了一种基于纳米材料检测莱克多巴胺的电化学传感器,本发明利用石墨烯材料容易分散、比表面积大,对电活性物质及生物分子的高负载量,提供更均匀、更大的电活性位点分布等优点,与纳米金粒子的生物相容性好和加速电子传输速率等优点相结合,制备复合纳米材料修饰在玻碳电极表面,有效提高所制备电化学免疫传感器的灵敏度。同时利用壳聚糖实现莱克多巴胺抗体在电极上的有效固定。制备过程中,对免疫反应的条件等参数进行优化,该传感器在0.3‑1.0×103ng/mL浓度范围检测莱克多巴胺的线性关系良好,可用于实际样品中目标成分莱克多巴胺的检测。

标签:
化学分析
山东 - 济南 来源:中冶有色网 2023-03-19
操作简单、低成本、多通道微流控化学发光纸芯片的制备及在现场检测中的应用

本发明公开了一种操作简单、低成本、多通道微流控化学发光纸芯片的制备及其现场检测的方法。采用全打印模式,在一张A4大小的普通滤纸上,批量打印出多个微流控化学发光纸芯片。打印过程包括:批量打印疏水蜡图案;熔蜡成型;批量打印化学发光试剂墨图案;批量打印氧化酶墨图案;微流控化学发光纸芯片的裁剪;将制备的微流控化学发光纸芯片进行塑封处理。一种微流控化学发光纸芯片的现场检测的方法,包括如下步骤:将塑封的微流控化学发光纸芯片放入掌上发光检测仪的暗盒中;将样品溶液滴加到进样区内;然后盖上暗盒盖,开始检测。通过依次出现的6个化学发光峰值的大小来依次判断葡萄糖、多酚、黄嘌呤、胆固醇、尿酸和血红素是否存在及含量。

标签:
化学分析
山东 - 济南 来源:中冶有色网 2023-03-19
检测没食子酸丙酯的分子印迹电化学传感器的制备方法及应用

本发明提供了一种检测没食子酸丙酯(PG)的分子印迹电化学传感器。该分子印迹电化学传感器利用电极表面修饰技术,将制备的铂金双纳米粒子结合石墨烯碳纳米管复合物(PtAu-GrCNTs)修饰至电极表面,再采用电聚合的方式将分子印迹聚合物连接于PtAu-GrCNTs修饰的电极表面,洗脱掉模板分子(PG)之后形成分子印迹电化学传感器。由于模板分子被洗脱之后会在传感器表面形成一系列与模板分子匹配的孔穴,当将洗脱之后的传感器浸泡于含有模板分子的样品溶液时,模板分子会被特异性吸附在传感器表面。将制备成功的电化学传感器作为工作电极连接到电化学工作站,由于模板分子的特异性吸附,电化学信号会发生变化,利用电化学信号的改变即可实现对没食子酸丙酯(PG)的检测。本发明制备的分子印迹电化学传感器选择性强、灵敏度高、操作简单快速,适合食品中没食子酸丙酯(PG)的检测。

标签:
化学分析
山东 - 济南 来源:中冶有色网 2023-03-19
MCM-41修饰碳糊电极的制备及用于电化学检测头孢曲松

本发明涉及一种MCM-41介孔分子筛修饰碳糊用于头孢曲松的电化学检测。以十六烷基三甲基溴化铵(CTAB)为模板剂、正硅酸乙酯(TEOS)为硅源,采用水热合成法制备了MCM-41介孔分子筛,并采用两步煅烧法去除模板剂。采用XRD、FT-IR、透射电镜法对其进行表征。并将制备的MCM-41介孔分子筛掺杂到石墨粉中制备碳糊修饰电极,主要从缓冲溶液pH值、扫描速度等方面研究了头孢曲松在MCM-41介孔分子筛修饰碳糊电极上的电化学行为。并考察了头孢曲松药物的浓度与电化学响应间的相关性,为快速定量检测提供依据。MCM-41介孔分子筛修饰的碳糊电极在头孢类药物的电化学检测方面表现出了广阔的前景,为头孢曲松药物的快速电化学检测提供了一条简便的方法。

标签:
化学分析
山东 - 济南 来源:中冶有色网 2023-03-19
检测孔雀石绿的核酸适配体电化学生物传感器的制备方法及应用

本发明提供了一种检测孔雀石绿(MG)的核酸适配体电化学生物传感器。该电化学生物传感器利用电极表面修饰技术,将制备的石墨烯-壳聚糖复合物和纳米金修饰到电极表面,再通过化学作用将核酸适配体接在纳米金上,通过适配体与目标物的特异性结合作用将目标物结合到电极表面?,然后在接上目标物的抗体,构成夹心结构的生物传感器。当检测的溶液中含有目标物时,就能在电极表面固定一定量的目标物和相应的抗体,构成传感结构。由于抗体上修饰了辣根过氧化物酶(HRP),能催化过氧化氢的分解,从而产生电化学信号的变化,利用电化学信号的变化即可实现对孔雀石绿(MG)的检测。本发明制备的核酸适配体电化学生物传感器选择性强,灵敏度高,操作简单快速,适合水产品中孔雀石绿(MG)的检测。

标签:
化学分析
山东 - 济南 来源:中冶有色网 2023-03-19
简易的草甘膦农药的电致化学发光检测方法

本发明涉及农药检测领域,公开了一种简易的草甘膦农药的电致化学发光检测方法,特别是涉及一种基于氮化碳的草甘膦电致化学发光传感器的制备及应用。具体是利用类石墨烯氮化碳(g‑C3N4)修饰玻碳电极表面负载Ag+,通过溶液中草甘膦与电极表面Ag+的络合作用,使Ag+脱离g‑C3N4修饰电极表面而恢复电致发光信号,通过检测电致发光信号的变化实现草甘膦的检测。

标签:
化学分析
山东 - 济南 来源:中冶有色网 2023-03-19
可准确采集电致化学发光光谱信息的检测系统

本实用新型涉及一种可准确采集电致化学发光光谱信息的检测系统,包括电化学设备单元、ECL辐射产生装置单元、光谱检测装置单元和数据处理与控制单元。ECL辐射产生装置单元包括ECL池及与电化学设备单元相连的工作电极、参比电极和对电极;光谱检测装置单元包括收集物镜和CCD光栅光谱仪;ECL辐射产生装置单元和收集物镜设置于暗盒内,工作电极的发光面正对收集物镜,而收集物镜焦点与CCD光栅光谱仪入射狭缝重合;暗盒直接与入射狭缝的固定板相连,将检测系统光路与外界隔绝;CCD光栅光谱仪和电化学设备单元通过TTL信号触发实现同步运行,并将所采集的电化学信号和ECL光谱信号同步输入数据处理与控制单元。

标签:
化学分析
山东 - 济南 来源:中冶有色网 2023-03-19
用于甘油醛-3-磷酸脱氢酶磁微粒化学发光检测试剂盒及其制备方法

本公开涉及一种用于甘油醛‑3‑磷酸脱氢酶磁微粒化学发光检测试剂盒及其制备方法,该试剂盒包括:偶联有甘油醛‑3‑磷酸脱氢酶单克隆抗体的磁微粒、10,10‑二甲基‑3,3‑二磺基‑9,9‑二双吖啶(DMDSBA)标记的甘油醛‑3‑磷酸脱氢酶单克隆抗体、甘油醛‑3‑磷酸脱氢酶标准品、化学发光预激发液、化学发光激发液以及清洗液。本公开的磁微粒化学发光检测试剂盒具有高灵敏度、简便快速、准确度高的特点,与传统的化学发光检测法比较,操作时间大幅度减少。

标签:
化学分析
山东 - 济南 来源:中冶有色网 2023-03-19
滚环扩增产物为模板的铜纳米颗粒合成方法及其在电化学检测中的应用

本发明提供了滚环扩增产物为模板的铜纳米颗粒合成方法及其在电化学检测中的应用。选用前列腺特异抗原(PSA)为模型目标分子。引物-纳米金-适配体/PSA/PSA抗体夹心结构的构建引发了滚环扩增反应,从而生成成千上万的聚胸腺嘧啶重复序列,以作为合成铜纳米颗粒的模板;进一步对形成的铜纳米颗粒用硝酸进行溶解,并用电化学方法对溶解得到的铜离子进行检测,最终实现对目标物PSA含量的确定。得益于所设计的信号级联放大策略,本方法检测PSA的线性范围为0.05fg/mL-500fg/mL,检测限为0.020±0.001fg/mL?PSA。最终,我们通过检测临床血清样品中的PSA含量对本方法的可实用性进行了验证。本方法的超灵敏度、特异性、以及检测实际样品的能力使其在疾病诊断应用中展示了巨大潜力。

标签:
化学分析
山东 - 济南 来源:中冶有色网 2023-03-19
检测L-抗坏血酸的电化学制备方法

本发明涉及一种检测L?抗坏血酸的电化学制备方法。该方法首先制得功能化磁性碳基?聚合物微球复合材料,利用功能化磁性碳基?聚合物微球复合材料对电极进行修饰,得到修饰的玻碳电极Fe3O4/GNS/MPCE/Pt作为工作电极,然后利用循环伏安法观察抗坏血酸AA在Fe3O4/GNS/MPCE/Pt上的电化学行为,以检测L?抗坏血酸AA的浓度。本发明检测AA的浓度范围在1×10?6?mol/L到1.4×10?4?mol/L之间,且AA浓度与氧化峰电流之间呈良好的线性关系,检出限为8.05×10?7μmol/L,具有灵敏度高、操作简便等优点,具有广泛的应用前景。

标签:
化学分析
山东 - 济南 来源:中冶有色网 2023-03-19
检测黄曲霉毒素的电致化学发光传感器的制备方法

本发明公开了一种电致化学发光黄曲霉毒素传感器的制备方法。属于新型纳米功能材料与生物传感器技术领域。本发明首先制备了一种新型二维纳米复合材料,即锰掺杂二氧化钛纳米方块原位复合二硫化钼的二维纳米复合材料Mn?TiO2/MoS2,利用该材料的良好的生物相容性和大的比表面积,负载上黄曲霉毒素抗体,在进行检测时,由于锰掺杂二氧化钛可以催化过氧化氢原位生成O2,并与底液中的K2S2O8进行电化学反应,产生电致化学发光信号,再利用抗体与抗原的特异性定量结合对电子传输能力的影响,使得电流强度降低,从而降低发光强度,最终实现了采用无标记的电致化学发光方法检测黄曲霉毒素的电致化学发光传感器的构建。

标签:
化学分析
山东 - 济南 来源:中冶有色网 2023-03-19
检测叔丁基氢醌的核-壳分子印迹电化学传感器的制备方法及其应用

本发明提供了一种检测叔丁基氢醌的核-壳分子印迹电化学传感器的制备方法及应用,属于纳米功能材料及食品安全领域。该核-壳分子印迹电化学传感器的制备方法是利用电极表面修饰技术,将制备的GO-MnO2和IL-MWCNTs复合物修饰至电极表面上,再与制备的核-壳分子印迹复合物(AuNPs@SiO2-MIP)结合构建电化学传感器,将制备成功的电化学传感器作为工作电极连接到电化学工作站,即可对叔丁基氢醌进行检测。本发明制备的核-壳分子印迹电化学传感器选择性强、灵敏度高、操作简单快速,适合食品中叔丁基氢醌的检测。

标签:
化学分析
山东 - 济南 来源:中冶有色网 2023-03-19
检测多巴胺的电化学适配体传感器的制备方法及应用

本发明提供了一种检测多巴胺(DA)的电化学适配体传感器。该传感器利用电极表面修饰技术,将制备的酰胺-胺树状大分子-纳米金(PAMAM-GNPs)复合物和铁氰化镍(NiHCFNPs)纳米粒子修饰至电极表面,再电沉积一层金纳米材料修饰到电极表面,DA连接适配体末端修饰了氨基,通过金纳米与氨基基团的亲和力修饰在电极表面,最后在适配体外面结合一层待检测物DA,即形成电化学适配体传感器。将制备成功的电化学传感器作为工作电极连接到电化学工作站,连接DA前后电化学信号会发生变化,利用电化学信号的改变即可实现对DA的检测。本发明制备的分子印迹电化学传感器选择性强、灵敏度高、操作简单快速,适合多巴胺(DA)的检测。

标签:
化学分析
山东 - 济南 来源:中冶有色网 2023-03-19
检测循环肿瘤细胞的电化学免疫传感器的制备及应用

本发明公开了一种差分脉冲伏安法检测循环肿瘤细胞的传感器。该传感器的制备,包括以下步骤:按照现有方法制备出五氧化二钒纳米线,金银核壳纳米粒子;将五氧化二钒纳米线-金银核壳纳米粒子结合修饰适配体;将金纳米粒子修饰于电极表面,后连接硫醇化的适配体,特异性结合循环肿瘤细胞,再连接五氧化二钒纳米线-金银核壳纳米粒子修饰的适配体;将制作好的电化学传感器结合电化学工作站对循环肿瘤细胞进行检测;利用电化学工作站检测。本发明的传感器特异性强,灵敏度高,操作简单,检测限低。

标签:
化学分析
山东 - 济南 来源:中冶有色网 2023-03-19
检测马来酰肼的电化学传感器的制备方法及应用

本发明公开了一种检测马来酰肼的电化学传感器的制备方法及应用。马来酰肼电化学传感器的制备方法是利用电极表面修饰技术,将乙二胺改性氧化石墨烯纳米材料修饰至电极表面上,将修饰成功的电极作为工作电极连接到电化学工作站,可对马来酰肼进行检测。本发明制备的电化学传感器选择性强,1~2 min即可完成一个基本检测过程,操作简单快速,适合于马铃薯样品中马来酰肼的检测。

标签:
化学分析
山东 - 济南 来源:中冶有色网 2023-03-19
电化学检测硼酸酯类聚合物水解率的方法

本发明公开了一种电化学检测硼酸酯类聚合物水解率的方法,将硼酸酯类聚合物加入多元醇水溶液中获得混合液,将混合液封闭后进行电化学检测,根据电化学检测谱图的曲线的变化时间及曲线的变化幅度分别获得硼酸酯类聚合物的水解时间和水解程度,根据水解时间和水解程度计算硼酸酯类聚合物的水解率;其中,电化学检测的谱图曲线为恒电压检测的电流曲线或恒电流检测的电压曲线。本发明方法中的检测能对各种硼酸酯水解时间和水解程度进行量化记录,相对于其他检测硼酸酯水解的方法,提高了检测精度和准确度,方法便捷可控,大大降低了有机污染物造成的误差,可以应用于硼酸酯聚合物水解、水体中硼元素含量等检测领域。

标签:
化学分析
山东 - 济南 来源:中冶有色网 2023-03-19
检测香兰素的印迹电化学传感器的制备方法及应用

本发明公开了一种检测香兰素的分子印迹电化学传感器。该分子印迹电化学传感器利用电极表面修饰技术,将制备的氧化石墨烯/碳纳米管/离子液体/金纳米粒子复合物覆盖至玻碳电极表面,以达到增强电信号提高传感器检测灵敏度的目的。再通过电聚合的方式,将以吡咯为功能单体,以香兰素为模板分子的分子印迹聚合物修饰到电极表面,洗脱掉模板分子之后,形成分子印迹电化学传感器。模板分子洗脱之后,在传感器表面形成空穴,该空穴可以与香兰素的结构达到特异性匹配。将制备的电化学传感器为工作电极连接到电化学工作站,通过电极表面模板分子与空穴的特异性结合,产生电流变化,利用电流的变化可以实现对香兰素的检测。本发明制备的分子印迹电化学传感器选择性强,灵敏度高,操作简单快速,适合食品中香兰素的检测。

标签:
化学分析
山东 - 济南 来源:中冶有色网 2023-03-19
检测氨基甲酸酯的电化学传感器的制备方法

本发明公开了一种可用于检测氨基甲酸酯的电化学传感器的制备方法。属于新型纳米功能材料与生物传感器技术领域。本发明首先制备了一种新型二维纳米电极材料——掺杂二氧化钛/二硫化钼复合材料Co?TiO2/MoS2,即钴掺杂二氧化钛纳米方块原位复合二硫化钼的二维纳米复合材料,利用该材料的良好的生物相容性和大的比表面积,负载上氨基甲酸酯抗体,在进行检测时,由于钴掺杂二氧化钛可以催化过氧化氢原位生成O2,产生电化学信号,再利用抗体与抗原的特异性定量结合对电子传输能力的影响,使得电流强度相应降低,最终实现了采用无标记的电化学方法检测氨基甲酸酯的生物传感器的构建。

标签:
化学分析
山东 - 济南 来源:中冶有色网 2023-03-19
检测痕量农药残留物的分子印迹化学发光传感器及其应用

本发明涉及农药残留物检测技术领域,更具体地说是一种检测痕量农药残留物的分子印迹化学发光传感器,本发明还涉及采用所述的分子印迹技术化学发光传感器测农产品样本中痕量农药残留的方法。(1)选择功能单体;(2)按摩尔比为0.1~1∶1~10∶5~25∶20~60∶0.05~0.15∶20~50的比例将残留农药的模板分子、功能单体、交联剂、致孔剂、引发剂和硅源混合均匀制成MIPs溶胶;(3)制备量子点材料溶液;(4)利用层层自组装表面修饰技术,将MIPs溶胶和量子点材料修饰到微孔板表面上,制作化学发光传感器。本发明的有益效果:对农药残留物的检测具有高特异性、高灵敏度、快速检测,成本低,重复性好,便于现场检测。

标签:
化学分析
山东 - 济南 来源:中冶有色网 2023-03-19
电致化学发光传感器及制备方法与其检测葡萄糖中的应用

本发明属于电致化学发光传感技术领域,涉及电致化学发光传感器及制备方法与其检测葡萄糖中的应用。电致化学发光传感器包括电致化学发光传感平台和过硫酸钾,所述电致化学发光传感平台的制备方法为:将聚[(9,9‑二辛基芴基‑2,7‑二基)‑co‑(1,4‑苯并‑噻二唑)](PFBT)与聚苯乙烯‑马来酸酐共聚物(PSMA)进行共沉淀反应获得羧基功能化的CPNsPFBT‑COOH,采用CPNsPFBT‑COOH对电极表面进行修饰即得。本发明提供的电致化学发光传感器能够简化检测葡萄糖的步骤,降低成本,实现对葡萄糖的便捷检测。

标签:
化学分析
山东 - 济南 来源:中冶有色网 2023-03-19
体液化学成分、有形成分的检测装置

本实用新型公开了一种体液化学成分、有形成分的检测装置,属于医疗器械技术领域,其结构包括体液有形成分检测机构和体液化学成分检测机构,体液有形成分检测机构与体液化学成分检测机构通过流通管相连接;所述的体液有形成分检测机构,包括蠕动泵、观察单元和显微镜单元;显微镜单元的上方安装有摄像单元;显微镜单元的底端安装有观察单元;所述的观察单元包括顶部的物镜、中间的观察池及底部的光源。本实用新型的有益效果如下:设备结构紧凑、部件较少,简化了环节,减少了操作步骤,将检验人员的医源性感染的职业风险降至最低,并降低了体液样本被污染的概率;对于技术人员的专业技能要求较低;用途广泛,适用于各种体液的检测。

标签:
化学分析
山东 - 济南 来源:中冶有色网 2023-03-19
丙型肝炎病毒核心抗原化学发光酶联免疫检测试剂盒

本发明公开了一种丙型肝炎病毒核心抗原化学发光酶联免疫检测试剂盒,包括盒体,设在盒体内的酶标板和设在盒体内试剂及不干胶封片和使用说明书;其中所述酶标板为化学发光酶标板且其各孔包被有浓度为5UG/ML的包被抗体MAB1和MAB2;所述试剂包括:抗HCV-CAG酶结合物、HCV核心抗原标准品梯度溶液、阳性血清对照、阴性血清对照、预处理液、HCV-CAG样品稀释液、化学发光底物液A、化学发光底物液B、20×浓缩洗涤液。本发明的检测试剂盒阳性检出率与PCR阳性检出率接近,同时具有操作简单、高灵敏度和高特异性的优点,适于在临床推广应用。

标签:
化学分析
山东 - 济南 来源:中冶有色网 2023-03-19
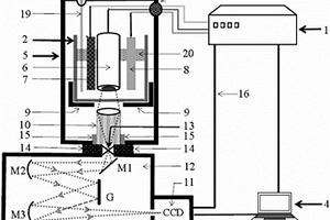
检测痕量农药残留物的电致化学发光传感器的制备及应用

本发明公开了一种检测农药残留物的电致化学发光传感器及检测农药残留物的方法。电极制备方法(示意图见附图),包括以下步骤:选择农药残留物的识别体;制备量子点及按照文献制备石墨烯纳米材料;利用电极表面修饰技术,将纳米材料和量子点及识别体修饰到传感器电极表面上。一种检测痕量农药残留物的方法,包括如下步骤将修饰好的电极连接到电致化学发光仪,对样品提取液中的农药残留物进行检测。本发明的电极的特异性强,灵敏度高,可以达到ng级;完成一个基本检测过程仅需3-5分钟的时间;成本低。电极检测农药残留物方法,操作快速简单,反应及结果均由仪器自动完成和记录。

标签:
化学分析
山东 - 济南 来源:中冶有色网 2023-03-19
对砷检测的电化学传感材料的制备方法

本发明公开了一种对砷检测的电化学传感材料的制备方法,具体步骤是:步骤一:银纳米粒子的合成:(1)、将所有要使用的玻璃仪器用王水浸泡几分钟后,用二次水冲刷干净;(2)、将0.125ml AgNO3(0.2M)分散在50ml的去离子水中并用磁力搅拌;(3)、将上述溶液加热至沸腾后,加入3ml sodium citrate(W:1%)和2mlVC(0.1M);(4)、将混合溶液加热5‑10min后,用二次水离心洗涤数次并分散在去离子水中;本发明利用电化学传感技术,使合成的材料能够迅速、灵敏、准确的探测到被测物质中的砷的含量,从而及时的对被污染物质进行处理,另外在检测过程中,其他杂质离子对于目的检测物质不会产生干扰。

标签:
化学分析
山东 - 济南 来源:中冶有色网 2023-03-19
检测有机氯农药的电致化学发光生物传感器的制备方法

本发明公开了一种检测有机氯农药的电致化学发光传感器的制备方法。本发明首先制备了一种新型二维纳米复合材料——二氧化钛/二硫化钼复合材料,即铁、锰共掺杂二氧化钛纳米方块与二硫化钼原位复合的二维纳米复合材料FeMn?TiO2/MoS2,利用该材料的良好的生物相容性和大的比表面积,负载上有机氯农药抗体,在进行检测时,由于铁、锰共掺杂二氧化钛可以催化过氧化氢原位生成O2,并与底液中的K2S2O8进行电化学反应,产生电致化学发光信号,再利用抗体与抗原的特异性定量结合对电子传输能力的影响,使得电流强度降低,从而降低发光强度,最终实现了采用无标记的电致化学发光方法检测有机氯农药的电致化学发光传感器的构建。

标签:
化学分析
山东 - 济南 来源:中冶有色网 2023-03-19
基于Pd NCs功能化CuInOS检测降钙素原的电化学免疫传感器的制备方法

本发明涉及一种基于钯纳米立方体(Pd NCs)功能化氧硫铟化铜(CuInOS)纳米复合材料(Pd NCs@CuInOS)检测降钙素原的无标记电化学免疫传感器的制备方法,属于电化学传感器领域。本发明合成了Pd NCs@CuInOS为基底材料,进行传感器的层层修饰。利用Pd NCs功能化CuInOS对过氧化氢良好的催化性能,实现了对标记物的高灵敏检测,同时CuInOS大的比表面积增加了Pd NCs的负载量,进一步增强了电化学信号。本发明对降钙素原检测的线性范围为0.0001~50 ng/mL,检测限为25.8 fg/mL。

标签:
化学分析
山东 - 济南 来源:中冶有色网 2023-03-19
基于共价有机框架材料灵敏检测中药中铅离子的电化学传感器的制备方法及应用

本发明公开了一种基于共价有机框架材料灵敏检测中药中Pb2+的电化学传感器的制备方法及应用,共价有机框架材料是一种多孔结晶材料,通过将共价有机框架材料修饰巯基,可以提高共价有机框架材料对Pb2+的吸附效果,通过含硫化合物与金形成自组装膜,将表面修饰了巯基的有机共价聚合物材料连接到Au电极的表面得到金电极‑巯基‑共价有机框架材料电化学传感器,利用金电极‑巯基‑共价有机框架材料电化学传感器通过方波溶出伏安法实现对中药中Pb离子的高速快捷检测并应用于丹参中Pb2+的检测,金电极‑巯基‑共价有机框架材料电化学传感器检测Pb2+灵敏度高、检测速度快、使用方便。

标签:
化学分析
山东 - 济南 来源:中冶有色网 2023-03-19
上一页 52 53 54 55 56 ... 59 下一页
共59页    到第

中冶有色为您提供最新的山东济南有色金属化学分析技术理论与应用信息,涵盖发明专利、权利要求、说明书、技术领域、背景技术、实用新型内容及具体实施方式等有色技术内容。打造最具专业性的有色金属技术理论与应用平台!

全国热门有色金属设备推荐
展开更多 +
全国热门有色金属技术推荐
展开更多 +

 

江西省隆恩特环保设备有限公司
宣传

报名参会
更多+

报告下载

有色专家
更多+

广西大学
处长/教授
武汉理工大学
外籍院士/教授
昆明理工大学
校长
任灵宝金源矿业股份有限公司
技术发展部经理
长沙有色冶金设计研究院有限公司
正高级工程师/中国铝业首席工程师/全国有色金属行业设计大师/国家注册采矿工程师
赤泥综合利用研究报告2025
推广

热门技术
更多+

推荐企业
更多+

福建省金龙稀土股份有限公司
宣传

发布

在线客服

公众号

电话

顶部
咨询电话:
010-88793500-807