青岛垚鑫智能科技有限公司
宣传

位置:中冶有色 >

有色技术频道 >

> 化学分析技术

分类:
全部
矿山技术
冶金技术
材料制备及加工技术
环境保护技术
分析检测技术
 
全部
物理检测技术
化学分析技术
力学检测技术
无损检测技术
失效分析技术
环境检测技术
地区:
全部
北京
天津
上海
重庆
河北
山西
辽宁
吉林
黑龙江
江苏
浙江
安徽
福建
江西
山东
河南
湖北
湖南
广东
海南
四川
贵州
云南
陕西
甘肃
青海
内蒙
广西
西藏
宁夏
新疆
其他
其他
展开
 
全部
济南
青岛
淄博
枣庄
东营
烟台
潍坊
济宁
泰安
威海
日照
滨州
德州
聊城
临沂
菏泽

山东青岛有色金属化学分析技术理论与应用

免费发布技术信息>>
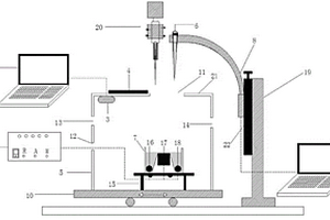
具有原位电化学测试功能的腐蚀试验装置

本发明属于电化学腐蚀试验技术领域,涉及一种自然海域环境中具有现场进行原位电化学测试功能的腐蚀试验装置,主体结构包括参比电极引线、辅助电极引线、辅助电极、参比电极、探头外壳、试样密封结构外壳、密封圈、压紧弹簧、紧固螺栓、试样和试样引线;采用电化学测试探头和试样密封结构两部分分体式结构设计,电化学测试探头由参比电极、参比电极引线、辅助电极和探头外壳组成,电化学测试探头通过探头外壳前部的螺纹旋转到试样密封结构上;试样密封结构外壳采用塑料、尼龙或其他非金属材料加工制成,通过O型密封圈和密封填充料将试样或研究电极密封固定,其结构原理简单可靠,使用操作方便,测试准确性好。

标签:
化学分析
山东 - 青岛 来源:中冶有色网 2023-03-19
泥岩化学势扩散系数测试装置及方法

本发明涉及一种泥岩化学势扩散系数测试装置及方法。测试装置包括压力控制系统、温度控制系统、高压釜及辅助数据采集与控制系统,其中压力控制系统分为围压加载系统、顶端压力加载系统及底端压力加载系统,所述的围压加载系统有围压泵,高压釜放置在恒温箱中,岩样夹持器安装在高压釜中。本发明的有益效果是:1、通过模拟井下温度和压力条件,测量泥岩化学势扩散系数,研究化学势在泥岩中的扩散规律,填补了在通过实验手段测试泥页岩中化学势扩散系数方面的空白,为理论模型推导出的泥页岩中化学势的扩散系数提供了实验依据及实验验证。

标签:
化学分析
山东 - 青岛 来源:中冶有色网 2023-03-19
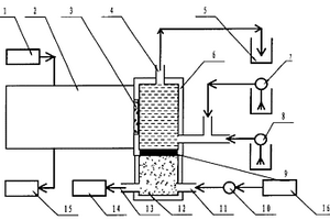
可控温承压的薄液膜体系腐蚀电化学测试装置及方法

本发明公开一种可控温承压的薄液膜体系腐蚀电化学测试装置,包括提供实验空间的环境腔、用于腐蚀电化学测试数据的三电极测试装置、用于调节压力的气压控制装置、用于调节温度的保温层。本发明提供的可控温承压的薄液膜体系腐蚀电化学测试装置旨在能够模拟湿天然气管道液膜条件的工况,并对湿天然气管道的腐蚀进行腐蚀电化学测试。本发明还提供了一种可控温承压的薄液膜体系腐蚀电化学测试方法,使用本发明提供的可控温承压的薄液膜体系腐蚀电化学测试装置做相应的腐蚀电化学测试。

标签:
化学分析
山东 - 青岛 来源:中冶有色网 2023-03-19
动态液膜下多尺度电化学测试装置

本实用新型涉及金属腐蚀及电化学研究领域,具体提供了一种动态液膜下多尺度电化学测试装置,该装置由动态液膜环境模拟和控制装置、液膜厚度自动测试装置、电化学工作站及微电极阵列测试系统和微区电化学测试系统组成,动态液膜环境模拟和控制装置内设置有电解池,可以模拟和监测动态液膜下局部腐蚀的电化学行为,实现宏观、介观、微观多尺度电化学信号的监测。该装置功能齐全,可以配合使用动态液膜控制、测量装置和多种电化学测试手段同时使用,并且具有安装方便、操作性强、稳定性强等特点。

标签:
化学分析
山东 - 青岛 来源:中冶有色网 2023-03-19
电化学测试系统
电化学测试系统 1006     
 0

本说明书实施例公开了一种电化学测试系统。本发明提供的测试系统具有一定的普适性,可在固相介质存在的条件下全面获取电极的宏观及局部的电化学性质的信息,应用范围广泛。此外,本发明所提供的系统基于同心圆三电极阵列进行,测试时电力线分布更均匀,电位测试精度高,可避免因电极短路/断路造成电化学工作站的损坏;通过与常规的电化学工作站联用,本发明提供的测试系统便于全面获取和有效关联电极在耦合/非耦合状态下局部腐蚀过程的自腐蚀电位、自腐蚀电流密度、极化性质及电化学阻抗谱等界面电化学信息,以及电偶电位、电偶电流等局部分布信息。

标签:
化学分析
山东 - 青岛 来源:中冶有色网 2023-03-19
流动注射化学发光测量水体溶解氧浓度的方法

本发明提供了一种流动注射化学发光方式测量水体溶解氧的方法,所述方法按下述步骤进行:(1)水样泵输送被测水体溶液;(2)水体溶液与过氧化氢溶液混合;(3)与过氧化氢混合后的溶液与酸性缓冲溶液混合,然后进入冷却管;(4)混合溶液流出冷却管后,与鲁米诺溶液混合和碱性缓冲溶液管路中碱性缓冲液混合,流入检测室;(5)光电倍增管对流通过的溶液所发出的光信号进行采集放大,并转换成电信号送入微型计算机数据处理系统,微型计算机数据处理系统对信号进行量化,计算出水体中溶解氧的浓度。采用本发明方法,具有灵敏度高,线性范围宽,而且快速、重现性好、自动化程度高,准确度等特点。

标签:
化学分析
山东 - 青岛 来源:中冶有色网 2023-03-19
测定化学不稳定气体的防爆装置

本实用新型涉及一种测定化学不稳定气体的防爆装置,它包括防爆桶,防爆桶的内部设有保温层,保温层的内部设有电加热器,电加热器底部设有测温管,爆桶上端通过螺钉与上盖板相连,电加热器内部设有防爆密封容器,防爆密封容器上端通过固定螺栓与密封盖相连,密封盖上设有进气管、废气排气管、温度检测器、压力传感器、点火正电极和点火负电极并且分别伸入防爆密封容器内部,进气管连有单向阀和进气流量阀。本实用新型通过将防爆密封容器与电加热器独立设置,防爆密封容器设有密封盖,电加热器与防爆桶相连设有上盖板,不仅提高了整体的密封性能,而且便于将防爆密封容器取下,进行全面的维修工作,以保障本设备的安全性,避免发生爆炸。

标签:
化学分析
山东 - 青岛 来源:中冶有色网 2023-03-19
牺牲阳极电化学性能测试装置

本发明属于腐蚀阴极保护技术领域,涉及一种牺牲阳极电化学性能测试装置,恒温槽通过外接的循环泵与温度控制槽连接,恒温槽内装有恒温液体;循环水管道的一端与恒温槽的顶端固定连接,另一端与温度控制槽出水口连接;温度控制槽内放置有电解槽,电解槽中间固定制有横板,横板上制有阴极铜、参比电极插孔和试样插孔;电解槽中制有通气口,相邻的电解槽之间制有隔板;最右侧的电解槽上开制有电解槽出水口;外接的水流通气装置由可调式多孔増气泵组成;工控机为试验提供开关模块、万用表模块、数据采集模块和测量软件;其总体结构简单,设计原理可靠,使用操作方便,检测精确度好,自动化程度高,环境友好,适用于不同的牺牲阳极材料。

标签:
化学分析
山东 - 青岛 来源:中冶有色网 2023-03-19
测量臭氧氧化固体颗粒物产生化学发光规律的仪器

本实用新型提出了一种测量臭氧氧化固体颗粒物产生化学发光规律的仪器,它可以现场、实时、快速检测沉积物或土壤有机物含量及相关数据,解决现有仪器检测周期长、费用高、试剂消耗大和有污染等问题。本实用新型的技术方案是,包括电源装置、控制电路、外部设备、串行总线和反应室,反应室上设有光电倍增管和样品盒,还设有臭氧发生器,臭氧发生器与反应室通过管路连接,在臭氧发生器与反应室之间的管路上设有电磁阀。本实用新型的仪器可以作为实验室研究手段,得出被研究的物质的臭氧氧化动力学特征,从而深入认识和研究被测物。

标签:
化学分析
山东 - 青岛 来源:中冶有色网 2023-03-19
水质化学需氧量测定仪
水质化学需氧量测定仪 1123     
 0

本实用新型公开了一种水质化学需氧量测定仪,其包括抽气泵,所述抽气泵的出入口分别管接废液瓶的吸气口和流动比色池;所述抽气泵和废液瓶的吸气口之间设有三通电磁阀;流动比色池的出口管通过排液管和单向阀与废液瓶连接,流动比色池的进液口通过进液管与消解管连接;所述流动比色池内设有固定架;所述流动比色池内的出液管和进液管之间连接比色管;所述流动比色池的一侧设有能射出透过流动比色池的光线的光源,另一侧设有能接收到光线的接收器;所述接收器包括硅光电池和光门。本实用新型采用便携式流动注射水质化学需氧量检测仪,采用国际上最先进的流动比色池、高精度电磁阀与吸气泵实现自动控制取样与排废为一体的自动测量装置。

标签:
化学分析
山东 - 青岛 来源:中冶有色网 2023-03-19
化学发光信号探测装置

本实用新型提供了一种化学发光信号探测装置,它可以解决现有技术存在的反应室无法打开观察、无法清洁、不能有效排除假信号以及光采集窗口小、无法清扫、光采集效率低等问题。技术方案是,一种化学发光信号探测装置,包括气液混合室,气液混合室一侧设有盖,另一侧设有带有压圈和O形圈的玻璃窗和光电转换器件,下端为气体获取室,盖外侧设有压圈,压圈与气液混合室的壳体活动连接,玻璃窗内侧设有O形圈外侧设有压圈。本实用新型一侧面设有可拆卸的压盖,可以根据需要拆装,便于反应室内部观察、以及清洁等作用,大大消减了假信号产生的可能性,另一侧设有带O形圈和压圈的玻璃窗方便了光窗口清洁,提高了信号检测的准确性。

标签:
化学分析
山东 - 青岛 来源:中冶有色网 2023-03-19
流动注射化学发光测量水体硫化物浓度的方法

本发明提供了一种流动注射化学发光测量水体硫化物浓度的方法,所述方法按下步骤进行:1、被测水样输入到反应室的水样反应室内;2、臭氧被送入反应室的水样反应室内,气液相反应30-50s,臭氧氧化水样中的硫化物生成二氧化硫;3、输送反应完全的被测水样溶液与磷酸管路中的磷酸混合;4、与磷酸混合后的混合溶液再与高锰酸钾溶液混合,光电倍增管检测溶液中高锰酸钾氧化二氧化硫产生的化学发光信号;5、光电倍增管对流通过的溶液所发出的光信号进行采集放大,并转换成电信号送入微型计算机数据处理系统,并对信号进行量化,计算出水体中硫化物的浓度。本发明具有灵敏度高,线性范围宽,快速、重现性好、自动化程度高等优点。

标签:
化学分析
山东 - 青岛 来源:中冶有色网 2023-03-19
牺牲阳极长期低温电化学性能测试装置

本发明涉及一种牺牲阳极长期低温电化学性能测试装置,包括制冷控温单元,用来控制海水介质的水温;数据采集单元,实现牺牲阳极工作电位、温度、盐度的自动采集,并实现牺牲阳极在整个实验周期内电量记录;数据传输单元,通过无线通讯模块传输数据采集单元所收集的牺牲阳极工作电位、温度、盐度参数,实现远程数据收集与远程控制;试验容器单元,提供牺牲阳极所需的温度环境和海水流速要求,使牺牲阳极构成水路回路。本发明的优点是:可以满足牺牲阳极长期低温电化学性能检测的试验要求,可以进行不同温度、不同流量、不同阳极电流密度的电化学性能试验。

标签:
化学分析
山东 - 青岛 来源:中冶有色网 2023-03-19
碳纳米粒子修饰电极电化学发光测定博来霉素的方法

一种博来霉素(BLMs)含量的检测方法,属于电化学发光和传感器技术领域。利用电化学发光试剂标记DNA制备DNA探针(Ru-DNA),将羧基化的碳纳米粒子修饰电极,通过静电斥力和π-π堆积作用之间的竞争作用,利用DNA与碳纳米粒子非共价键自组装原理构建了碳纳米粒子修饰电极电化学发光生物传感器。将目标物博来霉素与DNA探针作用,导致DNA被切割,吸附在碳纳米粒子修饰电极上DNA探针减少,产生的弱的电化学发光信号,以此实现对博来霉素的测定。这种方法有着简单、快速的优势。

标签:
化学分析
山东 - 青岛 来源:中冶有色网 2023-03-19
深海现场腐蚀电化学测试装置

本实用新型属于海洋工程技术领域,具体地说是一种深海现场腐蚀电化学测试装置,包括耐压水密电子舱、位于所述耐压水密电子舱内的腐蚀电化学测试系统、集成在所述耐压水密电子舱一端外部的插接件式电极系统、多孔屏蔽罩;腐蚀电化学测试系统与插接件式电极系统通过导线连接,多孔屏蔽罩安装在耐压水密电子舱的一端、将插接件式电极系统罩在里面。本实用新型可开展深海环境下原位、实时、快速的检测作业,具有耐高压、防渗水、防腐蚀、抗干扰能力强;体积小、强度高、绝缘和密封性能好等特点。

标签:
化学分析
山东 - 青岛 来源:中冶有色网 2023-03-19
流动注射化学发光方式测量海水中多环芳烃的方法

本发明提供了一种流动注射化学发光法测量海水中多环芳烃的方法,方法利用富集洗脱方式快速富集洗脱水体中多环芳烃,通过过氧化草酸酯和过氧化氢与多环芳烃所形成的发光体系,检测化学发光信号,从而建立流动注射化学发光方式测定海水中多环芳烃的方法。本发明测定海水中多环芳烃具有现场、快速,简便,灵敏的特点。

标签:
化学分析
山东 - 青岛 来源:中冶有色网 2023-03-19
气相/液相混合反应化学发光探测装置

本发明提供了一种气相/液相混合反应化学发光探测装置,它包括光学探测部、反应室,其特征在于:有一气室与反应室相连接,气室设有气相进口,反应室设有液相进口,在气室与反应室之间装有微孔滤膜。在原反应室的基础上加设了气室,气体以一定压力先进入气室,经微孔滤膜进入反应室,并在此区域与液相交汇,因而混合均匀、反应充分,反应效率高,由此通过光学玻璃所检测到的光信号完整充分。

标签:
化学分析
山东 - 青岛 来源:中冶有色网 2023-03-19
测定三聚氰胺的电化学方法

本发明涉及一种测定三聚氰胺的电化学方法,其特征是用富含胸腺嘧啶(T)的巯基DNA修饰金电极,以富含胸腺嘧啶的DNA和二茂铁修饰的金纳米粒子(Au-Fc-DNA2)为探针,在目标物三聚氰胺存在时,Au-Fc-DNA2与金电极表面的DNA作用,然后通过电化学检测得电化学信号,根据电化学信号实现三聚氰胺的测定。该方法具有高灵敏度,高选择性,低成本,操作简单等特点。

标签:
化学分析
山东 - 青岛 来源:中冶有色网 2023-03-19
金属钝化膜消长动态过程的电化学测试装置

本发明提供一种金属钝化膜消长动态过程的电化学测试装置,属于材料性能检测领域。本发明通过相互交叠的砂片组的变径和旋转,实现对试样的夹紧和对其表面钝化膜的磨损,使试验在一定范围内不受试样原始尺寸及磨损过程中尺寸改变的限制。通过带有滚珠轴承结构的支撑盘设计,同时实现砂片间相对位置的锁死和一体旋转动作。通过对旋转磨损频次和时长的控制,实现单次或多次磨损试验。通过内置的电化学三电极系统,实现钝化膜消长动态过程的原位、实时电化学测试。本发明原理简单,操作简便,相比于现有划伤电极技术增加了试样的有效测试面积,更准确的反映高压、苛性腐蚀环境中,或频繁磨损工况条件下,金属钝化膜磨损和自愈的动态电化学行为。

标签:
化学分析
山东 - 青岛 来源:中冶有色网 2023-03-19
化学发光测定磺胺二甲嘧啶的方法

本发明公开了一种化学发光测定磺胺二甲嘧啶的方法,其特征在于,所述方法包括以下步骤:(1)液态组分1的制备;(2)液态组分2的制备;(3)制备HRP(辣根过氧化物酶)修饰的R1;(4)制备HRP修饰的R2;(5)磺胺二甲嘧啶的检测。本发明的含有聚乙二醇的化学发光体系具有更低的毒性、更高的闪点和更低的蒸气压这些优良特性,具有更好的贮存稳定性。本发明的精确性和特异性强、灵敏度和稳定性高、污染小,成本低、检测简便快捷。通过检测液态奶中磺胺二甲嘧啶的含量并利用加标回收法对该方法进行了考察,回收率在98.0%~100.3%之间,表明此方法在复杂基底中测定磺胺二甲嘧啶具有良好的准确度。

标签:
化学分析
山东 - 青岛 来源:中冶有色网 2023-03-19
交流电干扰下金属材料大气腐蚀电化学测量装置

本发明涉及金属材料腐蚀检测技术领域,且公开了一种交流电干扰下金属材料大气腐蚀电化学测量装置,包括温湿度控制系统、外加交流回路和电化学测试系统,所述温湿度控制系统包括腔体、塑料套筒、配套试验件、电化学工作站、恒温循环水浴箱、超声雾化器和恒温水浴箱,所述外加交流回路包括交流电源、可调电阻、数据采集板卡、电容和电流表。该交流电干扰下金属材料大气腐蚀电化学测量装置,通过温湿度控制系统可以生成和控制液膜的生成和维持,通过外加交流回路和电感的设置,可将交流电与电化学测量装置有效分离,从而实现金属材料交流电干扰下金属材料大气腐蚀电化学测量。

标签:
化学分析
山东 - 青岛 来源:中冶有色网 2023-03-19
基于适体识别作用电化学测定多巴胺的方法

本发明涉及一种基于适体识别作用电化学测定多巴胺的方法及应用,将电化学标记物硫堇吸附在金-铂纳米粒子(Au@PtNPs)表面,再将巯基DNA1固定在Au@PtNPs表面,得电化学探针(DNA1/Th/Au@PtNPs);再将电化学探针溶液中加入多巴胺适体链DNA2,DNA1与DNA2发生互补配对,得DNA2修饰的电化学探针(DNA2/DNA1/Th/Au@PtNPs);当向DNA2修饰的探针溶液中加入多巴胺后,适体链DNA2与多巴胺结合,导致重新生成了电化学探针DNA1/Th/Au@PtNPs;然后将碳纳米粒子修饰金电极(CNPs/GE)浸入重新生成的电化学探针DNA1/Th/Au@PtNPs溶液中,由于碳纳米粒子与单链DNA1的吸附作用,电化学探针吸附于电极表面,测电化学信号,通过电化学信号强弱实现了电化学方法对多巴胺的定量测定。本发明的传感器具有很高的选择性和检测灵敏度。

标签:
化学分析
山东 - 青岛 来源:中冶有色网 2023-03-19
超声波与化学作用下岩石力学参数测定实验装置及方法

本发明公开了一种超声波与化学作用下岩石力学参数测定实验装置及方法,其实验装置包括用于放置被测试岩芯的密闭盒体、分别通过左侧加载轴和右侧加载轴从左右两侧对被测试岩芯进行对称加载的岩石力学试验机、超声波换能器、超声波发生器、液压增压器、布设于密闭盒体上部的排气阀、压力检测单元、超声波功率检测仪和超声波振幅测量仪以及显示单元;其实验方法包括步骤:一、实验准备;二、化学试剂添加;三、超声波处理启动;四、启动加载且加载过程中同步进行岩石力学参数测定。本发明设计合理、安装布设方便、功能完善且使用操作简便、使用效果好,能高效、快速完成超声波与化学试剂联合作用下被测试岩芯的岩石力学参数测定实验。

标签:
化学分析
山东 - 青岛 来源:中冶有色网 2023-03-19
臭氧与过氧化氢协同测量化学耗氧量和总有机碳的方法

本发明利用臭氧与过氧化氢协同氧化过程中化学发光技术测量水体化学耗氧量(COD)和水体总有机碳(TOC)的方法,它是应用臭氧和过氧化氢协同氧化过程中化学发光原理,臭氧与过氧化氢协同氧化有机物会得到更强的化学发光信号,通过微光光电转换技术对反应过程中产生的光信号进行检测拾取,经放大、量化、时间序列积分处理后,得出水体化学耗氧量(COD)和水体总有机碳(TOC)含量。本发明的方法,不需添加试剂,不产生二次污染,能够准确、连续、快速的测试水体总有机碳(TOC)和化学耗氧量(COD),可在恶劣的环境中长期可靠工作。

标签:
化学分析
山东 - 青岛 来源:中冶有色网 2023-03-19
化学发光测定三聚氰胺的方法

本发明属于化学发光传感器领域,涉及利用目标诱导链释放技术,结合杂交链式反应和化学发光技术测定三聚氰胺(Me)的方法。当有目标物Me存在时,Me与功能化磁珠FMB1表面的双链DNA中的适体DNA1作用,释放出适体的互补序列DNA2。释放出来的互补序列DNA2与另一功能化的磁珠(FMB2)作用,在修饰HRP的发夹DNA(HRP-H1和HRP-H2)存在下进行链式杂交反应,使两种修饰的DNA生长成为一条长的双链DNA。通过磁性分离,再利用HRP对luminol-H2O2化学发光体系的催化作用产生化学发光,通过测定化学发光强度实现Me的测定。本方法具有高的选择性和检测灵敏度。

标签:
化学分析
山东 - 青岛 来源:中冶有色网 2023-03-19
管路冲刷腐蚀及电化学测试装置

本发明提供了管路冲刷腐蚀及电化学测试装置,该实验装置的试样为一段实际管路,由两端PVC法兰夹持并由法兰连入管路,其中一端法兰用于安装固态参比电极。辅助电极采用圆柱形电极,位于管路中心轴线,迎水端为圆锥形,插入外接法兰中心圆环,兼有支撑和调节位置的作用。出水端外侧设置螺纹固定于钛合金法兰中心,兼有固定和支撑的作用。本发明的实验装置中试样为管状,可由实际管路裁下或者由棒材等加工而成,其环形管段内流态近似于实际管路,安装方便,提高测试效率。三电极的接入方式有利于保持试验管路内介质流态稳定,使得测试结果更加稳定可靠,有利于更好的分析材料在管路冲刷腐蚀环境中的腐蚀机理。

标签:
化学分析
山东 - 青岛 来源:中冶有色网 2023-03-19
化学品75℃热稳定性测试试验装置及测试方法

本发明公开了一种化学品75℃热稳定性测试试验装置及测试方法,其测试装置包括测试端和加热单元,测试端是由金属块制成的芯体,加热单元位于芯体内并对芯体加热,所述芯体的外围还设置有绝缘材料;在芯体上设置有多个测量槽,每个测量槽内用于放置装有化学品的玻璃管和装有参考物质的玻璃管,在玻璃管与测量槽之间填充有绝缘材料,在每个玻璃管内或其侧壁设置有用于记录温度的热电偶。本发明试验装置在测试灵敏度与现有技术相同的情况下,进一步降低了测试过程中的危险性,而且可以多组测量。

标签:
化学分析
山东 - 青岛 来源:中冶有色网 2023-03-19
用于现场监测耐候钢锈层腐蚀的电化学探头和测量方法

本发明公开了一种用于现场监测耐候钢锈层腐蚀的电化学探头和测试方法,属于材料腐蚀的现场监测技术领域。该电化学探头外边缘是由惰性金属电极构成,探头中央是一个待测量的金属电极,处于两者之间的是4个处于特殊位置的参比电极,这些电极之间用填充固化绝缘胶进行电信号隔离,并为所有电极设置引出线。工作时,电极表面采用水平放置,具有较大的平整工作面。本发明的电化学监测探头具有结构简单、易于加工的特点,对于材料的适用性强,特别是考虑了大气腐蚀下的薄液层因素,合理设计了探头的结构和连接方式,最大限度地保证了电信号的传输。

标签:
化学分析
山东 - 青岛 来源:中冶有色网 2023-03-19
化学发光测定脱氧雪腐镰刀菌烯醇的方法

本发明属于分析化学和化学发光传感器领域,以(CH3COO)2Cu·H2O和K2PtCl6为原材料,淀粉离心液作为稳定剂,抗坏血酸为还原剂,用水溶液法合成了PtCu二元合金纳米复合材料;以PtCu为标记物,利用适体识别作用,构建了测定脱氧雪腐镰刀菌烯醇新方法。方法简单、灵敏度高、成本低。

标签:
化学分析
山东 - 青岛 来源:中冶有色网 2023-03-19
三电极阵列局部电化学信息测试系统及测试方法

本发明提供了一种三电极阵列局部电化学信息测试系统,包括依次电连接的同心圆三电极阵列、高速切换开关和电化学工作站,所述同心圆三电极阵列包括若干同心圆三电极单元,相邻的同心圆三电极单元之间通过绝缘材料隔离;所述同心圆三电极单元包括环状辅助电极、固态参比电极和丝状工作电极,所述环状辅助电极和固态参比电极均成环形,丝状工作电极位于固态参比电极内,丝状工作电极和固态参比电极之间通过绝缘材料隔离;固态参比电极位于环状辅助电极内。采用本系统更加便于全面获取电极耦合/非耦合状态下电偶电流、腐蚀电位、腐蚀电流密度、电化学阻抗谱等界面电化学信息。同时,本发明还提供了该系统的测试方法。

标签:
化学分析
山东 - 青岛 来源:中冶有色网 2023-03-19
上一页 42 43 44 45 46 ... 51 下一页
共51页    到第

中冶有色为您提供最新的山东青岛有色金属化学分析技术理论与应用信息,涵盖发明专利、权利要求、说明书、技术领域、背景技术、实用新型内容及具体实施方式等有色技术内容。打造最具专业性的有色金属技术理论与应用平台!

全国热门有色金属设备推荐
展开更多 +
全国热门有色金属技术推荐
展开更多 +

 

江西省隆恩特环保设备有限公司
宣传

报名参会
更多+

报告下载

有色专家
更多+

中南大学
中国工程院院士
武汉工程大学
教授
北京科技大学
教授
湖南有色金属研究院
教授级高工/原总工程师
江西理工大学
教授
赤泥综合利用研究报告2025
推广

热门技术
更多+

推荐企业
更多+

福建省金龙稀土股份有限公司
宣传

发布

在线客服

公众号

电话

顶部
咨询电话:
010-88793500-807