青岛垚鑫智能科技有限公司
宣传

位置:中冶有色 >

有色技术频道 >

> 化学分析技术

分类:
全部
矿山技术
冶金技术
材料制备及加工技术
环境保护技术
分析检测技术
 
全部
物理检测技术
化学分析技术
力学检测技术
无损检测技术
失效分析技术
环境检测技术
地区:
全部
北京
天津
上海
重庆
河北
山西
辽宁
吉林
黑龙江
江苏
浙江
安徽
福建
江西
山东
河南
湖北
湖南
广东
海南
四川
贵州
云南
陕西
甘肃
青海
内蒙
广西
西藏
宁夏
新疆
其他
其他
展开
 
全部
济南
青岛
淄博
枣庄
东营
烟台
潍坊
济宁
泰安
威海
日照
滨州
德州
聊城
临沂
菏泽

山东青岛有色金属化学分析技术理论与应用

免费发布技术信息>>
电子电气产品聚合物材料中六溴环十二烷的定性筛选法

本发明属分析化学领域,涉及一种电子电气产品聚合物材料中六溴环十二烷的定性筛选法,待测样品经粉碎或剪切后,直接引入热裂解器中,以300℃瞬间裂解的方式将六溴环十二烷从聚合物材料中解析出来,进入气相色谱‑质谱联用仪,采用VF‑5MS毛细管柱(15m,0.25mm,0.1μm)分离,通过保留时间和化合物特征离子定性。方法的检出限可达100mg/kg。方法简单快速,无需复杂的前处理过程,固体样品直接进样,样品用量少,灵敏度高,可满足实际电子电气产品中六溴环十二烷快速筛选的需要。

标签:
化学分析
山东 - 青岛 来源:中冶有色网 2023-03-19
提高人体免疫力的智能健康空调及使用方法

本发明公开了一种提高人体免疫力的智能健康空调及使用方法,解决了现有技术中空调并未考虑环境化学参数、及所处环境对居住者影响的问题,具有降低居住环境的污染物浓度,保证居住者的健康的有益效果,具体方案如下:一种提高人体免疫力的智能健康空调,包括用于监测环境物理参数和化学参数的监测模块;用于监测人体皮肤表面温度与睡眠质量的手环;数据分析模块,与监测模块、手环分别单独连接,数据分析模块包括用于分析判断环境物理参数是否在设定范围内的环境物理参数分析单元,用于分析判断环境化学参数是否在设定范围内的环境化学参数分析单元;空调模块,数据分析模块将分析结果发送至空调模块,空调模块包括空调控制器,和与空调控制器连接的功能段单元。

标签:
化学分析
山东 - 青岛 来源:中冶有色网 2023-03-19
基于同时封装靶物质并合成具有氧化还原活性MOFs的制法

本发明公开了基于同时封装靶物质并合成具有氧化还原活性MOFs的制法,选用亚甲基蓝作为有机靶分子,通过一锅法在合成MOFs的同时将亚甲基蓝封装在内,得到亚甲基蓝修饰的ZIF‑8,克服上述MOFs材料不具有电传导能力的缺陷,本发明方法简单,快速、成本低,制备产物可对多巴胺进行准确、灵敏、简便、快捷的探测,为生物检测、化学分析等领域的研究提供了一种新的发展方向。

标签:
化学分析
山东 - 青岛 来源:中冶有色网 2023-03-19
麻痹性贝类毒素标准溶液的制备方法

本发明公开了一种麻痹性贝类毒素标准溶液的制备方法,属于生物技术领域。所述方法以有毒贻贝为原料,采用1%的乙酸水进行提取,依次用Sephardex LH20进行净化收集目标馏分后再经高效液相色谱用TSK‑GEL Hillic Amide‑80色谱柱(4.6×250mm,5μm)进行制备,以95%的乙腈水溶液(0.1%甲酸)和纯水(0.1%甲酸)作为流动相,在保留时间为8‑11分钟内收集GTX1&4、GTX2&3色谱峰。均匀性实验中,测得毒素样品溶液的均匀性较好,能满足麻痹性毒素化学检测方法(液质法)中毒素质量分析的要求。

标签:
化学分析
山东 - 青岛 来源:中冶有色网 2023-03-19
定量评价海洋环境变化的方法

本发明涉及一种定量评价海洋环境变化的方法,具体以海洋环境中的底栖贝类为目标,从海洋低等生物的分子、细胞水平入手,将生物化学、细胞生物学、细胞遗传学和病理学等有关技术和方法引入到传统的海洋环境监测方法中,建立相应的生物标志物指数(integrated?biological?response, IBR);分析IBR与环境变化之间的相关性判定海洋环境污染程度的渐变,建立基于IBR的生物环境评价新方法。该方法克服传统海洋环境监测方法的间接性、滞后性以及检测灵敏度低等缺点,具有更高的灵敏性与预警性,能够为海洋环境的早期污染评价提供一种有效的预警性监测手段。

标签:
化学分析
山东 - 青岛 来源:中冶有色网 2023-03-19
基于多算法推荐的不同地区间土壤养分模型转移方法

本发明属于一种模型转移方法,公开了一种基于多算法推荐的不同地区间土壤养分模型转移方法,步骤如下:1)获取不同地区间土壤光谱数据,并设定主、从样品;2)划分主样品校正集和检验集,以偏最小二乘法建立主样品校正模型,并对其模型效果进行评价;3)划分从样品标准集和未知集;4)对从样品进行光谱预处理;5)多种算法模型转移,得到从样品未知集的预测结果;6)评价分析,推荐出效果最好的模型转移算法。本发明实现了运用一个土壤养分含量模型,解决不同地区间土壤养分含量预测的难题,在保证该模型预测效果的同时,减少了土壤养分化学方法测量的时间,降低成本,节省人力物力,快速、简单的实现土壤养分的预测。

标签:
化学分析
山东 - 青岛 来源:中冶有色网 2023-03-19
二维卟啉MOFs/TOAB修饰电极及制备方法、应用

本发明涉及光/电化学分析检测技术领域,具体涉及一种二维卟啉MOFs/TOAB修饰电极及制备方法、应用。所述修饰电极包括玻璃碳电极、电极表面的二维卟啉MOFs材料,以及卟啉金属有机框架材料表面的四辛基溴化铵;其中二维卟啉MOFs材料的制备方法为:(1)在DMF和乙醇的混合溶液中加入三水合硝酸铜(II)、三氟乙酸和聚乙烯吡咯烷酮,在搅拌下滴加溶于DMF和乙醇的卟啉溶液,将混合溶液超声处理,使其均匀分散;(2)将混合溶液加热至80℃,保持3小时,将得到的红色纳米片用乙醇洗涤,离心收集产物。所述修饰电极在含有溶解氧的水相电解液中,与鲁米洛产生竞争性催化反应,制备简单、方便,对鲁米洛的检测具有灵敏度高、线性范围大、稳定性和重复性好等优点。

标签:
化学分析
山东 - 青岛 来源:中冶有色网 2023-03-19
巯基功能化β-酮烯胺结构的共价有机框架材料及其制备方法与应用

本发明属于环境分析化学和新材料制备技术领域,具体涉及一种巯基功能化β‑酮烯胺结构的共价有机框架材料及其制备方法与应用。所述巯基功能化β‑酮烯胺结构的共价有机框架材料,结构式如下:该材料应用于定量分离富集环境水样中重金属(Co2+、Ni2+、Cd2+)时,能够解决当前环境水样中痕量重金属分析时面临的复杂基质干扰、检测仪器灵敏度低的问题,且性质稳定,能够进行重复利用。

标签:
化学分析
山东 - 青岛 来源:中冶有色网 2023-03-19
多级孔金属-有机框架气相色谱固定相材料的制备方法

本发明涉及一种多级孔金属‑有机框架气相色谱固定相材料的制备方法,采用羧酸有机配体、四价金属离子为反应物,加入一定量的酸调节剂和溶剂,在一定温度下反应,获得多级孔金属‑有机框架材料。将此类多级孔金属‑有机框架材料作为气相色谱的固定相,在低碳链烷烃/烯烃的气相色谱分析中获得了优异的分离效能。该类型色谱固定相可用于石油、化工、生物化学、医药卫生、食品工业、环保等多个领域的分析检测。

标签:
化学分析
山东 - 青岛 来源:中冶有色网 2023-03-19
DNA-AuNPs纳米网络结构的制备方法及应用

本发明公开了一种DNA-AuNPs纳米网络结构的制备方法及应用,包括Au?NPs的制备、DNA功能化Au?NPs的制备和DNA-AuNPs纳米网络结构的层层组装;本发明利用DNA-AuNPs做纳米信标,利用DNA的互补特性形成双链DNA,进而形成纳米网络结构,有利于RuHeX这种电活性物质的吸附;而利用DNA的互补的性能形成DNA-Au?NPs的网状结构,为电活性物质的吸附提供了大量的位点,从而实现电化学信号的放大,用于蛋白激酶活性及其抑制剂分析,通过锆离子的配位作用,利于纳米网络结构修饰在电极表面,为活性物质提供了大量的负载位点,极大增强了电化学信号,因此,该生物传感器对激酶活性的最低检测限值达到0.03U/mL,同时稳定性高、线性范围宽。

标签:
化学分析
山东 - 青岛 来源:中冶有色网 2023-03-19
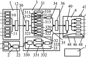
离子色谱仪
离子色谱仪 1142     
 0

一种离子色谱仪,功能操作面板固定在机箱的上部,电路部分连接功能操作面板,高压平流泵和化学流路箱在机箱的内下方,其中电源电路的输出端分别连接电导池、调制解调器、及A/D转换器的输入端,电导池的输出端连接调制解调器的输入端,A/D转换器的输出端连接微机分析仪的输入端,该调制解调器的输出端连接信号调理装置,信号调理装置的输出端连接A/D转换器的输入端。由于采用了信号调理电路,具有检测下限为0.08PPB的优点;与“十种离子分离法”结合,可以同时测试十余种离子,适合对复杂水域进行高精度的水质检测;在机箱面板上安装触摸显示操作屏,具有操作简便,显示直观、清晰的优点。

标签:
化学分析
山东 - 青岛 来源:中冶有色网 2023-03-19
光电流读出电位型传感器信号的方法

本发明属于分析化学和离子传感器领域,具体涉及一种光电流读出电位型传感器信号的方法,其原理是以Mo2C为原材料,用超声剥离的方法合成了Mo2CNSs,以其修饰电极;以修饰电极、ISE、Pt电极构成三电极系统,以光为激发条件,在目标离子存在时产生光电信号,以光电信号和离子浓度的关系构建了一种光电流读出电位型传感器信号的方法。该方法测定离子浓度产生的信号变化明显高于传统ISE离子检测的值;表明离子检测具有高的分辨率。

标签:
化学分析
山东 - 青岛 来源:中冶有色网 2023-03-19
十六酰胺在制备提高精子活力的药物中的应用

本发明公开了十六酰胺在制备提高精子活力的药物中的应用。本发明对4类人群(健康人群Healthy、轻度弱精症人群MIA、中度弱精症人群MOA、重度弱精症人群SA)精浆中微生物组和代谢组进行了差异关联分析,并采用WGCNA分析筛选得到一种关键差异代谢物‑十六酰胺Hexadecanamide,然后采用特定的精子体外培养液将人的精子细胞与该代谢物进行共培养,不同时间点对精子活力进行检测,结果也证实了该代谢物可提高精子活力。本发明方法成功利用微生物组学和代谢组学联合分析,并结合精子细胞与代谢物共培养实验从人的精浆中筛选出一种可提升精子活力的代谢物。本发明方法为提高精子活力提供了一种很好的化学物质,同时可为弱精症的治疗带来了新的希望。

标签:
化学分析
山东 - 青岛 来源:中冶有色网 2023-03-19
仿过氧化物酶材料及其应用

本发明涉及分析化学领域,具体包括一种仿过氧化物酶材料及其应用。所述仿过氧化物酶材料金银异质纳米棒(Au@Ag?NRs)可作为催化剂的应用。本发明采用金银异质纳米棒用于中性或近中性pH缓冲液中定量检测过氧化氢,并通过与葡萄糖氧化酶耦联来实现中性或近中性pH条件下葡萄糖的定量分析。该发明可用于食品发酵、生物医药、化工、环境、生物技术等领域的定量分析和催化剂等方面。

标签:
化学分析
山东 - 青岛 来源:中冶有色网 2023-03-19
质谱仪离子化环境在线调节系统与方法

本发明公开了一种质谱仪离子化环境在线调节系统与方法,系统安装于质谱仪上或者色谱仪色谱柱与质谱仪之间,至少包括控制器、泵、连接管线、连接管件和调节液容器;连接管线一端与色谱仪相连、另一端与质谱仪相连,中间通过连接管件与泵相连,泵通过连接管线与调节液容器相连。优化检测条件时,通过控制泵的开关和流速,在同一流动相中输入不同种类或不同流速的调节液,得到理想的离子种类和响应强度;检测时,按需同时或不同时输入的不同种类不同流速的调节液,在线调节流动相成分,实时改变化合物在离子源的离子化环境,满足不同性质化合物同时检测的需要,节约了化学试剂的使用量,提高了分析测试的效率。

标签:
化学分析
山东 - 青岛 来源:中冶有色网 2023-03-19
超滤系统用循环清洗水箱

本实用新型公开了一种超滤系统用循环清洗水箱,包括底座和水箱本体,所述底座的表面分别设置有过滤箱和检测箱,水箱本体的表面开设有滑槽,滑槽的内壁滑动连接有过滤板,过滤板的表面设置有密封防漏垫,水箱本体的侧面分别设置有进水管和回流管,水箱本体的下表面分别设置有保护壳和导管,保护壳的内壁设置有驱动电机,驱动电机的输出轴设置有搅拌杆。该超滤系统用循环清洗水箱,通过设置过滤箱、检测箱、导管、过滤组件、水泵和连接管,结束清洗后,水箱本体内的污水会通过导管进入到过滤箱内,过滤箱中的过滤组件能够对水中的有害物质进行过滤,过滤后的污水进入到检测箱内,PH计和水质分析仪能够检测污水的化学指标。

标签:
化学分析
山东 - 青岛 来源:中冶有色网 2023-03-19
镁铝合金熔炼铸造工艺

本发明公开了一种镁铝合金熔炼铸造工艺,(1)合金配料与备料按合金的化学成分和熔化炉的容量进行配料计算(2)合金装炉前要将熔炼炉炉膛温度调整到850℃-900℃;(3)熔铝在熔炼炉内进行;(4)熔硅是在保温炉内进行;(5)合金变质镁铝合金采用AL-Sr5%中间合金变质;(6)加镁的时机是在熔体精炼之后,在取样前加镁;(7)取样分析镁铝合金的取样温度为700℃;(8)化学成分调整按镁铝合金化学成分标准进行;(9)合金化学成分控制镁铝合金是可热赴理强化的铸造铝合金,合金主要强化相为Mg2Si;(10)打开放液口,向铝水包注入合金液;(11)合金液密度检测用取样勺在铝水包的铝液中舀取试样,铸成试样块;其有益效果在于:各项性能的大幅提高。

标签:
化学分析
山东 - 青岛 来源:中冶有色网 2023-03-19
灭菌气指示卡
灭菌气指示卡 1217     
 0

本发明涉及一种灭菌气指示卡,可用于医疗、卫生、防疫、科研、教学、环保、食品、畜牧、水产、生物工程、工商、检疫、洗衣店、技术监督等各个领域监督检测环氧乙烷消毒效果的鉴定试剂。主要组分是氯化镁溶液、溴酚蓝盐酸溶液、嗜热脂肪杆菌芽孢菌液、中性滤纸、氢硫基醋酸盐培养基、塑料注射器样的装置。经剪纸、灭菌、浸渍、烘干、增菌培养、滴染、晾干、无菌包装等工艺而成一种专业的生物-化学指示剂的、新型灭菌气指示卡。本发明具有以下优点:灭菌气指示卡适合于各种场合的环氧乙烷灭菌效果的检测;操作简便快速易行,不需特殊培养条件;成本及价格低廉;敏感性好、特异性强、准确性高;不仅能检测环氧乙烷的灭菌程度,还能对环氧乙烷的气体定量分析,并能快速准确的标示消毒时间检测步骤达到快速一步法;不受干扰因素影响。

标签:
化学分析
山东 - 青岛 来源:中冶有色网 2023-03-19
基于同位素示踪的“烃-水-岩”相互作用热模拟实验方法

本发明属于石油天然气地球化学实验技术领域,公开了一种基于同位素示踪的“烃‑水‑岩”相互作用热模拟实验方法。本发明首先将n‑二十烷、水、长石颗粒置于反应釜中加热进行反应;反应结束后将反应釜于水中淬火至室温;然后对反应釜中得到的样品进行测试,具体为:检测气体产物成分和含量、检测气体产物同位素、检测水溶液同位素、检测自生粘土同位素、液态烃和水溶液高场核磁测试、检测矿物特征和矿物成分;最后分析实验前后物质的交换作用和“烃‑水‑岩”相互作用机理。本发明建立了多种同位素示踪的热模拟实验方法,标定了H、O在烃类、水和矿物间的交换过程和路径,为揭示有机‑无机相互作用机理提供了证据支撑。

标签:
化学分析
山东 - 青岛 来源:中冶有色网 2023-03-19
还原态石墨烯修饰玻碳电极及其制备和应用

本发明属电化学分析检测技术领域,特别涉及一种还原态石墨烯修饰玻碳电极及其制备和应用。电化学传感器以玻碳电极为载体,载体负载7-113μg/cm2的石墨烯作为识别元件。本发明方法能直接用于曲酸的快速电化学测定,具有灵敏、准确等优点。

标签:
化学分析
山东 - 青岛 来源:中冶有色网 2023-03-19
具有串联酶活性的铱纳米酶及其应用

本发明涉及纳米材料、催化及分析化学领域,具体包括一种具有串联酶活性的铱纳米酶及其应用。本发明所提供的铱纳米酶兼具仿过氧化物酶活性和仿葡萄糖氧化酶活性,且两种仿酶活性的最适活性pH相近。本发明利用该铱纳米酶实现了一锅法无酶显色检测葡萄糖,该材料将有望被广泛用于分析化学、生物医药、食品工程和催化等领域。

标签:
化学分析
山东 - 青岛 来源:中冶有色网 2023-03-19
铁基纳米晶光谱标样制备方法

本发明涉及一种铁基纳米晶光谱标样制备方法,该方法包括以下步骤:选定标样配比化学式并计算原料添加配比;按照配比向真空感应炉中添加原料,利用真空感应炉将原料冶炼成钢水;将钢水浇注到石墨圆柱形模具中进行热处理,形成钢样;将钢样进行线切割、打磨及抛光处理,根据显微镜观察和超声波无损探伤挑选合格的钢样;对合格的钢样进行均匀性分析;将检测结果进行分析,取平均值为各元素定值;形成标样。本发明从化学成分设计、冶炼过程、最后的试样加工过程着手,提供了一种铁基纳米晶合金光谱标样的制备方法,制得的样品能被光谱仪有效、均匀的激发,从而获得更加准确的数据,这为铁基纳米晶材料的开发及生产提供了保障。

标签:
化学分析
山东 - 青岛 来源:中冶有色网 2023-03-19
CS/IL-GR修饰的牛血清白蛋白分子印迹电极的制备及其应用

本发明公开了CS/IL-GR修饰的牛血清白蛋白分子印迹电极的制备,其步骤包括CS/IL-GR/GCE的制备,MIPs/CS/IL-GR/GCE的制备;还公开了CS/IL-GR修饰的牛血清白蛋白分子印迹电极在检测BSA的应用,以[Fe(CN)6]3-/4-作为电化学探针,采用电化学阻抗(EIS)和差分脉冲伏安法(DPV)对MIPs/CS/IL-GR/GCE的性能进行表征,该印迹电极对1.0×10-10-1.0×10-4g/L浓度范围内的BSA表现出良好的线性关系,探针的峰电流变化值ΔI(μA)=27.42+2.21logCBSA(g/L),R=0.996,检出限达到了2.02×10-11g/L,本发明的有益效果为,基于IL-GR复合物的协同效应及壳聚糖分子与蛋白质分子的相互作用,印迹传感器表现出良好的选择性、灵敏度和重现性,可用于痕量样品的临床分析检测。

标签:
化学分析
山东 - 青岛 来源:中冶有色网 2023-03-19
石墨烯@聚丙烯基复合材料及其制备方法和传感应用

本发明提供一种石墨烯@聚丙烯基复合材料及其制备方法和传感应用,属于电化学传感器制造和检测分析技术领域。本发明将石墨烯均匀、多次地喷涂在聚丙烯非织造布上,使其经过层层自组装形成薄膜,从而成功制备一种石墨烯@聚丙烯基复合材料,该复合材料对亚硝酸根离子有较强的电催化作用,从而非常适合将其应用于对亚硝酸根离子的电化学检测,经试验证明,其具有极佳的检测灵敏度和选择性,因此具有良好的实际应用之价值。

标签:
化学分析
山东 - 青岛 来源:中冶有色网 2023-03-19
一类基于双核铱(Ⅲ)配合物的G-四链体选择性探针

本发明涉及过渡金属配合物、分析化学和生物化学等技术领域,具体包括开发一类基于双核铱(Ⅲ)配合物的G‑四链体选择性荧光探针及其在农药检测方面的应用。在G‑四链体DNA的存在下,该双核铱(Ⅲ)配合物的荧光显著增强。而对单链和双链DNA,该双核铱(Ⅲ)配合物的荧光变化很小。研究发现该类铱(Ⅲ)配合物具有识别G‑四链体DNA的能力。该类铱(Ⅲ)配合物制备工艺简单、对G‑四链体的识别能力强、响应迅速、成本低,在基于G‑四链体的免标记生物传感领域具有重要的应用价值。该探针与免标记检测平台相配合,可用于检测有机磷酸酯或氨基甲酸酯类农药。

标签:
化学分析
山东 - 青岛 来源:中冶有色网 2023-03-19
新型的硅球上超支化放大的荧光信号探针及其制备和应用

本发明公开了一种新型的硅球上超支化放大的荧光信号探针;以及所述荧光信号探针的制备方法及其检测Cu2+的分析应用。本发明的技术方案是利用点击化学反应引发的步行器放大技术结合超支化杂交链式反应(HB‑HCR)构建了树枝状扩增的荧光平台,实现了对Cu2+的灵敏检测。目标Cu2+首先引发点击化学反应和DNA步行器放大过程,将Cu2+转化为大量的DNAS3产物。通过DNA S3与SiO2微球上H1杂交反应,引发了发夹H2、HS‑DNA、H3‑DNA和LT‑DNA之间的超支化杂交链式反应(HB‑HCR),组装成新型的树枝状DNA结构,负载大量的荧光Cy5,实现了对Cu2+放大信号的超灵敏荧光检测。

标签:
化学分析
山东 - 青岛 来源:中冶有色网 2023-03-19
散装物料取制样系统
散装物料取制样系统 958     
 0

本发明涉及一种取样系统,具体地说,涉及一种散装物料取制样系统,本发明提供了一种对散状物料实现在线制备化学分析样品、物理性能样品、冶金性能样品等,可实现在线粒度分布测定、样品水分检测、物理性能测试等功能的自动化散装物料取制样系统,其包括样品制备装置、机械手,围绕机械手设置粒度组成分析装置、水分测量装置、分析样品制备装置、样品存储装置和清洗装置,其还包括控制系统,样品制备装置、机械手、粒度组成分析装置、水分测量装置、分析样品制备装置、样品存储装置和清洗装置都和控制系统连接,由控制系统控制机械手依次将散装物料送到各个装置,全自动制样系统适用行业:各钢铁冶金行业、矿石码头行业、电业行业等、勘探行业等。

标签:
化学分析
山东 - 青岛 来源:中冶有色网 2023-03-19
基于太赫兹光谱定性识别氨基酸混合物的方法

本发明公开了一种基于太赫兹光谱定性识别氨基酸混合物的方法,首先通过分量空间模式分析CSP分析得到每个采样点某种化合物出现的概率化学图,然后通过卷积神经网络识别CSP分析的结果来确定混合物中是否存在特定成分。所提出的方法将使我们能够在单次测量中定性地检测未知混合物中的成分,并将用于现实生活中的生物分子检测。

标签:
化学分析
山东 - 青岛 来源:中冶有色网 2023-03-19
含有与前列腺抗原特异性结合短肽的噬菌体及其应用

本发明涉及生物技术和免疫分析技术领域,具体地说是含有与前列腺抗原特异性结合短肽的噬菌体及其应用。所述的含有与前列腺抗原特异性结合短肽的噬菌体单克隆是展示有随机多肽的噬菌体单克隆;所述的前列腺抗原包括游离态的前列腺特异性抗原(free?PSA,f?PSA)、f?PSA与前列腺特异性抗原?α1?抗糜蛋白酶复合物(PSA?ACT)的和(总PSA, t?PSA)。所述的含有与前列腺抗原特异性结合短肽的噬菌体可作为探针检测前列腺抗原。所述的检测方法是“噬菌体探针/前列腺抗原/前列腺抗原单克隆抗体”模式的夹心法ELISA前列腺抗原检测方法。本发明所述的方法灵敏度高、稳定性好、成本低。所述的噬菌体单克隆可作为新型的生物检测探针,在分析化学、检测、免疫反应、生物医学等领域得到广泛的应用。

标签:
化学分析
山东 - 青岛 来源:中冶有色网 2023-03-19
NiS<Sub>2</Sub>增强石墨烯基SERS装置及其制备方法

本发明涉及一种NiS2增强石墨烯基SERS装置,该装置的具体结构为M‑NiS2/NiS‑石墨烯,其中,M为贵金属纳米层,NiS2/NiS为交替的NiS2和NiS纳米多层结构。以聚苯乙烯胶体球模板为衬底,在其表面化学气相沉积石墨烯层;(2)在石墨烯层表面原子层沉积交替的NiS2和NiS纳米多层结构;(3)在交替的NiS2和NiS纳米多层结构表面磁控溅射贵金属纳米层。NiS2的引入,可以明显增加装置对不同探针分子的检测灵敏度。交替的NiS2和NiS纳米多层结构于石墨烯层和贵金属层复合作用,使得基底可以实现对于多种激发波长下的拉曼增强,拓宽了其拉曼分析应用范围。

标签:
化学分析
山东 - 青岛 来源:中冶有色网 2023-03-19
上一页 17 18 19 20 21 ... 51 下一页
共51页    到第

中冶有色为您提供最新的山东青岛有色金属化学分析技术理论与应用信息,涵盖发明专利、权利要求、说明书、技术领域、背景技术、实用新型内容及具体实施方式等有色技术内容。打造最具专业性的有色金属技术理论与应用平台!

全国热门有色金属设备推荐
展开更多 +
全国热门有色金属技术推荐
展开更多 +

 

江西省隆恩特环保设备有限公司
宣传

报名参会
更多+

报告下载

有色专家
更多+

长春黄金研究院有限公司
总经理
中南大学
中国工程院院士
昆明理工大学
教授
湖南科技大学
所长/教授
中国矿业大学
副院长/教授
赤泥综合利用研究报告2025
推广

热门技术
更多+

推荐企业
更多+

福建省金龙稀土股份有限公司
宣传

发布

在线客服

公众号

电话

顶部
咨询电话:
010-88793500-807