青岛垚鑫智能科技有限公司
宣传

位置:北方有色 >

有色技术频道 >

> 化学分析技术

分类:
全部
矿山技术
冶金技术
材料制备及加工技术
环境保护技术
分析检测技术
 
全部
物理检测技术
化学分析技术
力学检测技术
无损检测技术
失效分析技术
环境检测技术
地区:
全部
北京
天津
上海
重庆
河北
山西
辽宁
吉林
黑龙江
江苏
浙江
安徽
福建
江西
山东
河南
湖北
湖南
广东
海南
四川
贵州
云南
陕西
甘肃
青海
内蒙
广西
西藏
宁夏
新疆
其他
其他
展开
 
全部
广州
韶关
深圳
珠海
汕头
佛山
江门
湛江
茂名
肇庆
惠州
梅州
汕尾
河源
阳江
清远
东莞
中山
潮州
揭阳
云浮

广东深圳有色金属化学分析技术理论与应用

免费发布技术信息>>
LED用CaAlSiN<sub>3</sub>:Eu<sup>2+</sup>红色荧光粉化学成分的检测方法

本发明涉及一种LED用CaAlSiN3:Eu2+红色荧光粉化学成分的检测方法,其中包括以下步骤:精确称取样品,选择浓硝酸做消解液,利用微波消解炉在高温下进行消解;消解后的样品移入容量瓶中,以纯水定容,对定容好的样品进行二次稀释,二次定容;将两次定容好的溶液在电感耦合等离子体光谱仪(ICP‑OES)上对其Ca、Al、Si、Eu、Mg、Ba等元素进行测试,可得到白光LED用CaAlSiN3:Eu2+红色荧光粉的化学成分和杂质含量。本发明所述的方法具有简便、快捷、准确的特性。

标签:
化学分析
广东 - 深圳 来源:北方有色网 2023-03-19
化学发光检测仪、耗材盒自动传输装置及其传输方法

本发明提供一种耗材盒自动传输装置,包括:耗材盒存储机构,用于加载并存储耗材盒;及耗材盒提升机构,位于所述耗材盒存储机构的上方;所述耗材盒提升机构能够提升所述耗材盒;所述耗材盒存储机构与所述耗材盒提升机构能够分别存储并传输所述耗材盒;所述耗材盒存储机构能够将所述耗材盒传输至所述耗材盒提升机构的底部,所述耗材盒提升机构在底部接取所述耗材盒并提升至所述耗材盒提机构的顶层。这样能够实现并行传输耗材盒;实现耗材盒的连续输送,减少人工看管或频繁的手工操作,提升耗材盒输送的安全性能,保证检测效率。本发明还提供一种化学发光检测仪及耗材盒自动传输方法。

标签:
化学分析
广东 - 深圳 来源:北方有色网 2023-03-19
声控的电化学工作站电流检测标定装置

本实用新型涉及一种声控的电化学工作站电流检测标定装置,包括运算放大器、三极管、语音控制芯片、四通道模拟多路复用器,运算放大器的反相端连接三极管的发射极和四通道模拟多路复用器的输入端,三极管的集电极连接电化学工作站负载,四通道模拟多路复用器的控制信号输入端连接语音控制芯片的控制信号输出端,四通道模拟多路复用器设有多个输出通道,且不同输出通道上的采样电阻的阻值不同,四通道模拟多路复用器可根据控制信号导通其中一路输出通道。本实用新型能够模拟真实传感器输出恒定、纯粹的电流,电流在变化后能够快速地回调,具有负反馈作用;本实用新型满足用户通过声控调整输出电流的大小,操作便捷,无需手动调整,效率更高。

标签:
化学分析
广东 - 深圳 来源:北方有色网 2023-03-19
纺织品化学成分检测装置

本实用新型公开了一种纺织品化学成分检测装置,包括主机外壳、防尘幕帘和散热孔防尘网,所述主机外壳的前表面上端设置有显示器,所述主机外壳的前表面远离显示器的一端设置有检测箱口,所述检测箱口的内部一侧设置有幕帘收卷轴,所述防尘幕帘安装在幕帘收卷轴的外侧,所述防尘幕帘上远离幕帘收卷轴的一端设置有幕帘固定连接卡环,所述防尘幕帘的前表面靠近幕帘固定连接卡环的位置处设置有幕帘把手槽,所述幕帘收卷轴的上端靠近主机外壳的内部设置有幕帘弹性收卷器;通过设计在检测箱口的防尘幕帘以及一端的固定卡扣,便于使用者在不使用时,对检测箱体内侧的检测灯进行防尘,同时也便于对箱体内部进行防尘。

标签:
化学分析
广东 - 深圳 来源:北方有色网 2023-03-19
耗材盒定位落料机构及化学发光检测仪

本实用新型提供了一种耗材盒定位落料机构,包括:承载落料结构,包括承载框架及承载部件,所述承载框架具有掉落通道,所述承载部件可运动地设置于所述承载框架上,所述承载部件用于支撑耗材盒;及落料驱动结构,设置于所述承载框架上;所述落料驱动结构能够驱动所述承载部件运动,使所述承载部件解除对所述耗材盒的支撑,所述耗材盒能够经掉落通道掉落。耗材盒失去支撑并在自身重力作用下从掉落通道中掉落;实现耗材盒的自动回收,减少人工看管或频繁的手工操作,提升耗材盒回收的安全性能,保证检测效率。本实用新型还提供一种化学发光检测仪。

标签:
化学分析
广东 - 深圳 来源:北方有色网 2023-03-19
医用耗材存储盒夹紧装置、抓取装置及化学发光检测仪

本实用新型涉及一种医用耗材存储盒夹紧装置、抓取装置及化学发光检测仪,该夹紧装置包括双头螺杆,具有表面螺纹旋向相反的第一螺纹部和第二螺纹部;平衡导轨,平行于双头螺杆设置;第一传动连接件和第二传动连接件,一端分别与第一螺纹部和第二螺纹部螺纹连接,另一端均与平衡导轨滑动连接;驱动电机,输出轴与双头螺杆相联动,以驱使第一传动连接件和第二传动连接件沿平衡导轨往复运动;第一夹板和第二夹板,分别固定在第一传动连接件和第二传动连接件上。通过双头螺杆的转动带动第一夹板和第二夹板相互靠拢或相互远离,实现双面同步夹紧存储盒,夹取稳定,避免了存储盒脱落的现象出现,保障设备的正常运行,进而提高了样本检测效率。

标签:
化学分析
广东 - 深圳 来源:北方有色网 2023-03-19
基于磁微粒化学发光的多目标物定量检测的微流控芯片

本发明涉及一种基于磁微粒化学发光的多种目标物定量检测的微流控芯片;所述微流控芯片为双层结构,包括盖片(1)和底片(11),其中盖片(1)上的气泵(3)、气流微通道(5)、加样孔(2)、样本液流通道(6)、第一生物标记物存储池(4)、微混合器(7)以及过渡区(10)依次连接;底片(11)上的过滤器(12)、反应室(13)、清洗区(14)、检测室(15)、溶液释放通道(18)依次连接,检测室(15)通过溶液释放通道(18)分别与发光液存储池(16),清洗液存储池(17)连接。

标签:
化学分析
广东 - 深圳 来源:北方有色网 2023-03-19
定量检测全血中肌钙蛋白I的磁微粒化学发光微流控芯片

本发明公开了一种定量检测全血中肌钙蛋白I的磁微粒化学发光微流控芯片,所述微流控芯片包括顶板(1)结构和底板(2)结构,其中顶板(1)上的气泵(3)、加样口(4)、样本填充区(12)、标记抗体存储池(5)和样本混合区(13)依次连接;底板上的过滤区(6)、磁颗粒包被区(7)、清洗区(14)、检测区(8)、液体释放通道(16)依次连接;底板的检测区(8)分别与清洗液存储池(9)和发光基底液存储池(10)通过液体释放通道(16)连接。

标签:
化学分析
广东 - 深圳 来源:北方有色网 2023-03-19
用于化学危险品热稳定性能检测装置

本实用新型属于热稳定性能检测领域,尤其是一种用于化学危险品热稳定性能检测装置,针对现有的对样品进行加热时,一般都是将样品固定摆放在检测装置内,由于样品距离四周加热板的长度各不相同,容易出现局部加热不均匀的情况,影响了试验数据准确性的问题,现提出如下方案,其包括检测箱和固设在检测箱四周内壁的四个加热板,所述检测箱的上表面开设有贯穿的安装口,所述检测箱的上表面铰接有密封盖,所述检测箱的一侧外壁固定连接有温控器,本实用新型中,可以对样品进行均匀的加热,提高了试验数据的准确性,可以对不同的玻璃容器进行固定,提高了检测装置的功能性,还可以方便人们对样品进行摆放和固定。

标签:
化学分析
广东 - 深圳 来源:北方有色网 2023-03-19
包含磁性发光微球的光激化学发光免疫检测的试剂盒及其应用

本发明涉及一种用于光激化学发光免疫检测的试剂盒,其包括磁性发光微球,所述磁性发光微球标记有第一抗体;第二抗体,所述第二抗体由第一结合部分标记,并且与所述第一抗体针对相同抗原的不同表位;无磁性感光微球,所述无磁性感光微球由第二结合部分标记,并且所述第二结合部分能够与所述第一结合部分结合。本发明还涉及所述试剂盒用于实现目标物检测的应用。

标签:
化学分析
广东 - 深圳 来源:北方有色网 2023-03-19
干化学检测板
干化学检测板 816     
 0

本实用新型公开了一种干化学检测板,一端为检测端,一端为拿取端,包括:壳盖(1)、壳体(2)、连接结构(3)、过滤层(6)、底物层(7)、显色层(8),其中,壳盖(1)和壳体(2)之间对应地设置有可配合扣合的连接结构(3),扣合时形成容置腔,壳盖1的检测端设置有通孔形式的加液孔(4),相对应地,壳体(2)的检测端设置有通孔形式的检测孔(5),加液孔(4)和检测孔(5)处的壳盖(1)和壳体(2)之间的容置腔内从上至下依次层叠有过滤层(6)、底物层(7)和显色层(8)。本实用新型结构简单,不易损坏,生产成本低,使用方便,可用于定量测定液体样品中的生化指标,检测时不受空气中杂质的影响。

标签:
化学分析
广东 - 深圳 来源:北方有色网 2023-03-19
用于全血样品检测的磁微粒直接化学发光微流控芯片

本实用新型涉及一种用于全血样品检测的磁微粒直接化学发光微流控芯片,所述芯片由顶部胶带(10)、芯片基板(1)和底部胶带(13)构成;所述芯片基板(1)上过滤区(2)、包被区(3)、清洗区(4)、检测区(5)、液体释放通道(6)依次连接,检测区(5)通过液体释放通道(6)与清洗液存储池(7)和发光基底液存储池(8)连接;顶部胶带包含加样口(11)和清洗液存储池让位孔(12);清洗液存储池(7)和发光基底液存储池(8)存储预封装清洗液和发光底物液;顶部胶带(10)包含加样口(11)和清洗液存储池让位孔(12)。

标签:
化学分析
广东 - 深圳 来源:北方有色网 2023-03-19
检测全血中肌酸激酶同工酶的磁微粒化学发光微流控芯片

本实用新型公开了一种检测全血中肌酸激酶同工酶的磁微粒化学发光微流控芯片,其包括顶板(1)结构和底板(2)结构,用胶带(19和20)密封,其中顶板(1)上的气泵(3)、加样口(4)、样本填充区(12)、标记抗体存储池(5)和样本混合区(13)依次连接;底板上的过滤区(6)、磁颗粒包被区(7)、清洗区(14)、检测区(8)、液体释放通道(16)依次连接;底板的检测区(8)分别与清洗液存储池(9)和发光基底液存储池(10)通过液体释放通道(16)连接;所述顶板(1)还包括盖子(11);所述底板(2)还包括废液池(15)。

标签:
化学分析
广东 - 深圳 来源:北方有色网 2023-03-19
用于全血样品检测的磁微粒化学发光双层微流控芯片

本实用新型涉及一种用于全血样品检测的磁微粒化学发光双层微流控芯片,其包括顶板(1)和底板(2),其中顶板包含加样口(4)、样本填充区(12)、标记配体存储池(5)和样本混合区(13);底板包含过滤区(6)、磁颗粒包被区(7)、清洗区(14)、检测区(8)、清洗液存储池(9)、发光基底液存储池(10)、液体释放通道(16);所述加样口和标记配体存储池由样本填充区连接,标记配体存储池与样本混合区连接;所述底板的检测区与清洗液存储池和发光基底液存储池通过液体释放通道连接;所述过滤区、磁颗粒包被区、清洗区、检测区依次连接;所述样本混合区末端与过滤区连通,本实用新型芯片检测灵敏度高、线性范围宽,定量准确。

标签:
化学分析
广东 - 深圳 来源:北方有色网 2023-03-19
降钙素原定量检测的磁微粒化学发光微流控芯片

本发明公开了一种降钙素原定量检测的磁微粒化学发光微流控芯片,其结构主要包括盖片(1)和底片(11),其中盖片(1)上的空气泵(3),气流微通道(5),加样口(2)、样本液流通道(6)、第一生物标记物存储池(4)、微混合器(7)以及过渡区(10)依次连接;底片(11)上的过滤器(12),反应池(13),清洗池(14),检测池(15),溶液释放通道(18)依次连接;检测池(15)通过溶液释放通道(18)与清洗液存储池(16)和发光液存储池(17)连接。

标签:
化学分析
广东 - 深圳 来源:北方有色网 2023-03-19
基于封闭式双极电极的电化学发光-比色双模式传感检测装置及其构建方法和应用

本发明公开了一种基于封闭式双极电极的电化学发光‑比色双模式传感检测装置及其构建方法和应用,所述装置包括检测池、检测池隔板、第一工作电极、第二工作电极和导体,其中检测池隔板将检测池分隔为两个不连通的区域,即为第一检测池和第二检测池,第一工作电极位于第一检测池中,第二工作电极位于第二检测池中,导体两端分别与第一工工作电极和第二工作电极接触,第一工作电极表面修饰有普鲁士蓝,第二工作电极设置有反应区,第二工作电极的非反应区和导体表面覆有绝缘材料。本发明装置较为简单、成本低廉、可塑性强,且可用于检测一种目标物或者同时检测两种目标物,故而具有广阔的市场应用前景。

标签:
化学分析
广东 - 深圳 来源:北方有色网 2023-03-19
用于全血样品检测的磁微粒化学发光微流控芯片

本实用新型公开了一种用于全血样品检测的磁微粒化学发光微流控芯片,所述芯片由顶部胶带(12)、芯片基板(1)和底部胶带(15)构成,其中芯片基板上的过滤区(2)、包被区(3)、反应区(5)、清洗区(6)、检测区(7)、液体释放通道(8)依次连接,芯片基板上标记配体存储池(4)与反应区(5)连接,检测区(7)分别与清洗液存储池(9)和发光基底液存储池(10)通过液体释放通道(8)连接,顶部胶带包含加样口(13);所述包被区(3)中包被磁颗粒标记配体;标记配体存储池(4)存储酶或发光剂标记配体。

标签:
化学分析
广东 - 深圳 来源:北方有色网 2023-03-19
具有温度检测功能的化学反应合成设备

本实用新型公开了一种具有温度检测功能的化学反应合成设备,包括箱体,所述箱体上表面固定连接有连接杆,且连接杆设置有四个,每个所述连接杆上表面均固定连接有计算机,所述箱体一侧转动连接有转轴,且转轴设置有两个,两个所述转轴一侧均固定连接有连接板,通过设置第一温度传感器和空调,将化学材料倒入合成装置中进行调和,在化学材料调和的过程中,第一温度传感器会将合成区域内的温度变成电信号传递给计算机,当合成区域内的温度低于平均值时,计算机会打开空调,通过空调调节合成区域内的温度,使合成区域内的温度达到设定范围,不会使一些化学材料由于温度变化而引起变质,导致无法使用。

标签:
化学分析
广东 - 深圳 来源:北方有色网 2023-03-19
用于化学发光仪器的检测装置

本实用新型公开了一种用于化学发光仪器的检测装置,包括底板,设置在底板上的黑泡棉和支撑柱,以及设置在所述支撑柱上的安装板;所述安装板上设置有遮光罩支撑柱和检测盘,所述遮光罩支撑柱上设置有遮光罩,所述检测盘一侧设置有快门支撑板,另一侧设置有光电倍增管,所述快门支撑板上设置有快门,所述检测盘均匀分布有4个检测盘孔;所述检测盘由设置在所述安装板上的驱动单元驱动工作。本实用新型的检测装置利用遮光罩、黑泡棉、底板及快门营造了一个良好的暗室环境;当三维臂抓手将装载了试剂和底物的反应杯移入本装置进行读值时可以减少底物曝光,提高光电倍增管读值的准确性。

标签:
化学分析
广东 - 深圳 来源:北方有色网 2023-03-19
定量检测全血中脑钠肽的磁微粒化学发光微流控芯片

本实用新型公开一种定量检测全血中脑钠肽的磁微粒化学发光微流控芯片,其由顶部胶带(12)、芯片基板(1)和底部胶带(15)构成,其中芯片基板(11)上的过滤区(2)、磁颗粒标记BNP抗体包被区(3)、反应区(5)、清洗区(6)、检测区(7)、液体释放通道(8)依次连接;芯片基板(11)上标记BNP抗体存储池(4)与反应区(5)连接,检测区(7)分别与清洗液存储池(9)和发光基底液存储池(10)通过液体释放通道(8)连接,顶部胶带包含加样口(13)、发光基底液和清洗液存储池让位孔(14)。

标签:
化学分析
广东 - 深圳 来源:北方有色网 2023-03-19
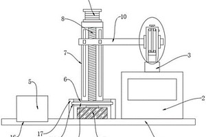
化学镍药水的含铅量检测装置

本申请涉及检测设备技术领域,且公开了一种化学镍药水的含铅量检测装置,包括底座,底座的上端固定连接有检测仪,检测仪的上端连接有进药筒,底座的上端还固定连接有旋转电机和位于旋转电机一侧的存放罐,旋转电机的上端输出轴固定连接有托板,托板的上端固定连接有U形立板,U形立板的内壁顶部和托板的上端通过轴承转动连接有同一根转动螺杆,U形立板的上端固定连接有调节电机,调节电机的下端输出轴与转动螺杆的上端固定连接,转动螺杆外螺纹套接有升降杆,升降杆远离U形立板的一端杆壁开设有通孔。本申请能够无需人工直接接触进行镀镍药水含铅量的检测工作,安全防护性好。

标签:
化学分析
广东 - 深圳 来源:北方有色网 2023-03-19
C反应蛋白定量检测的磁微粒化学发光微流控芯片

本实用新型提供一种C反应蛋白定量检测的磁微粒化学发光微流控芯片,其结构主要包括盖片(1)和底片(11);其中盖片(1)上的加样口(2),样本液流通道(6),第一生物标记物存储池(4),微混合器(7),过渡区(10)依次连接;底片(11)上的过滤器(12),反应池(13),清洗池(14),检测池(15),溶液释放通道(18)依次连接,底片(11)上检测池(15)通过溶液释放通道(18)与清洗液存储池(16)和发光液存储池(17)连接;所述盖片(1)和底片(11)用胶带(20和22)密封组装;本实用新型所述微流控芯片检测灵敏度高,结果准确可靠,重复性好。

标签:
化学分析
广东 - 深圳 来源:北方有色网 2023-03-19
肌红蛋白定量检测的磁微粒化学发光微流控芯片

本实用新型提供一种肌红蛋白定量检测的磁微粒化学发光微流控芯片,其结构主要包括盖片(1)和底片(11),其中盖片(1)上的空气泵(3),气流微通道(5),加样口(2),样本液流通道(6),第一生物标记物存储池(4),微混合器(7)以及过渡区(10)依次连接;底片(11)上的过滤器(12),反应池(13),清洗池(14),检测池(15),溶液释放通道(18)依次连接;底片(11)上的检测池(15)通过溶液释放通道(18)与清洗液存储池(16)和发光液存储池(17)连接;所述盖片(1)和底片(11)用胶带(20和22)密封;本实用新型提供的微流控芯片检测结果灵敏度高,准确可靠,重复性好,成本低。

标签:
化学分析
广东 - 深圳 来源:北方有色网 2023-03-19
便携式生物化学检测用试管

本实用新型公开了一种便携式生物化学检测用试管,包括试管主体,所述试管主体表面的中心处设置有连接机构,所述试管主体表面的底部固定套设有固定套,所述试管主体表面的顶部固定套设有固定环,所述固定环的顶部开设有连接孔,所述试管主体的右侧设置有握持杆,所述握持杆靠近连接孔的一侧延伸至连接孔的内腔。本实用新型通过设置试管主体、限位螺母、连接件、插槽、固定环、连接孔、固定套、支撑座、连接环和连接机构的配合使用,解决了现有的生物化学检测用试管在使用过程中,通常不具有辅助便携的卡接结构,且通常不便于将两个试管通过连接结构进行连接,导致其在转运过程中容易给使用者造成一定不便的问题。

标签:
化学分析
广东 - 深圳 来源:北方有色网 2023-03-19
基于石墨炔和点击化学的铜离子的检测方法、试剂盒以及应用

本发明提供了一种基于石墨炔和点击化学的铜离子的检测方法、试剂盒以及应用;所述检测方法包括如下步骤:(1)将石墨炔和基团修饰的双链DNA的混合液中加入浓度梯度的铜离子标准溶液和还原剂,混合,反应,得到反应液,而后通过荧光光谱法测试反应液的荧光强度,根据浓度和荧光强度的关系,绘制标准曲线;(2)将石墨炔和基团修饰的双链DNA的混合液中加入待测样品溶液和还原剂,混合,反应,得到反应液,而后根据荧光光谱法测试反应液的荧光强度,根据步骤(1)得到的标准曲线定量待测样品中铜离子的浓度;在检测体系中选用石墨炔,能够避免采用炔基基团进行修饰,且能大大提高检测效率,简化操作步骤。

标签:
化学分析
广东 - 深圳 来源:北方有色网 2023-03-19
检测全血中氮末端脑钠肽的磁微粒化学发光微流控芯片

本发明公开了一种检测全血中氮末端脑钠肽的磁微粒化学发光微流控芯片,所述微流控芯片包括顶板(1)结构和底板(2)结构,其中顶板(1)上的气泵(3)、加样口(4)、样本填充区(12)、标记抗体存储池(5)和样本混合区(13)依次相连;底板(2)上的过滤区(6)、磁颗粒包被区(7)、清洗区(14)、检测区(8)依次连接,底板(2)上检测区(8)通过液体释放通道(16)与清洗液存储池(9)和发光基底液存储池(10)连接。

标签:
化学分析
广东 - 深圳 来源:北方有色网 2023-03-19
电化学甲醛传感器检测的批量标定方法

本发明涉及一种电化学甲醛传感器检测的批量标定方法,所述方法包括:S1:提供一上位机,设置所述上位机的串口参数选择接入下位机端口;S2:对若干个传感器进行ID设置,将若干个ID写入所述下位机;S3:启动所述上位机,采集多个所述传感器的多组检测数据,记录传感器的运行时间;S4:所述上位机根据S3中的记录时间和采集的检测数据,绘制实时曲线;S5:观察所述实时曲线变化趋势判断是否存在畸形数据,未存在畸形数据,则进行S6;S6:在检测环境内加入不同浓度甲醛并搅拌均匀,记录多组浓度下的标准数据和所述上位机的检测数据;S7:根据所述标准数据对所述上位机的检测数据进行批量标定。达到对传感器进行批量标定,确保传感器的检测精度,且操作灵活的目的。

标签:
化学分析
广东 - 深圳 来源:北方有色网 2023-03-19
用于气雾剂危险化学品可燃性检测装置

本实用新型属于可燃性检测领域,尤其是一种用于气雾剂危险化学品可燃性检测装置,针对现有的在检测过程中,一般都是等待探头上的气雾剂完全挥发后再进行下一次的检测,检测周期长,效率较低的问题,现提出如下方案,其包括检测仪主体,所述检测仪主体的一侧固定连接有软管,软管的另一端固定连接有探头,所述检测仪主体的一侧固定连接有安装壳,安装壳的两侧均开设有贯穿的通风口,所述安装壳的上表面开设有贯穿的通槽,本实用新型中,可以加速探头表面气雾剂的挥发,缩短检测周期,提高检测的效率,可以引导风流对准探头,进一步的缩短检测周期,还可以避免杂质进入装置内部,让检测更加顺利的进行。

标签:
化学分析
广东 - 深圳 来源:北方有色网 2023-03-19
抗SS‑A抗体IgG化学发光免疫检测试剂盒及其制备方法

本发明公开了一种抗SS?A抗体IgG化学发光免疫检测试剂盒,所述试剂盒包括:SS?A抗原包被的磁微粒、抗人IgG单克隆抗体包被的吖啶酯、抗SS?A抗体IgG定标品、预激发液、激发液。另外本发明还公开了一种抗SS?A抗体IgG化学发光免疫检测试剂盒的制备方法。本发明所述试剂盒与现有试剂盒相比操作简便,灵敏度高,检测范围广等优点。

标签:
化学分析
广东 - 深圳 来源:北方有色网 2023-03-19
电化学检测电极的集成线路板结构及其制作方法

本发明公开一种电化学检测电极的集成线路板结构及其制作方法,该集成线路板结构包括上下连接到一起的第一基板和第二基板,第一基板上设有若干开窗孔,第二基板上对应每一开窗孔的位置均设有一个或多个连接端,其中每一连接端内设有至少两个引脚;每一连接端上方封装有一个或多个电极芯片,电极芯片容置安装于开窗孔内,并通过引脚与第二基板上的线路电连接;电极芯片封装后,其上表面与第一基板的上表面的高度差小于0.1mm。本发明将电极芯片封装于线路板中,使电极芯片的上表面与线路板上表面基本平齐,对电极芯片起到一定的保护作用,提高了电极芯片的稳定性,且大大提高了电化学检测电极的集成线路板结构的紧凑性和集成化,促进了其在微流控技术检测设备中的应用。

标签:
化学分析
广东 - 深圳 来源:北方有色网 2023-03-19
上一页 49 50 51 52 53 ... 61 下一页
共61页    到第

北方有色为您提供最新的广东深圳有色金属化学分析技术理论与应用信息,涵盖发明专利、权利要求、说明书、技术领域、背景技术、实用新型内容及具体实施方式等有色技术内容。打造最具专业性的有色金属技术理论与应用平台!

全国热门有色金属设备推荐
展开更多 +
全国热门有色金属技术推荐
展开更多 +

 

江西省隆恩特环保设备有限公司
宣传

报名参会
更多+

报告下载

有色专家
更多+

有研科技集团有限公司
首席科学家
南方科技大学
外籍院士
赣州江钨钨合金有限公司
工程师
西安建筑科技大学
教授
江西省科学院应用化学研究所
副主任/副研究员
赤泥综合利用研究报告2025
推广

热门技术
更多+

推荐企业
更多+

福建省金龙稀土股份有限公司
宣传

发布

在线客服

公众号

电话

顶部
咨询电话:
010-88793500-807